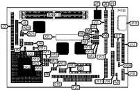
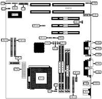
![]() | AAEON TECHNOLOGY, INC. Pentium SBC-554V, SBC-555 Floppy drive interface, IDE interface, parallel port, PS/2 mouse port, serial ports (2), VGA port, IR connector, USB connector |
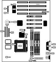
![]() | AAEON TECHNOLOGY, INC. Pentium SBC-570N Floppy drive interface, IDE interfaces (2), parallel port, PS/2 mouse port, serial ports (2), cache slot, IR connector, USB connectors (2), PC/104 connectors (2) |
![]() | AAEON TECHNOLOGY, INC. Pentium SBC-598 Floppy drive interface, IDE interfaces (2), parallel port, PS/2 mouse port, PS/2 mouse interface, serial ports (2), VGA port, USB connector, IR connector |
![]() | ABIT COMPUTER CORPORATION Pentium PE5 (REV. 1.2) 32-bit PCI slots (3), floppy drive interface, green PC connector, IDE interfaces (2), parallel port, PS/2 mouse port, serial ports (2) |
![]() | ABIT COMPUTER CORPORATION Pentium PE5 (REV. 1B) 32-bit PCI slots (3), floppy drive interface, green PC connector, IDE interfaces (2), parallel port, PS/2 mouse port, serial ports (2) |
![]() | ABIT COMPUTER CORPORATION Pentium PK5 (REV. 1.1) 32-bit PCI slots (3), green PC connector |
![]() | ABIT COMPUTER CORPORATION Pentium PK5 PCI 32-bit PCI bus slots (3), green PC connector |
![]() | ABIT COMPUTER CORPORATION Pentium PS5 PCI 32-bit PCI bus slots (3), green PC connector |
![]() | ACER, INC. Pentium ACERPOWER 560P/PT/TU (V12P PROJECT) Floppy drive interface, IDE interface, parallel port, PS/2 mouse port, serial ports (2), 32-bit PCI slots (3) |
![]() | ACER, INC. Pentium ACERPOWER ULTIMA (M3A), M3A 32-bit PCI slots (4), floppy drive interface, IDE interfaces (2), parallel port, PS/2 mouse port, serial ports (2), USB connector |
![]() | ACER, INC. Pentium AP53 32-bit PCI slots (4), floppy drive interface, green PC connector, IDE interfaces (2), parallel port, PS/2 mouse interface, serial ports (2) |
![]() | ACER, INC. Pentium AP55CS 32-bit PCI slots (3), floppy drive interface, IDE interfaces (2), parallel port, serial ports (2), VGA feature connector, VGA port, VRM connector |
![]() | ACER, INC. Pentium AP57 32-bit PCI slots (4), floppy drive interface, green PC connector, IDE interfaces (2), parallel port, PS/2 mouse interface, serial ports (2), IR connector, USB connector |
![]() | ACER, INC. Pentium AP58 32-bit PCI slots (4), floppy drive interface, green PC connector, IDE interfaces (2), parallel port, PS/2 mouse interface, serial ports (2), IR connector, USB connector |
![]() | ACER, INC. Pentium AP59S |
![]() | ACER, INC. Pentium AP5C Parallel port, serial ports (2), 32-bit PCI slots (4), floppy drive interface, IDE interfaces (2), green PC connector |
![]() | ACER, INC. Pentium AP5C/P 32-bit PCI slots (4), floppy drive interface, green PC connector, IDE interfaces (2), parallel port, PS/2 mouse port, serial ports (2), cache slot |
![]() | ACER, INC. Pentium AP5CS 32-bit PCI slots (4), floppy drive interface, green PC connector, IDE interfaces (2), parallel port, serial ports (2) |
![]() | ACER, INC. Pentium AP5CS 32-bit PCI slots (4), floppy drive interface, green PC connector, IDE interfaces (2), parallel port, serial ports (2) |
![]() | ACER, INC. Pentium AP5S 32-bit PCI slots (4), floppy drive interface, green PC connector, IDE interfaces (2), parallel port, PS/2 mouse interface, serial ports (2), IR connector, USB connector |
![]() | ACER, INC. Pentium AP5T 32-bit PCI slots (4), floppy drive interface, green PC connector, IDE interfaces (2), parallel port, PS/2 mouse interface, serial ports (2), USB connector, IR connector |
![]() | ACER, INC. Pentium AP5TC 32-bit PCI slots (4), floppy drive interface, green PC connector, IDE interfaces (2), parallel port, PS/2 mouse interface, serial ports (2), IR connector, USB connector |
![]() | ACER, INC. Pentium AP5V 32-bit PCI slots (4), floppy drive interface, IDE interfaces (2), parallel port, PS/2 mouse port, serial ports (2), VRM connector, USB connector |
![]() | ACER, INC. Pentium AP5VM-2 32-bit PCI slots (4), floppy drive interface, green PC connector, IDE interfaces (2), parallel port, PS/2 mouse interface, serial ports (2), IR connector, USB connector |
![]() | ACER, INC. Pentium AX5T-1 32-bit PCI slots (4), floppy drive interface, IDE interfaces (2), parallel port, PS/2 mouse interface, serial ports (2), USB connector, IR connector, ATX power connector |
![]() | ACER, INC. Pentium AX5T-2 32-bit PCI slots (4), floppy drive interface, IDE interfaces (2), parallel port, PS/2 mouse interface, serial ports (2), USB connector, IR connector, ATX power connector |
![]() | ACER, INC. Pentium PI1 Floppy drive interface, green PC connector, IDE interfaces (2), parallel port, PS/2 mouse port, serial ports (2), feature connector, VGA port, riser slot |
![]() | ACER, INC. Pentium PI30 Parallel port, serial ports (2), 32-bit PCI slots (4), floppy drive interface, IDE interfaces (2) |
![]() | ACER, INC. Pentium PI8G Parallel port, serial ports (2), 32-bit PCI slots (4), green PC connector, floppy drive interface, IDE interfaces (2) |
![]() | ACER, INC. Pentium V12C 32-bit PCI slots (3), floppy drive interface, IDE interface, parallel port, PS/2 mouse port, serial ports (2) |
![]() | ACER, INC. Pentium V12P 32-bit PCI slots (3), floppy drive interface, IDE interface, parallel port, PS/2 mouse port, serial ports (2) |
![]() | ACER, INC. Pentium V30 32-bit PCI slots (3), floppy drive interface, green PC connector, IDE interfaces (2), parallel port, PS/2 mouse port, PS/2 mouse interface, serial ports (2), cache slot |
![]() | ACER, INC. Pentium V55 32-bit PCI slots (4), floppy drive interface, green PC connector, IDE interfaces (2), parallel port, PS/2 mouse port, serial ports (2), cache slot, IR connector, USB connector |
![]() | ACER, INC. Pentium V55-2 32-bit ISA slots (3), 32-bit PCI slots (4), bus mouse port, PS/2 keyboard port, serial ports (2), parallel port |
![]() | ACER, INC. Pentium V55-2 |
![]() | ACER, INC. Pentium V58 32-bit PCI slots (4), floppy drive interface, green PC connector, IDE interfaces (2), parallel port, PS/2 mouse port, serial ports (2), USB connector |
![]() | ACER, INC. Pentium V58LA Ethernet connector, floppy drive interface, green PC connector, IDE interfaces (2), parallel port, PS/2 mouse port, serial ports (2), VGA port, riser slot, USB connector |
![]() | ACHITEC CORPORATION, LTD. Pentium ACHI-150 32-bit PCI slots (3), floppy drive interface, IDE interfaces (2), parallel port, PS/2 mouse interface, serial ports (2), USB connector, ATX power connector |
![]() | ACHITEC CORPORATION, LTD. Pentium ACHI-154 32-bit PCI slots (3), floppy drive interface, IDE interfaces (2), parallel port, PS/2 mouse interface, serial ports (2), USB connector, ATX power connector |
![]() | ACHME COMPUTER, INC. Pentium MS-5103 32-bit PCI slots (4) |
![]() | ACHME COMPUTER, INC. Pentium MS-5103 PCI/ISA 586MCI 32-bit PCI local bus slots (4) |
![]() | ACHME COMPUTER, INC. Pentium MS-5106 32-bit PCI slots (4) |
![]() | ACHME COMPUTER, INC. Pentium MS-5107 green PC connector, 32-bit PCI slots (3) |
![]() | ACHME COMPUTER, INC. Pentium MS-5108 32-bit PCI slots (3), floppy drive interface, green PC connector, IDE interface (2), |
![]() | ACHME COMPUTER, INC. Pentium MS-5109 32-bit PCI slots (3), floppy drive interface, green PC connector, IDE interfaces (2), parallel port, PS/2 mouse port, serial ports (2) |
![]() | ACHME COMPUTER, INC. Pentium MS-5111 32-bit PCI slots (3), floppy drive interface, green PC connector, IDE interfaces (2), parallel port, serial ports (2) |
![]() | ACHME COMPUTER, INC. Pentium MS-5116 Floppy drive interface, green PC connector, IDE interfaces (2), parallel port, PS/2 mouse port, serial ports (2), VGA feature connector, VGA port, riser slot |
![]() | ACHME COMPUTER, INC. Pentium MS-5117 Parallel port, serial ports (2), floppy drive interface, IDE interfaces, 32-bit PCI slots(3) |
![]() | ACHME COMPUTER, INC. Pentium MS-5118 PS/2 mouse port, PS/2 mouse connector, parallel port, serial ports (2), IDE interfaces (2), floppy drive interface, green PC connector, 32-bit PCI slots (3) |
![]() | ACHME COMPUTER, INC. Pentium MS-5119 Parallel port, serial ports (2), IDE interfaces (2), floppy drive interface, green PC connector, 32-bit PCI slots (3), PS/2 mouse connector |
![]() | ACHME COMPUTER, INC. Pentium MS-5122 PS/2 mouse port, PS/2 mouse connector, parallel port, serial ports (2), IDE interfaces (2), floppy drive interface, green PC connector, 32-bit PCI slots (3) |
![]() | ACHME COMPUTER, INC. Pentium MS-5129 32-bit PCI slots (4), floppy drive interface, green PC connector, IDE interfaces (2), parallel port, serial ports (2), cache slot |
![]() | ACHME COMPUTER, INC. Pentium MS-5144 32-bit PCI slots (4), floppy drive interface, IDE interfaces (2), parallel port, PS/2 mouse port, PS/2 mouse interface, serial ports (2), IR connector, USB connector |
![]() | ACHME COMPUTER, INC. Pentium MS-5146 32-bit PCI slots (4), floppy drive interface, IDE interfaces (2), parallel port, PS/2 mouse interface, serial ports (2), IR connector, USB connector |
![]() | ACHME COMPUTER, INC. Pentium MS-5168 32-bit PCI slots (3), floppy drive interface, green PC connector, IDE interfaces (2), parallel port, serial ports (2), USB connector, ATX power connector, AGP slot |
![]() | ADVANCED INTEGRATION RESEARCH, INC. Pentium 54CDP (REV. 1.0) 32-bit PCI slots (3), floppy drive interface, SCSI-2 interface, Wide SCSI-2 interface, parallel port, serial ports (2) |
![]() | ADVANCED INTEGRATION RESEARCH, INC. Pentium 54CDP (REV. 1.10) 32-bit PCI slots (3), floppy drive interface, SCSI interfaces (2), parallel port, serial ports (2) |
![]() | ADVANCED INTEGRATION RESEARCH, INC. Pentium 54CDP REV. 1.2 32-bit PCI slots (3), floppy drive interface, SCSI-2 wide interface SCSI-2 interface, parallel port, serial ports (2) |
![]() | ADVANCED INTEGRATION RESEARCH, INC. Pentium 54CDP REV. 1.2D 32-bit PCI slots (3), floppy drive interface, SCSI-2 wide interface SCSI-2 interface, parallel port, serial ports (2) |
![]() | ADVANCED INTEGRATION RESEARCH, INC. Pentium 54CDP REV. 2.21 32-bit PCI slots (4), floppy drive interface, SCSI connectors (2), parallel port, PS/2 mouse interface, serial ports (2) |
![]() | ADVANCED INTEGRATION RESEARCH, INC. Pentium 54CEP 32-bit PCI bus slots (3), floppy drive interface, SCSI-2 interface (2), parallel port, |
![]() | ADVANCED INTEGRATION RESEARCH, INC. Pentium 54CEP (REV. 1.2) 32-bit PCI slots (3), floppy drive interface, SCSI interface, Wide SCSI interface, parallel port, serial ports (2) |
![]() | ADVANCED INTEGRATION RESEARCH, INC. Pentium 54CMI REV. 1.0 32-bit PCI bus slots (3), 32-bit VESA local bus slots (2), floppy drive interface (2), |
![]() | ADVANCED INTEGRATION RESEARCH, INC. Pentium 54CPI REV. 1.0 32-bit PCI slots (4), floppy drive interface, IDE interfaces (2), parallel port, serial ports (2) |
![]() | ADVANCED INTEGRATION RESEARCH, INC. Pentium 54CSH REV. 1.01 32-bit PCI slots (4) |
![]() | ADVANCED INTEGRATION RESEARCH, INC. Pentium 586EP 32-bit PCI bus slots (2), floppy drive interface, SCSI-2 interface (2), parallel port, |
![]() | ADVANCED INTEGRATION RESEARCH, INC. Pentium 586MI 32-bit VESA local bus slots (3), floppy drive interface, IDE interface |
![]() | ADVANCED INTEGRATION RESEARCH, INC. Pentium 586MI REV. 1.1/1.11/1.12 32-bit VESA local bus slots (3), floppy drive interface, green PC connector, IDE interface, parallel port, serial ports (2) |
![]() | ADVANCED LOGIC RESEARCH, INC. Pentium EVOLUTION V 32-bit VESA local bus slots (3), BNC, floppy drive interface, IDE interface (2), parallel port, PS/2 mouse port, serial ports (2), RJ11 |
![]() | ADVANCED LOGIC RESEARCH, INC. Pentium EVOLUTION V ST 32-bit VESA local bus slots (3), floppy drive interface, IDE interfaces (2), parallel port, PS/2 mouse port, serial ports (2) |
![]() | ADVANCED LOGIC RESEARCH, INC. Pentium EVOLUTION VQ 32-bit VESA local bus slots (3), I/O slot |
![]() | AMERICAN DIGICOM CORPORATION Pentium DIGIS-P5 32-bit VESA local bus slots (2) |
![]() | AMERICAN MEGATRENDS, INC. Pentium APOLLO 32-bit PCI slots (4), floppy drive interface, IDE interfaces (2), parallel port, PS/2 mouse interface, serial ports (2) |
![]() | AMERICAN MEGATRENDS, INC. Pentium ATLAS VIP 32-bit PCI slots (3), 32-bit VESA local bus slots (2), floppy drive interface, IDE interface, parallel port, PS/2 mouse port, serial ports (2) |
![]() | AMERICAN MEGATRENDS, INC. Pentium EXCALIBUR PCI Pentium 32-bit PCI local bus slots (3), floppy drive interface, green PC monitor connector, |
![]() | AMERICAN MEGATRENDS, INC. Pentium EXCALIBUR PCI-II PENTIUM ISA 32-bit PCI slots (4), floppy drive interface, green PC connector, IDE interfaces (2), parallel port, PS/2 mouse port, serial ports (2) |
![]() | AMERICAN MEGATRENDS, INC. Pentium EXCALIBUR VLB Pentium 32-bit VESA local bus slots(2), floppy drive interface, |
![]() | AMERICAN MEGATRENDS, INC. Pentium TITAN III 32-bit PCI slots (4), floppy drive interface, green PC connector, IDE interfaces (2), parallel port, PS/2 mouse interface, serial ports (2) |
![]() | AMERICAN PREDATOR CORPORATION Pentium HUNTER MIDGET 32-bit PCI slots (4), IDE interfaces (2), PS/2 mouse interface |
![]() | AMERICAN PREDATOR CORPORATION Pentium PREDATOR PENTIUM P54C 32-bit PCI slots (3), floppy drive interface, IDE interfaces (2), parallel port, PS/2 mouse interface, serial ports (2) |
![]() | AMPRO COMPUTERS, INC. Pentium COREMODULE/P5I Floppy drive interface, IDE interfaces (2), parallel port, PS/2 mouse port, serial ports (2), IR connector, USB connectors (2), PC/104 connectors (2) |
![]() | AMPTRON INTERNATIONAL, INC. Pentium PM-502P 32-bit PCI slots (4) |
![]() | AMPTRON INTERNATIONAL, INC. Pentium PM-7400 32-bit PCI slots (3), floppy drive interface, EIDE interfaces (2), parallel port, serial ports (2), cache slot, VRM connector |
![]() | AMPTRON INTERNATIONAL, INC. Pentium PM-7500 32-bit PCI slots (4), floppy drive interface, IDE interfaces (2), parallel port, serial ports (2) |
![]() | AMPTRON INTERNATIONAL, INC. Pentium PM-7500C 32-bit PCI slots (3), floppy drive interface, IDE interfaces (2), parallel port, serial ports (2) |
![]() | AMPTRON INTERNATIONAL, INC. Pentium PM-7600 VER. 2.0 32-bit PCI slots (3), floppy drive interface, green PC connector, IDE interfaces (2), parallel port, serial ports (2), VRM connector, cache slot |
![]() | AMPTRON INTERNATIONAL, INC. Pentium PM-7600A 32-bit PCI slots (3), floppy drive interface, green PC connector, IDE interfaces (2), parallel port, serial ports (2) VRM connector, cache slot |
![]() | AMPTRON INTERNATIONAL, INC. Pentium PM-7700 32-bit PCI slots (3), floppy drive interface, IDE interfaces (2), parallel port, serial ports (2), VRM connector, cache slot |
![]() | AMPTRON INTERNATIONAL, INC. Pentium PM-7700B VER. 2.0 32-bit PCI slots (3), floppy drive interface, green PC connector, IDE interfaces (2), parallel port, serial ports (2), cache slot |
![]() | AMPTRON INTERNATIONAL, INC. Pentium PM-7700C 32-bit PCI slots (3), green PC connector, floppy drive interface, IDE interfaces (2), parallel port, serial ports (2), cache slot |
![]() | AMPTRON INTERNATIONAL, INC. Pentium PM-7800 32-bit PCI slots (3), floppy drive interface, green PC connector, IDE interfaces (2), parallel port, serial ports (2), cache slot |
![]() | AMPTRON INTERNATIONAL, INC. Pentium PM-7900 32-bit PCI slots (3), floppy drive interface, green PC connector, IDE interfaces (2), parallel port, serial ports (2), cache slot, VRM connector |
![]() | AMPTRON INTERNATIONAL, INC. Pentium PM-8400 32-bit PCI slots (4), floppy drive interface, IDE interfaces (2), parallel port, PS/2 mouse interface, serial ports (2), USB connector |
![]() | AMPTRON INTERNATIONAL, INC. Pentium PM-8500 32-bit PCI slots (4), floppy drive interface, IDE interfaces (2), parallel port, PS/2 mouse interface, serial ports (2), USB connector |
![]() | AMPTRON INTERNATIONAL, INC. Pentium PM-8600 32-bit PCI slots (4), floppy drive interface, IDE interfaces (2), parallel port, PS/2 mouse interface, serial ports (2), USB connector |
![]() | AMPTRON INTERNATIONAL, INC. Pentium PM-8700 32-bit PCI slots (4), floppy drive interface, green PC connector, IDE interfaces (2), parallel port, PS/2 mouse interface, serial ports (2), USB connector |
![]() | AMPTRON INTERNATIONAL, INC. Pentium PM-8900 32-bit PCI slots (4), floppy drive interface, EIDE interfaces (2), parallel port, PS/2 mouse port, serial ports (2) |
![]() | AMPTRON INTERNATIONAL, INC. Pentium PM-9100 (VER. 1.0) 32-bit PCI slots (4), IRQ feature connectors (2) |
![]() | ANTEC, INC. Pentium MB5685 32-bit PCI slots (4), floppy drive interface, green PC connector, IDE interfaces (2), parallel port, PS/2 mouse interface, serial ports (2), IR connector, USB connectors (2) |