ACER, INC.
AX59 PRO
|
Device Type |
Mainboard |
|
Processor |
CX 6X86/CX 6X86L/CX MII/AM K5/AM K6/AM K6-2/Pentium/ Pentium MMX |
|
Processor Speed |
90/100/120/133/150/166/180/200/233/266/300MHz |
|
Chip Set |
VIA MVP3 |
|
Maximum Onboard Memory |
1GB (EDO & SDRAM supported) |
|
Cache |
512/1024KB |
|
BIOS |
Award |
|
Dimensions |
305mm x 202mm |
|
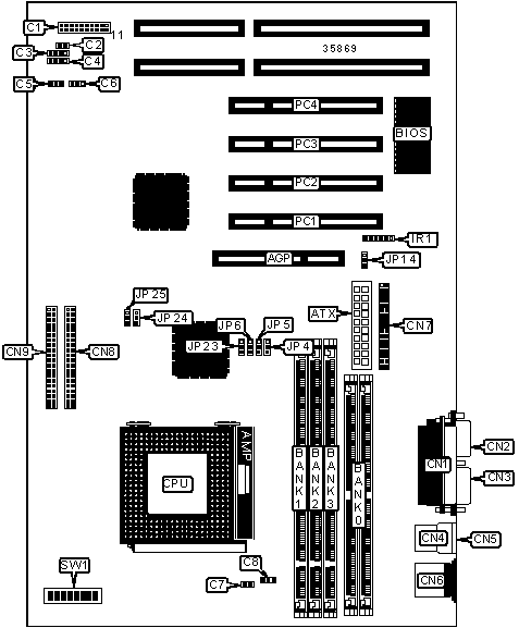
I/O Options |
32-bit PCI slots (4), floppy drive interface, IDE interfaces (2), parallel port, PS/2 mouse port, serial ports (2), IR connector, USB connectors (2), ATX power connector, AGP slot, wake on LAN connector, wake on modem connector |
|
CONNECTIONS | |||
|
Purpose |
Location |
Purpose |
Location |
|
AGP slot |
AGP |
Parallel port |
CN1 |
|
ATX power connector |
ATX |
Serial port 2 |
CN2 |
|
Power LED & keylock |
C1/pins 1 - 5 |
Serial port 1 |
CN3 |
|
Speaker |
C1/pins 7 - 10 |
USB connector 1 |
CN4 |
|
Reset switch |
C1/pins 19 & 20 |
USB connector 2 |
CN5 |
|
Soft off power supply |
C2 |
PS/2 mouse port |
CN6 |
|
Wake on modem connector |
C3 |
Floppy drive interface |
CN7 |
|
IDE interface LED |
C4 |
IDE interface 2 |
CN8 |
|
Chassis fan power |
C5 |
IDE interface 1 |
CN9 |
|
Wake on LAN connector |
C6 |
IR connector |
IR1 |
|
CPU fan power |
C7 |
32-bit PCI slots |
PC1 - PC4 |
|
CPU fan power |
C8 | ||
|
USER CONFIGURABLE SETTINGS | |||
|
Function |
Label |
Position | |
|
» |
CMOS memory normal operation |
JP14 |
Pins 1 & 2 closed |
|
CMOS memory clear |
JP14 |
Pins 2 & 3 closed | |
|
SIMM CONFIGURATION | |
|
Size |
Bank 0 |
|
8MB |
(2) 1M x 36 |
|
16MB |
(2) 2M x 36 |
|
32MB |
(2) 4M x 36 |
|
64MB |
(2) 8M x 36 |
|
128MB |
(2) 16M x 36 |
|
256MB |
(2) 32M x 36 |
|
Note: Board accepts EDO memory. | |
|
DIMM CONFIGURATION | |||
|
Size |
Bank 1 |
Bank 2 |
Bank 3 |
|
8MB |
(1) 1M x 64 |
None |
None |
|
16MB |
(1) 1M x 64 |
(1) 1M x 64 |
None |
|
16MB |
(1) 2M x 64 |
None |
None |
|
24MB |
(1) 1M x 64 |
(1) 1M x 64 |
(1) 1M x 64 |
|
DIMM CONFIGURATION (CON'T) | |||
|
Size |
Bank 0 |
Bank 1 |
Bank 2 |
|
32MB |
(1) 2M x 64 |
(1) 2M x 64 |
None |
|
32MB |
(1) 4M x 64 |
None |
None |
|
48MB |
(1) 2M x 64 |
(1) 2M x 64 |
(1) 2M x 64 |
|
64MB |
(1) 4M x 64 |
(1) 4M x 64 |
None |
|
64MB |
(1) 8M x 64 |
None |
None |
|
96MB |
(1) 4M x 64 |
(1) 4M x 64 |
(1) 4M x 64 |
|
128MB |
(1) 8M x 64 |
(1) 8M x 64 |
None |
|
128MB |
(1) 16M x 64 |
None |
None |
|
164MB |
(1) 16M x 64 |
(1) 1M x 64 |
None |
|
144MB |
(1) 16M x 64 |
(1) 1M x 64 |
(1) 1M x 64 |
|
144MB |
(1) 16M x 64 |
(1) 2M x 64 |
None |
|
160MB |
(1) 16M x 64 |
(1) 2M x 64 |
(1) 2M x 64 |
|
160MB |
(1) 16M x 64 |
(1) 4M x 64 |
None |
|
192MB |
(1) 16M x 64 |
(1) 4M x 64 |
(1) 4M x 64 |
|
192MB |
(1) 16M x 64 |
(1) 8M x 64 |
None |
|
192MB |
(1) 8M x 64 |
(1) 8M x 64 |
(1) 8M x 64 |
|
256MB |
(1) 16M x 64 |
(1) 8M x 64 |
(1) 8M x 64 |
|
256MB |
(1) 16M x 64 |
(1) 16M x 64 |
None |
|
256MB |
(1) 32M x 64 |
None |
None |
|
264MB |
(1) 32M x 64 |
(1) 1M x 64 |
None |
|
272MB |
(1) 32M x 64 |
(1) 1M x 64 |
(1) 1M x 64 |
|
272MB |
(1) 32M x 64 |
(1) 2M x 64 |
None |
|
288MB |
(1) 32M x 64 |
(1) 2M x 64 |
(1) 2M x 64 |
|
288MB |
(1) 32M x 64 |
(1) 4M x 64 |
None |
|
320MB |
(1) 32M x 64 |
(1) 4M x 64 |
(1) 4M x 64 |
|
320MB |
(1) 32M x 64 |
(1) 8M x 64 |
None |
|
384MB |
(1) 32M x 64 |
(1) 8M x 64 |
(1) 8M x 64 |
|
384MB |
(1) 32M x 64 |
(1) 16M x 64 |
None |
|
384MB |
(1) 16M x 64 |
(1) 16M x 64 |
(1) 16M x 64 |
|
512MB |
(1) 32M x 64 |
(1) 16M x 64 |
(1) 16M x 64 |
|
512MB |
(1) 32M x 64 |
(1) 32M x 64 |
None |
|
768MB |
(1) 32M x 64 |
(1) 32M x 64 |
(1) 32M x 64 |
|
Note: Board accepts SDRAM memory. | |||
|
CACHE CONFIGURATION |
|
Note: The location of the cache is unidentified. |
|
CPU SPEED SELECTION (CX 6X86) | |||||
|
CPU speed |
Clock speed |
Multiplier |
SW1/1 |
SW1/2 |
SW1/3 |
|
150MHz |
60MHz |
2x |
On |
Off |
Off |
|
166MHz |
66MHz |
2x |
On |
Off |
Off |
|
200MHz |
75MHz |
2x |
On |
Off |
Off |
|
CPU SPEED SELECTION (CX 6X86, CON'T) | ||||||
|
CPU speed |
Clock speed |
Multiplier |
JP4 |
JP5 |
JP6 |
JP25 |
|
150MHz |
60MHz |
2x |
2 & 3 |
1 & 2 |
1 & 2 |
1 & 2 |
|
166MHz |
66MHz |
2x |
1 & 2 |
1 & 2 |
1 & 2 |
1 & 2 |
|
200MHz |
75MHz |
2x |
1 & 2 |
2 & 3 |
1 & 2 |
1 & 2 |
|
Note: Pins designated should be in the closed position. | ||||||
|
CPU SPEED SELECTION (CX 6X86L) | |||||
|
CPU speed |
Clock speed |
Multiplier |
SW1/1 |
SW1/2 |
SW1/3 |
|
150MHz |
60MHz |
2x |
On |
Off |
Off |
|
166MHz |
66MHz |
2x |
On |
Off |
Off |
|
200MHz |
75MHz |
2x |
On |
Off |
Off |
|
CPU SPEED SELECTION (CX 6X86L, CON'T) | ||||||
|
CPU speed |
Clock speed |
Multiplier |
JP4 |
JP5 |
JP6 |
JP25 |
|
150MHz |
60MHz |
2x |
2 & 3 |
1 & 2 |
1 & 2 |
1 & 2 |
|
166MHz |
66MHz |
2x |
1 & 2 |
1 & 2 |
1 & 2 |
1 & 2 |
|
200MHz |
75MHz |
2x |
1 & 2 |
2 & 3 |
1 & 2 |
1 & 2 |
|
Note: Pins designated should be in the closed position. | ||||||
|
CPU SPEED SELECTION (CX MII) | |||||
|
CPU speed |
Clock speed |
Multiplier |
SW1/1 |
SW1/2 |
SW1/3 |
|
166MHz |
60MHz |
2.5x |
On |
On |
Off |
|
200MHz |
66MHz |
2.5x |
On |
On |
Off |
|
200MHz |
75MHz |
2x |
On |
Off |
Off |
|
233MHz |
66MHz |
3x |
Off |
On |
Off |
|
233MHz |
83MHz |
2x |
On |
Off |
Off |
|
266MHz |
66MHz |
3.5x |
Off |
Off |
Off |
|
CPU SPEED SELECTION (CX MII, CON'T) | ||||||
|
CPU speed |
Clock speed |
Multiplier |
JP4 |
JP5 |
JP6 |
JP25 |
|
166MHz |
60MHz |
2.5x |
2 & 3 |
1 & 2 |
1 & 2 |
1 & 2 |
|
200MHz |
66MHz |
2.5x |
1 & 2 |
1 & 2 |
1 & 2 |
1 & 2 |
|
200MHz |
75MHz |
2x |
1 & 2 |
2 & 3 |
1 & 2 |
1 & 2 |
|
233MHz |
66MHz |
3x |
1 & 2 |
1 & 2 |
1 & 2 |
1 & 2 |
|
233MHz |
83MHz |
2x |
2 & 3 |
2 & 3 |
1 & 2 |
2 & 3 |
|
266MHz |
66MHz |
3.5x |
1 & 2 |
1 & 2 |
1 & 2 |
1 & 2 |
|
Note: Pins designated should be in the closed position. | ||||||
|
CPU SPEED SELECTION (IDT C6) | |||||
|
CPU speed |
Clock speed |
Multiplier |
SW1/1 |
SW1/2 |
SW1/3 |
|
150MHz |
60MHz |
2.5x |
On |
Off |
Off |
|
180MHz |
60MHz |
3x |
Off |
On |
Off |
|
200MHz |
66MHz |
3x |
Off |
On |
Off |
|
CPU SPEED SELECTION (IDT C6, CON'T) | ||||||
|
CPU speed |
Clock speed |
Multiplier |
JP4 |
JP5 |
JP6 |
JP25 |
|
150MHz |
60MHz |
2.5x |
1 & 2 |
2 & 3 |
1 & 2 |
1 & 2 |
|
180MHz |
60MHz |
3x |
2 & 3 |
1 & 2 |
1 & 2 |
1 & 2 |
|
200MHz |
66MHz |
3x |
1 & 2 |
1 & 2 |
1 & 2 |
1 & 2 |
|
CPU SPEED SELECTION (AM K5) | |||||
|
CPU speed |
Clock speed |
Multiplier |
SW1/1 |
SW1/2 |
SW1/3 |
|
90MHz |
60MHz |
1.5x |
Off |
Off |
Off |
|
100MHz |
66MHz |
1.5x |
Off |
Off |
Off |
|
120MHz |
60MHz |
1.5x |
Off |
Off |
Off |
|
133MHz |
66MHz |
1.5x |
Off |
Off |
Off |
|
166MHz |
66MHz |
1.75x |
On |
On |
Off |
|
CPU SPEED SELECTION (AM K5, CON'T) | ||||||
|
CPU speed |
Clock speed |
Multiplier |
JP4 |
JP5 |
JP6 |
JP25 |
|
90MHz |
60MHz |
1.5x |
2 & 3 |
1 & 2 |
1 & 2 |
1 & 2 |
|
100MHz |
66MHz |
1.5x |
1 & 2 |
1 & 2 |
1 & 2 |
1 & 2 |
|
120MHz |
60MHz |
1.5x |
2 & 3 |
1 & 2 |
1 & 2 |
1 & 2 |
|
133MHz |
66MHz |
1.5x |
1 & 2 |
1 & 2 |
1 & 2 |
1 & 2 |
|
166MHz |
66MHz |
1.75x |
1 & 2 |
1 & 2 |
1 & 2 |
1 & 2 |
|
Note: Pins designated should be in the closed position. | ||||||
|
CPU SPEED SELECTION (AM K6) | |||||
|
CPU speed |
Clock speed |
Multiplier |
SW1/1 |
SW1/2 |
SW1/3 |
|
166MHz |
66MHz |
2.5x |
On |
On |
Off |
|
200MHz |
66MHz |
3x |
Off |
On |
Off |
|
233MHz |
66MHz |
3.5x |
Off |
Off |
Off |
|
266MHz |
66MHz |
4x |
On |
Off |
On |
|
300MHz |
66MHz |
4.5x |
On |
On |
On |
|
CPU SPEED SELECTION (AM K6, CON'T) | ||||||
|
CPU speed |
Clock speed |
Multiplier |
JP4 |
JP5 |
JP6 |
JP25 |
|
166MHz |
66MHz |
2.5x |
1 & 2 |
1 & 2 |
1 & 2 |
1 & 2 |
|
200MHz |
66MHz |
3x |
1 & 2 |
1 & 2 |
1 & 2 |
1 & 2 |
|
233MHz |
66MHz |
3.5x |
1 & 2 |
1 & 2 |
1 & 2 |
1 & 2 |
|
266MHz |
66MHz |
4x |
1 & 2 |
1 & 2 |
1 & 2 |
1 & 2 |
|
300MHz |
66MHz |
4.5x |
1 & 2 |
1 & 2 |
1 & 2 |
1 & 2 |
|
Note: Pins designated should be in the closed position. | ||||||
|
CPU SPEED SELECTION (AM K6-2) | |||||
|
CPU speed |
Clock speed |
Multiplier |
SW1/1 |
SW1/2 |
SW1/3 |
|
300MHz |
100MHz |
3x |
Off |
On |
Off |
|
CPU SPEED SELECTION (AM K6-2, CON'T) | ||||||
|
CPU speed |
Clock speed |
Multiplier |
JP4 |
JP5 |
JP6 |
JP25 |
|
300MHz |
100MHz |
3x |
1 & 2 |
1 & 2 |
2 & 3 |
2 & 3 |
|
CPU SPEED SELECTION (INTEL) | |||||
|
CPU speed |
Clock speed |
Multiplier |
SW1/1 |
SW1/2 |
SW1/3 |
|
90MHz |
60MHz |
1.5x |
Off |
Off |
Off |
|
100MHz |
66MHz |
1.5x |
Off |
Off |
Off |
|
120MHz |
60MHz |
2x |
On |
Off |
Off |
|
133MHz |
66MHz |
2x |
On |
Off |
Off |
|
150MHz |
60MHz |
2.5x |
On |
On |
Off |
|
166MHz |
66MHz |
2.5x |
On |
On |
Off |
|
200MHz |
66MHz |
3x |
Off |
On |
Off |
|
CPU SPEED SELECTION (INTEL, CON'T) | ||||||
|
CPU speed |
Clock speed |
Multiplier |
JP4 |
JP5 |
JP6 |
JP25 |
|
90MHz |
60MHz |
1.5x |
2 & 3 |
1 & 2 |
1 & 2 |
1 & 2 |
|
100MHz |
66MHz |
1.5x |
1 & 2 |
1 & 2 |
1 & 2 |
1 & 2 |
|
120MHz |
60MHz |
2x |
2 & 3 |
1 & 2 |
1 & 2 |
1 & 2 |
|
133MHz |
66MHz |
2x |
1 & 2 |
1 & 2 |
1 & 2 |
1 & 2 |
|
150MHz |
60MHz |
2.5x |
2 & 3 |
1 & 2 |
1 & 2 |
1 & 2 |
|
166MHz |
66MHz |
2.5x |
1 & 2 |
1 & 2 |
1 & 2 |
1 & 2 |
|
200MHz |
66MHz |
3x |
1 & 2 |
1 & 2 |
1 & 2 |
1 & 2 |
|
Note: Pins designated should be in the closed position. | ||||||
|
CPU SPEED SELECTION (INTEL MMX) | |||||
|
CPU speed |
Clock speed |
Multiplier |
SW1/1 |
SW1/2 |
SW1/3 |
|
150MHz |
60MHz |
2.5x |
On |
On |
Off |
|
166MHz |
66MHz |
2.5x |
On |
On |
Off |
|
200MHz |
66MHz |
3x |
Off |
On |
Off |
|
233MHz |
66MHz |
3.5x |
Off |
Off |
Off |
|
CPU SPEED SELECTION (INTEL MMX, CON'T) | ||||||
|
CPU speed |
Clock speed |
Multiplier |
JP4 |
JP5 |
JP6 |
JP25 |
|
150MHz |
60MHz |
2.5x |
2 & 3 |
1 & 2 |
1 & 2 |
1 & 2 |
|
166MHz |
66MHz |
2.5x |
1 & 2 |
1 & 2 |
1 & 2 |
1 & 2 |
|
200MHz |
66MHz |
3x |
1 & 2 |
1 & 2 |
1 & 2 |
1 & 2 |
|
233MHz |
66MHz |
3.5x |
1 & 2 |
1 & 2 |
1 & 2 |
1 & 2 |
|
Note: Pins designated should be in the closed position. | ||||||
|
CPU VOLTAGE SELECTION | |||||
|
Voltage |
SW1/4 |
SW1/5 |
SW1/6 |
SW1/7 |
SW1/8 |
|
1.30v |
Off |
Off |
Off |
Off |
On |
|
1.35v |
On |
Off |
Off |
Off |
On |
|
1.40v |
Off |
On |
Off |
Off |
On |
|
1.45v |
On |
On |
Off |
Off |
On |
|
1.50v |
Off |
Off |
On |
Off |
On |
|
1.55v |
On |
Off |
On |
Off |
On |
|
1.60v |
Off |
On |
On |
Off |
On |
|
1.65v |
On |
On |
On |
Off |
On |
|
1.70v |
Off |
Off |
Off |
On |
On |
|
1.75v |
On |
Off |
Off |
On |
On |
|
1.80v |
Off |
On |
Off |
On |
On |
|
1.85v |
On |
On |
Off |
On |
On |
|
1.90v |
Off |
Off |
On |
On |
On |
|
1.95v |
On |
Off |
On |
On |
On |
|
2.00v |
Off |
On |
On |
On |
On |
|
2.05v |
On |
On |
On |
On |
On |
|
2.1v |
On |
Off |
Off |
Off |
Off |
|
2.2v |
Off |
On |
Off |
Off |
Off |
|
2.3v |
On |
On |
Off |
Off |
Off |
|
2.4v |
Off |
Off |
On |
Off |
Off |
|
2.5v |
On |
Off |
On |
Off |
Off |
|
2.6v |
Off |
On |
On |
Off |
Off |
|
2.7v |
On |
On |
On |
Off |
Off |
|
2.8v |
Off |
Off |
Off |
On |
Off |
|
2.9v |
On |
Off |
Off |
On |
Off |
|
3.0v |
Off |
On |
Off |
On |
Off |
|
3.1v |
On |
On |
Off |
On |
Off |
|
3.2v |
Off |
Off |
On |
On |
Off |
|
3.3v |
On |
Off |
On |
On |
Off |
|
3.4v |
Off |
On |
On |
On |
Off |
|
3.5v |
On |
On |
On |
On |
Off |
|
DRAM CLOCK SELECTION | ||
|
Setting |
JP23 |
JP24 |
|
DRAM CLK = CPU CLK |
Pins 1 & 2 closed |
Pins 1 & 2 closed |
|
DRAM CLK = AGP CLK |
Pins 2 & 3 closed |
Pins 2 & 3 closed |