A-TREND TECHNOLOGY CORPORATION
ATC-5040
|
Device Type |
Mainboard |
|
Processor |
CX 6X86L/CX 6X86MX/AM K5/AM K6/Pentium/Pentium MMX |
|
Processor Speed |
120/133/150/166/180/200/233MHz |
|
Chip Set |
Intel 430TX |
|
Maximum Onboard Memory |
256MB (EDO & SDRAM supported) |
|
Cache |
512KB |
|
BIOS |
Award |
|
Dimensions |
305mm x 210mm |
|
I/O Options |
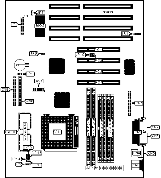
32-bit PCI slots (4), floppy drive interface, green PC connector, IDE interfaces (2), parallel port, PS/2 mouse port, serial ports (2), IR connector, USB connectors (2), ATX power connector |
|
CONNECTIONS | |||
|
Purpose |
Location |
Purpose |
Location |
|
ATX power connector |
ATX |
Serial port 2 |
CN2 |
|
Reset switch |
C1/pins 1 & 2 |
Parallel port |
CN3 |
|
Green PC connector |
C1/pins 4 & 5 |
USB connector 1 |
CN4 |
|
Turbo LED |
C1/pins 7 & 8 |
USB connector 2 |
CN5 |
|
IDE interface LED |
C1/pins 10 & 11 |
PS/2 mouse port |
CN6 |
|
Soft off power supply |
C1/pins 12 & 24 |
Floppy drive interface |
CN7 |
|
Speaker |
C1/pins 13 - 16 |
IDE interface 2 |
CN8 |
|
Power LED & keylock |
C1/pins 18 & 20 |
IDE interface 1 |
CN9 |
|
Chassis fan power |
C2 |
IR connector |
IR1 |
|
Serial port 1 |
CN1 |
32-bit PCI slots |
PC1 - PC4 |
|
USER CONFIGURABLE SETTINGS | |||
|
Function |
Label |
Position | |
|
One LED mode enabled |
JP1 |
Pins 2 & 3 closed | |
|
Two LED mode enabled |
JP1 |
Pins 1 & 2 closed | |
|
» |
Factory configured - do not alter |
JP7 |
Unidentified |
|
» |
CMOS memory normal operation |
JP8 |
Closed |
|
CMOS memory clear |
JP8 |
Open | |
|
USB ports (2 external) |
JP10 |
Pins 1 & 2, 4& 5 closed | |
|
USB ports (1 internak l, 1 external) |
JP10 |
Pins 2 & 3, 5 & 6 closed | |
|
» |
Factory configured - do not alter |
SW1/6 |
Off |
|
SIMM CONFIGURATION | ||
|
Size |
Bank 0 |
Bank 1 |
|
8MB |
(2) 1M x 36 |
None |
|
16MB |
(2) 2M x 36 |
None |
|
16MB |
(2) 1M x 36 |
(2) 1M x 36 |
|
24MB |
(2) 2M x 36 |
(2) 1M x 36 |
|
32MB |
(2) 4M x 36 |
None |
|
32MB |
(2) 2M x 36 |
(2) 2M x 36 |
|
40MB |
(2) 4M x 36 |
(2) 1M x 36 |
|
48MB |
(2) 4M x 36 |
(2) 2M x 36 |
|
64MB |
(2) 8M x 36 |
None |
|
64MB |
(2) 4M x 36 |
(2) 4M x 36 |
|
SIMM CONFIGURATION (CON'T) | ||
|
Size |
Bank 0 |
Bank 1 |
|
72MB |
(2) 8M x 36 |
(2) 1M x 36 |
|
80MB |
(2) 8M x 36 |
(2) 2M x 36 |
|
96MB |
(2) 8M x 36 |
(2) 4M x 36 |
|
128MB |
(2) 8M x 36 |
(2) 8M x 36 |
|
128MB |
(2) 16M x 36 |
None |
|
136MB |
(2) 16M x 36 |
(2) 1M x 36 |
|
144MB |
(2) 16M x 36 |
(2) 2M x 36 |
|
160MB |
(2) 16M x 36 |
(2) 4M x 36 |
|
192MB |
(2) 16M x 36 |
(2) 8M x 36 |
|
256MB |
(2) 16M x 36 |
(2) 16M x 36 |
|
Note: Board accepts EDO memory. | ||
|
DIMM CONFIGURATION | ||
|
Size |
Bank 2 |
Bank 3 |
|
8MB |
(1) 1M x 64 |
None |
|
16MB |
(1) 2M x 64 |
None |
|
16MB |
(1) 1M x 64 |
(1) 1M x 64 |
|
24MB |
(1) 2M x 64 |
(1) 1M x 64 |
|
32MB |
(1) 4M x 64 |
None |
|
32MB |
(1) 2M x 64 |
(1) 2M x 64 |
|
40MB |
(1) 4M x 64 |
(1) 1M x 64 |
|
48MB |
(1) 4M x 64 |
(1) 2M x 64 |
|
64MB |
(1) 8M x 64 |
None |
|
64MB |
(1) 4M x 64 |
(1) 4M x 64 |
|
72MB |
(1) 8M x 64 |
(1) 1M x 64 |
|
80MB |
(1) 8M x 64 |
(1) 2M x 64 |
|
96MB |
(1) 8M x 64 |
(1) 4M x 64 |
|
128MB |
(1) 16M x 64 |
None |
|
128MB |
(1) 8M x 64 |
(1) 8M x 64 |
|
136MB |
(1) 16M x 64 |
(1) 1M x 64 |
|
144MB |
(1) 16M x 64 |
(1) 2M x 64 |
|
160MB |
(1) 16M x 64 |
(1) 4M x 64 |
|
192MB |
(1) 16M x 64 |
(1) 8M x 64 |
|
256MB |
(1) 16M x 64 |
(1) 16M x 64 |
|
Note: Board accepts SDRAM memory. | ||
|
CACHE CONFIGURATION | |
|
Size |
Bank 0 |
|
512KB |
(2) 64K x 32 |
|
CPU SPEED SELECTION (CX 6X86L) | |||||||
|
CPU speed |
Clock speed |
Multiplier |
SW2/1 |
SW2/2 |
SW2/3 |
SW2/4 |
SW2/5 |
|
150MHz |
60MHz |
2x |
On |
On |
Off |
On |
Off |
|
166MHz |
66MHz |
2x |
On |
On |
On |
On |
Off |
|
200MHz |
75MHz |
2x |
On |
Off |
On |
On |
Off |
|
CPU SPEED SELECTION (CX 6X86MX) | |||||||
|
CPU speed |
Clock speed |
Multiplier |
SW2/1 |
SW2/2 |
SW2/3 |
SW2/4 |
SW2/5 |
|
150MHz |
60MHz |
2x |
On |
On |
Off |
On |
Off |
|
166MHz |
66MHz |
2x |
On |
On |
On |
On |
Off |
|
166MHz |
60MHz |
2.5x |
On |
On |
Off |
On |
On |
|
200MHz |
66MHz |
2.5x |
On |
On |
On |
On |
On |
|
200MHz |
75MHz |
2x |
On |
Off |
On |
On |
Off |
|
CPU SPEED SELECTION (AM K5) | |||||||
|
CPU speed |
Clock speed |
Multiplier |
SW2/1 |
SW2/2 |
SW2/3 |
SW2/4 |
SW2/5 |
|
100MHz |
66MHz |
1.5x |
On |
On |
On |
Off |
Off |
|
120MHz |
60MHz |
1.5x |
On |
On |
Off |
Off |
Off |
|
133MHz |
66MHz |
1.5x |
On |
On |
On |
Off |
Off |
|
166MHz |
66MHz |
2.5x |
On |
On |
On |
On |
On |
|
CPU SPEED SELECTION (AM K6) | |||||||
|
CPU speed |
Clock speed |
Multiplier |
SW2/1 |
SW2/2 |
SW2/3 |
SW2/4 |
SW2/5 |
|
166MHz |
66MHz |
2.5x |
On |
On |
On |
On |
On |
|
200MHz |
66MHz |
3x |
On |
On |
On |
Off |
On |
|
233MHz |
66MHz |
3.5x |
On |
On |
On |
Off |
Off |
|
CPU SPEED SELECTION (INTEL) | |||||||
|
CPU speed |
Clock speed |
Multiplier |
SW2/1 |
SW2/2 |
SW2/3 |
SW2/4 |
SW2/5 |
|
120MHz |
60MHz |
2x |
On |
On |
Off |
On |
Off |
|
133MHz |
66MHz |
2x |
On |
On |
On |
On |
Off |
|
150MHz |
60MHz |
2.5x |
On |
On |
Off |
On |
On |
|
166MHz |
66MHz |
2.5x |
On |
On |
On |
On |
On |
|
180MHz |
60MHz |
3x |
On |
On |
Off |
Off |
On |
|
200MHz |
66MHz |
3x |
On |
On |
On |
Off |
On |
|
CPU SPEED SELECTION (INTEL MMX) | |||||||
|
CPU speed |
Clock speed |
Multiplier |
SW2/1 |
SW2/2 |
SW2/3 |
SW2/4 |
SW2/5 |
|
166MHz |
66MHz |
2.5x |
On |
On |
On |
On |
On |
|
200MHz |
66MHz |
3x |
On |
On |
On |
Off |
On |
|
233MHz |
66MHz |
3.5x |
On |
On |
On |
Off |
Off |
|
CPU VOLTAGE SELECTION | ||||
|
Voltage |
JP12 |
JP13 |
JP14 |
JP15 |
|
2.1v |
Pins 2 & 3 closed |
Pins 1 & 2 closed |
Pins 1 & 2 closed |
Pins 1 & 2 closed |
|
2.8v |
Pins 1 & 2 closed |
Pins 1 & 2 closed |
Pins 1 & 2 closed |
Pins 2 & 3 closed |
|
2.9v |
Pins 2 & 3 closed |
Pins 1 & 2 closed |
Pins 1 & 2 closed |
Pins 2 & 3 closed |
|
3.2v |
Pins 1 & 2 closed |
Pins 1 & 2 closed |
Pins 2 & 3 closed |
Pins 2 & 3 closed |
|
3.3v |
Pins 2 & 3 closed |
Pins 1 & 2 closed |
Pins 2 & 3 closed |
Pins 2 & 3 closed |
|
3.5v |
Pins 2 & 3 closed |
Pins 2 & 3 closed |
Pins 2 & 3 closed |
Pins 2 & 3 closed |