ACHME COMPUTER, INC.

MS-5108

Processor

Pentium

Processor Speed

60/66MHz

Chip Set

SIS

Max. Onboard DRAM

128MB

Cache

256/512/1024KB

BIOS

AMI

Dimensions

330mm x 220mm

I/O Options

32-bit PCI slots (3), floppy drive interface, green PC connector, IDE interface (2),

parallel port, serial ports (2)

NPU Options

None

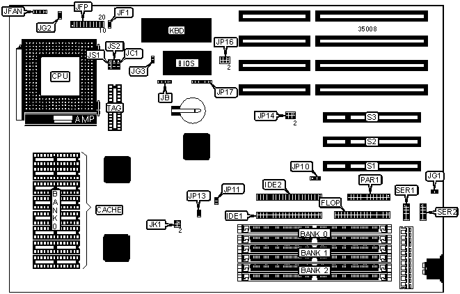
CONNECTIONS

Purpose

Location

Purpose

Location

Floppy drive interface

FLOP

Turbo LED

JFP (pins 12 - 13)

IDE interface (primary)

IDE1

Turbo switch

JFP (pins 15 - 17)

IDE interface (secondary)

IDE2

Reset switch

JFP (pins 19 - 20)

External battery

JB

Green PC connector (monitor)

JG1

IDE interface LED

JF1

Green PC LED

JG2

Chassis fan power

JFAN

Green PC connector

JG3

Keylock

JFP (pins 1 & 2)

Parallel port

PAR1

Power LED

JFP (pins 3 & 5)

32-bit PCI slots

S1 - S3

Green PC LED

JFP (pins 3 & 4)

Serial port 1

SER1

Speaker

JFP (pins 7 & 10)

Serial port 2

SER2

Sleep switch connector

JFP (pins 8 & 9)

   

USER CONFIGURABLE SETTINGS

Function

Jumper

Position

»

NA# disabled

JC1

pins 1 & 2 closed

 

NA# enabled

JC1

pins 2 & 3 closed

»

PCI IDE interface enabled

JP10

pins 1 & 2 closed

 

PCI IDE interface disabled

JP10

pins 2 & 3 closed

»

PCI IDE Digital Input Register enabled

JP11

Open

 

PCI IDE Digital Input Register disabled

JP11

Closed

»

PCI IDE register select 0B4h, 0B8h

JP13

Open

 

PCI IDE register select 034h, 038h

JP13

Closed

»

BIOS type select EPROM

JP17

pins 2 & 3, 4 & 5 closed

 

BIOS type select flash BIOS

JP17

pins 1 & 2, 5 & 6 closed

DRAM CONFIGURATION

Size

Bank 0

Bank 1

Bank 2

2MB

(2) 256K x 36

NONE

NONE

4MB

(2) 256K x 36

(2) 256K x 36

NONE

4MB

(2) 512K x 36

NONE

NONE

8MB

(2) 256K x 36

(2) 256K x 36

(2) 512K x 36

8MB

(2) 512K x 36

NONE

(2) 512K x 36

8MB

(2) 1M x 36

NONE

NONE

12MB

(2) 256K x 36

(2) 256K x 36

(2) 1M x 36

12MB

(2) 512K x 36

NONE

(2) 1M x 36

16MB

(2) 1M x 36

(2) 1M x 36

NONE

16MB

(2) 2M x 36

NONE

NONE

20MB

(2) 256K x 36

(2) 256K x 36

(2) 2M x 36

20MB

(2) 512K x 36

NONE

(2) 2M x 36

24MB

(2) 1M x 36

(2) 1M x 36

(2) 1M x 36

24MB

(2) 2M x 36

NONE

(2) 1M x 36

32MB

(2) 1M x 36

(2) 1M x 36

(2) 2M x 36

32MB

(2) 2M x 36

NONE

(2) 2M x 36

32MB

(2) 4M x 36

NONE

NONE

36MB

(2) 256K x 36

(2) 256K x 36

(2) 4M x 36

36MB

(2) 512K x 36

NONE

(2) 4M x 36

40MB

(2) 1M x 36

(2) 4M x 36

NONE

48MB

(2) 1M x 36

(2) 1M x 36

(2) 4M x 36

48MB

(2) 2M x 36

NONE

(2) 4M x 36

64MB

(2) 4M x 36

(2) 4M x 36

NONE

64MB

(2) 8M x 36

NONE

NONE

72MB

(2) 1M x 36

(2) 4M x 36

(2) 4M x 36

80MB

(2) 1M x 36

(2) 1M x 36

(2) 8M x 36

80MB

(2) 2M x 36

NONE

(2) 8M x 36

96MB

(2) 4M x 36

(2) 4M x 36

(2) 4M x 36

96MB

(2) 8M x 36

NONE

(2) 4M x 36

128MB

(2) 4M x 36

(2) 4M x 36

(2) 8M x 36

128MB

(2) 8M x 36

NONE

(2) 8M x 36

128MB

(2) 16M x 36

NONE

NONE

CACHE CONFIGURATION

Size

Bank 0

TAG

256KB

(8) 32K x 8

(1) 8K or (1) 16K or (1) 32K x 8

512KB

(8) 64K x 8

(1) 16K or (1) 32K x 8

1MB

(8) 128K x 8

(1) 32K x 8

CACHE JUMPER CONFIGURATION

Size

JS1

JS2

256KB

pins 1 & 2 closed

pins 1 & 2 closed

512KB

pins 2 & 3 closed

pins 1 & 2 closed

1MB

pins 2 & 3 closed

pins 2 & 3 closed

CPU SPEED CONFIGURATION

Normal mode speed

Green mode speed

JK1

60MHz

30MHz

pins 3 & 4 closed

66MHz

33MHz

pins 1 & 2, 3 & 4 closed

60MHz

60MHz

Open

66MHz

66MHz

pins 1 & 2 closed

DACK/DRQ CONFIGURATION

Setting

JP14

JP16

DACK#0/DREQ0

pins 1 & 2 closed

pins 1 & 2 closed

DACK#1/DREQ1

pins 3 & 4 closed

pins 3 & 4 closed

DACK#3/DREQ3

pins 5 & 6 closed

pins 5 & 6 closed