STONE MICROSYSTEMS (AUSTRALIA) LIMITED

AEON-MS PCI

Card Type

Video card

Video Chipset

S3 Trio 64V+

Maximum Video Memory

8MB DRAM

I/O Options

VGA out (4)

Data Bus

32-bit PCI

Video Types Supported

XVGA

Highest Resolution Supported

1600 x 1200

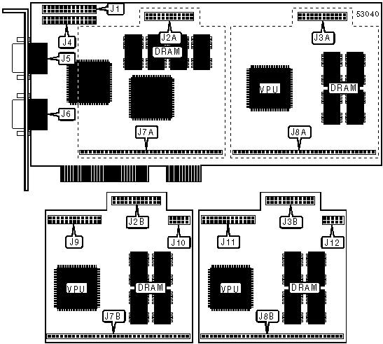
CONNECTIONS

Function

Label

Function

Label

Unidentified

J1

Header to daughterboard J7B

J7A

Header to daughterboard J2B

J2A

Header to main board J7A

J7B

Header to main board J2A

J2B

Header to daughterboard J8B

J8A

Header to daughterboard J3B

J3A

Header to main board J8A

J8B

Header to main board J3A

J3B

Unidentified

J9

Unidentified

J4

Header to external 15-pin analog video port

J10

15-pin analog video port

J5

Unidentified

J11

15-pin analog video port

J6

Header to external 15-pin analog video port

J12