AITECH INTERNATIONAL CORPORATION

GAMEPLAYERTV (W/O AUDIO)

Category

Video

Video Types Supported

XVGA

Video Processor

AITech International

Highest Resolution Supported

800 x 600

Data Bus Type

8-bit ISA

Memory Type

N/A

Maximum Onboard Memory

None

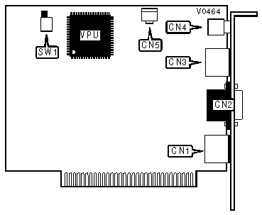
CONNECTIONS

Purpose

Location

Purpose

Location

DIN 8 connector (out to VGA card)

CN1

RCA video port

CN4

15-pin analog video port

CN2

Brightness control

CN5

DIN 8 connector (out to SVHS in)

CN3

   

HORIZONTAL VIDEO SYNCHRONIZATION

SW1

Toggle switch to the side which results in the best picture.