AITECH INTERNATIONAL CORPORATION

GAMEPLAYERTV

Category

Video/Sound

Video Types Supported

XVGA

Video Processor

AITech International

Highest Resolution Supported

800 x 600

Data Bus Type

8-bit ISA

Memory Type

N/A

Maximum Onboard Memory

None

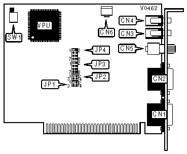
CONNECTIONS

Purpose

Location

Purpose

Location

GamePlayerTV cable connector

CN1

Audio line-in jack

CN4

15-pin analog video port

CN2

Volume control

CN5

Microphone jack

CN3

Brightness control

CN6

DMA CHANNEL SELECTION

DRQ

DACK

JP1

JP2

»

DRQ1

DACK1

Pins 2 & 3 closed

Pins 2 & 3 closed

 

DRQ3

DACK3

Pins 1 & 2 closed

Pins 1 & 2 closed

INTERRUPT SELECTION

IRQ

JP3

»

IRQ7

Pins 1 & 2 closed

 

IRQ2

Pins 7 & 8 closed

 

IRQ3

Pins 5 & 6 closed

 

IRQ5

Pins 3 & 4 closed

I/O ADDRESS SELECTION

ADDRESS

JP4

»

220

Pins 5 & 6, 7 & 8 closed

 

240

Pins 1 & 2, 3 & 4 closed

HORIZONTAL VIDEO SYNCHRONIZATION

SW1

Toggle switch to the side which results in the best picture.