VEN-TEL, INC.

PCM144FAX

Modem Type

Data (synchronous/asynchronous)/Fax

Maximum Data Rate

14.4Kbps

Maximum Fax Rate

14.4Kbps

Data Bus

8-bit ISA

Fax Class

Class I & II

Data Modulation Protocol

Bell 103A/212A

ITU-T V.21, V.22, V.22bis, V.32, V.32bis

Fax Modulation Protocol

ITU-T V.17, V.21CH2, V.27ter, V.29

Error Correction/Compression

MNP5, MNP10 V.42, V.42bis

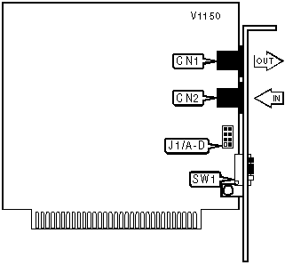
BASE I/O ADDRESS SELECTION

Address

SW1/1

SW1/2

SW1/3

SW1/4

3F8h (COM1:)

On

Off

Off

On

2F8h (COM2:)

Off

Off

On

Off

3E8h (COM3:)

On

On

Off

On

2E8h (COM4:)

Off

On

On

Off

INTERRUPT SELECTION

IRQ

SW1/1

SW1/2

J1/A

J1/B

J1/C

J1/D

3

On

Off

Open

Open

Open

Open

4

Off

On

Open

Open

Open

Open

5

Off

Off

Closed

Open

Open

Open

6

Off

Off

Open

Closed

Open

Open

7

Off

Off

Open

Open

Closed

Open

Proprietary AT Command Set

ABORT DIALING

Type:

Register

Format:

AT [cmds] S64=n [cmds]

Example:

AT S64=1<CR>

Description:

Selects whether dialing and handshaking sequences can be interrupted.

Command

Function

» S64=0

Dialing and handshaking are aborted on receipt of a character from the serial port.

S64=1

Characters received from the serial port during dialing and handshaking are ignored.

BIT-MAPPED REGISTER S14

Format

AT [cmds] S14=n [cmds]

Example:

ATS14=139<CR>

Default:

171

Range:

0 - 255

Unit:

Bit-mapped

Description:

Controls echo, quiet mode, result codes, dial mode, and originate/answer mode.

Bit

Value

Function

0

1

Not used.

1

0

» 1

Command echo function disabled.

Command echo function enabled.

2

» 0

1

Result code sending enabled.

Result code sending disabled.

3

0

» 1

Numeric format enabled.

Verbose format enabled.

4

0

Not used.

5

0

» 1

Tone dialing mode enabled.

Pulse dialing mode enabled.

6

» 0

1

Result codes normal.

Result codes disabled in answer mode.

7

0

» 1

Answer mode enabled.

Originate mode enabled.

BIT-MAPPED REGISTER S21

Format

AT [cmds] S21=n [cmds]

Example:

ATS21=1<CR>

Default:

0

Range:

0 - 255

Unit:

Bit-mapped

Description:

Controls low DTR action, DCD signal, and the Long Space Disconnect function.

Bit

Value

Function

0

0

Not used.

1

» 0

1

Profile 0 enabled.

Profile 1 enabled.

4, 3, 2

» 000

001

010

011

100

DTR signal ignored.

Modem goes to command mode on low DTR.

Modem disconnects on low DTR. Auto-Answer is disabled.

Modem is initialized on low DTR.

Modem dials default number on low DTR.

6, 5

» 00

01

10

DCD signal forced high.

DCD signal normal.

DCD signal forced high except during disconnect.

7

» 0

1

Long Space Disconnect function disabled.

Long Space Disconnect function enabled.

BIT-MAPPED REGISTER S22

Format

AT [cmds] S22=n [cmds]

Example:

ATS22=114<CR>

Default:

118

Range:

0 - 255

Unit:

Bit-mapped

Description:

Controls volume and speaker settings, result codes, and make/break pulse ratio.

Bit

Value

Function

1, 0

00

01

» 10

11

Lowest volume setting.

Low volume setting.

Medium volume setting

Highest volume setting.

3, 2

00

» 01

10

11

Speaker disabled.

Speaker enabled until carrier signal detected

Speaker enabled.

Speaker enabled following dialing, then disabled after carrier signal detected.

6, 5 ,4

000

100

101

110

» 111

Busy and dialtone detection disabled, result codes 0-4 enabled.

Busy and dialtone detection disabled, result codes 0-5, 10 enabled.

Busy tone detection disabled, dialtone detection enabled, result codes 0-6, 10 enabled.

Busy tone detection enabled, dialtone detection disabled, result codes 0-5, 7, 10 enabled.

Busy and dialtone detection enabled, result codes 0-7, 10 enabled.

7

0

Not used.

BIT-MAPPED REGISTER S23

Format

AT [cmds] S23=n [cmds]

Example:

ATS23=114<CR>

Default:

0, read-only (see note)

Range:

0 - 255

Unit:

Bit-mapped

Description:

Controls guard tones. Also indicates detected serial port speed and parity. Also provides storage for remote digital loopback tests.

Note:

All bits except bits 6 and 7 are read-only.

Bit

Value

Function

0

N/A

Reserved for internal use.

3, 2, 1

000

001

010

011

100

» 101

110

111

Local speed detected at 300bps.

Local speed detected at 600bps.

Local speed detected at 1200bps.

Local speed detected at 2400bps.

Local speed detected at 4800bps.

Local speed detected at 9600bps.

Local speed detected at 19200bps.

Local speed detected at 384 00bps.

5, 4

» 00

10

11

Even parity.

Odd parity.

No parity.

7, 6

» 00

01

10

Guard tone disabled.

550Hz guard tone enabled.

1800Hz guard tone enabled.

BIT-MAPPED REGISTER S27

Format

AT [cmds] S27=n [cmds]

Example:

ATS27=201<CR>

Default:

73

Range:

0 - 255

Unit:

Bit-mapped

Description:

Controls communications mode, DSR signal, and protocol type.

Note:

Be aware that bits 2 and 3 are out of order.

Bit

Value

Function

3, 1, 0

000

001

» 101

110

Asynchronous mode, serial port speed follows connect speed.

Asynchronous off-line command mode and synchronous connect mode.

Error-correcting mode.

Asynchronous mode, serial port speed locked.

2

0

Not used.

4

0

Not used.

5

0

Not used.

6

» 0

1

Select CCITT protocols.

Select Bell protocols.

7

» 0

1

DSR forced high.

DSR normal.

BIT-MAPPED REGISTER S39

Format

AT [cmds] S39=n [cmds]

Example:

ATS39=201<CR>

Range:

0 - 31

Unit:

Bit-mapped

Description:

Controls flow control and line type.

Bit

Value

Function

2, 1, 0

000

011

100

101

110

Flow control disabled.

Hardware flow control enabled.

Normal software flow control enabled.

Transparent software flow control enabled.

Unidirectional software flow control enabled.

4, 3

00

01

10

Switched line.

Leased line originate mode.

Leased line answer mode.

COMPRESSION

Type:

Register

Format:

AT [cmds] S41=n [cmds]

Example:

ATS41=2<CR>

Description:

Selects data compression and error correction.

Command

Function

S41=0

Data compression disabled.

S41=1

Data compression enabled.

S41=2

Error correction enabled.

S41=3

Data compression and error correction enabled.

COMPRESSION

Type:

Configuration

Format:

AT %Cn

Example:

AT %C0 *Y1<CR>

Description:

Selects data compression.

Command

Function

%C0

Data compression disabled.

%C1

Data compression enabled.

%C2

Data correction enabled.

» %C3

Data compression and correction enabled.

FLOW CONTROL

Type:

Configuration

Format:

AT [cmds] \Gn [cmds]

Example:

AT G1 &K3<CR>

Description:

Selects modem port flow control.

Command

Function

» \G0

Flow control disabled.

\G1

Flow control enabled.

LOOPBACK TESTS

Format

AT [cmds] S16=n [cmds]

Example:

ATS16=32<CR>

Default:

0

Range:

0 - 255

Unit:

Bit-mapped

Description:

Enables loopback tests.

Note:

Bit 3 is read-only.

Bit

Value

Function

0

» 0

1

Local analog loopback test disabled.

Local analog loopback test enabled.

1

0

Not used.

2

» 0

1

Local digital loopback test disabled.

Local digital loopback test enabled.

3

» 0

1

Modem is not performing remote digital loopback test.

Modem is performing remote digital loopback test.

4

» 0

1

Remote digital loopback test disabled.

Remote digital loopback test enabled.

5

» 0

1

Remote digital loopback with local self-test disabled.

Remote digital loopback with local self-test enabled.

6

» 0

1

Local analog loopback with local self-test disabled.

Local analog loopback with local self-test enabled.

MNP10 COMPRESSION

Type:

Configuration

Format:

AT [cmds] -Kn [cmds]

Example:

AT %C1 -K1 -Q0 <CR>

Description:

Selects MNP10 data compression.

Command

Function

» -K0

MNP10 disabled.

-K1

MNP10 enabled.

-K2

MNP10 enabled on originate mode only.

MNP10 FALL-BACK

Type:

Configuration

Format:

AT [cmds] -Qn [cmds]

Example:

AT *H0 -Q1 <CR>

Description:

Allows MNP10 to fall back to speeds slower than 4800bps.

Command

Function

-Q0

MNP10 at 2400 and 1200bps disabled.

» -Q1

MNP10 at 2400 and 1200bps enabled.

MNP10 LINK NEGOTIATION

Type:

Configuration

Format:

AT [cmds] *Hn [cmds]

Example:

AT *H0 -Q1 <CR>

Description:

Sets the speed at which MNP10 link negotiation will occur.

Command

Function

» *H0

Link will be negotiated at highest possible speed.

*H1

Link will be negotiated at 1200bps.

*H2

Link will be negotiated at 4800bps.

MNP10 POWER LEVEL ADJUST

Type:

Configuration

Format:

AT [cmds] )Mn [cmds]

Example:

AT )M1 %C1<CR>

Description:

Controls automatic transmit power level adjustment during MNP 10 link negotiation.

Command

Function

» )M0

Power level adjustment disabled.

)M1

Power level adjustment enabled.