SUPRA DIAMOND

SUPRAFAX MODEM V.32BIS

Card Type

Fax, Modem (synchronous/asynchronous)

Chip Set

Rockwell

Maximum Data Rate

14.4Kbps

Maximum Fax Rate

14.4Kbps

Data Bus

External

Fax Class

Class I & II

Data Modulation Protocol

Bell 103/212A

ITU-T V.21, V.22, V.22bis, V.23, V.32, V.32bis

Fax Modulation Protocol

ITU-T V.17, V.21CH2, V.27ter, V.29

Error Correction/Compression

MNP5, V.42bis

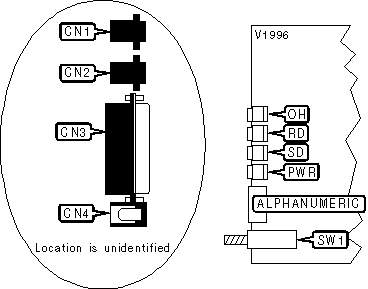
CONNECTIONS

Function

Label

Function

Label

Line out

CN1

DC power

CN4

Line in

CN2

Power switch

SW1

RS-232/422

CN3

   

DIAGNOSTIC LED(S)

LED

Color

Status

Condition

OH

Red

On

Modem is off-hook

OH

Red

Off

Modem is on-hook

RD

Red

On

Modem is receiving data

RD

Red

Off

Modem is not receiving data

SD

Red

On

Modem is transmitting data

SD

Red

Off

Modem is not transmitting data

PWR

Red

On

Power is on

PWR

Red

Off

Power is off

ALPH-NUMERIC DISPLAY

Display

Condition

OK

Modem is ready

AA

Auto-answer enabled

DI

Modem dialing a number

RI

Phone is ringing

CD

Carrier signal detected and modem is connected

LP

LAPM error correction activated

DC

MNP5 data compression activated

144

Modem connected at 14.4Kbps

120

Modem connected at 12Kbps

96

Modem connected at 9600bps

48

Modem connected at 4800bps

24

Modem connected at 2400bps

12

Modem connected at 1200bps

3

Modem connected at 300bps

RE

Receive error, local modem asking to retransmit data

TE

Transmission error, remote modem asking to resend data

RT

Either modem has requested to retrain

FX

Modem is connected in FAX mode

Proprietary AT Command Set

See document V1998 for a full command summary.