POWERCOM AMERICA, INC.

PM33V14I (ROCKWELL)

Card Type

Modem (asynchronous)

Chipset

Rockwell

I/O Options

Microphone in, speaker out, voice, speakerphone, SVD

Maximum Data Rate

33.6Kbps

Maximum Fax Rate

14.4Kbps

Data Modulation

Unidentified

Fax Modulation

Unidentified

Error Correction/Compression

MNP5, MNP10, V.42, V.42bis

Fax Class

Unidentified

Data Bus

8-bit ISA

Card Size

Full height, one-third length

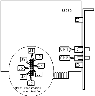
CONNECTIONS

Function

Label

Function

Label

Speaker out

CN1

Microphone in

CN2

SERIAL PORT ADDRESS SELECTION

Setting

J1

J2

J3

J4

3F8h (COM1:)

Closed

Closed

Open

Open

2F8h (COM2:)

Closed

Open

Open

Closed

3E8h (COM3:)

Open

Closed

Closed

Open

2E8h (COM4:)

Open

Open

Closed

Closed

INTERRUPT SELECTION

Setting

J5

J6

J7

J8

2

Closed

Open

Open

Open

3

Open

Closed

Open

Open

í 4

Open

Open

Closed

Open

5

Open

Open

Open

Closed

SUPPORTED STANDARD COMMANDS

Basic AT Commands

+++, ‘comma’, A/

A, B, D, E, H, L, M, N, O, P, Q, T, V, W, X, Y, Z

&C, &D, &F, &G, &K, &P, &Q, &R, &S, &T, &V, &W, &Y, &Z

Extended AT Commands

\A, \K, \N, \V

%C, %E, %L, %Q

Special AT Commands

-K

S-Registers

S0, S1, S2, S3, S4, S5, S6, S7, S8, S9, S10, S11, S12, S14, S16, S18, S22, S24, S25, S26, S29

S30, S32, S33, S39, S46, S48, S82, S91, S92

Note: See MHI help file for complete information.

UNIDENTIFIED COMMANDS

Command

Default

S21

4

S23

55

S27

74

S28

0

S31

194

S37

0

S41

13

Proprietary AT Command Set

DISPLAY INFORMATION

Type:

Immediate

Format:

AT [cmds] In [cmds]

Description:

Displays information requested about the modem.

Command

Function

I0

Displays product identification code.

I1

Displays ROM checksum.

I2

Tests and displays ROM checksum result.

I3

Displays firmware model, revision and interface type.

I4

Displays OEM string.

I5

Displays country code.

I6

Displays data pump model and revision.

SIMULTANEOUS VOICE AND DATA

Type:

Configuration

Format:

AT [cmds] -SMS=n [cmds]

Description:

Selects whether the modem will use SVD mode.

Command

Function

í -SMS=0

SVD mode disabled.

-SMS=2

SVD mode enabled.

SVD DATA BURST

Type:

Configuration

Format:

AT [cmds] -SMC=n [cmds]

Description:

Selects whether the modem will use data burst when in SVD mode.

Command

Function

-SMC=0

Data burst disabled.

í -SMC=1

Data burst enabled.

SVD PROTOCOL

Type:

Configuration

Format:

AT [cmds] -SQS=m,n [cmds]

Description:

Selects the modulation protocol the modem will use when in SVD mode.

Command

Function

m=0

V.61 protocol selected.

m=1

V.61+ protocol selected.

í m=2

V.34Q protocol selected.

í n=0

Auto-detection of correct protocol disabled.

n=1

Auto-detection of correct protocol enabled.

VOICE DEVICE

Type:

Configuration

Format:

AT [cmds] #VLS=n [cmds]

Description:

Selects the I/O device for the DSP chip.

Command

Function

í #VLS=0

Telephone line and handset used for voice I/O.

#VLS=5

Headset used for voice I/O.

#VLS=6

Speakerphone used for voice I/O.