PRACTICAL PERIPHERALS, INC.

PC288HC V.FC

Card Type

Fax, Modem (asynchronous)

Chip Set

Unidentified

Maximum Data Rate

28.8Kbps

Maximum Fax Rate

14.4Kbps

Data Bus

8-bit ISA

Fax Class

Class I & II

Data Modulation Protocol

Bell 103/212A

ITU-T V.21, V.22, V.22bis, V.23, V.32, V.32bis, V.34

Rockwell V.FC

Fax Modulation Protocol

ITU-T V.17, V.21CH2, V.27ter, V.29

Error Correction/Compression

MNP5, V.42bis

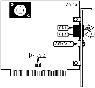
CONNECTIONS

Function

Label

Function

Label

Line out

CN1

Line in

CN2

SERIAL PORT ADDRESS

Setting

SW1/A

SW1/B

COM1 (3F8h)

On

On

í COM2 (2F8h)

On

Off

COM3 (3E8h)

Off

On

COM4 (2E8h)

Off

Off

INTERRUPT

Setting

JP1/A

JP1/B

JP1/C

2

Open

Closed

Open

í 3

Closed

Open

Open

4

Closed

Open

Open

5

Open

Open

Closed

Proprietary AT Command Set

SLEEP TIMER

Type:

Register

Format

AT [cmds] S24=n [cmds]

Default:

0

Range:

0-255

Unit:

1 second

Description:

Maximum duration of DTE and DCE inactivity allowed prior to initiating low-power sleep mode.

Note:

ATS24=0 will disable timer

INACTIVITY TIMER

Type:

Register

Format

AT [cmds] S30=n [cmds]

Default:

0

Range:

0-255

Unit:

10 seconds

Description:

Maximum duration of DTE and DCE inactivity allowed prior to initiating hang-up process.

Note:

ATS30=0 will disable timer

DIAL

Type:

Immediate

Format:

AT [cmds] D<#> [cmds]

Description:

Dials telephone number according to any modifiers included in the string

Note:

Any combination of modifiers can be used to produce the desired dial functions in sequence.

Modifier

Function

L

Re-dial last number

P

Pulse dialing enabled

R

Answer mode enabled, originate mode disabled following handshake initiation

S=n

Dial stored telephone number n

T

Tone dialing enabled

W

Dialing resumed following dial tone detection

,

Dialing paused for amount of time specified in S8 register

"

Letters enclosed in quotes are interpreted as numbers according to the telephone keypad

!

Modem commanded to go off-hook for specified time before returning on-hook

@

Wait for quiet answer

$

Waits for prompt tone for amount of time specified by the S7 register

;

Modem returned to command state after dialing

REPORT INFORMATION

Type:

Immediate

Format:

AT [cmds] In [cmds]

Description:

Displays information requested

Command

Function

I0

Reports product code

I1

Reports ROM checksum

I2

Tests and reports ROM checksum

I3

Reports firmware revision

I4

Returns numbers in bit-map format on software capabilities of the modem

I6

Reports data connection information

HELP SCREENS

Type:

Immediate

Format:

AT [cmds] $H [cmds]

Description:

Display help screens. To page forward use <space bar>, and to exit use <ESC>

COMPRESSION

Type:

Configuration

Format:

AT [cmds] %Cn [cmds]

Description:

Selects data compression

Command

Function

%C0

Data compression disabled

%C1

MNP5 enabled

%C2

V.42bis enabled

í %C3

MNP5 and V.42bis enabled

CLOCK DOUBLER

Type:

Configuration

Format:

AT [cmds] %BAUDn [cmds]

Description:

Controls clock doubler at the UART

Command

Function

%BAUD?

Reports current clock doubler setting

%BAUD=?

Reports available clock doubler modes

%BAUD0

Standard UART speed / clock doubler disabled

%BAUD1

Double specified UART speed clock doubler enabled

CALLER ID

Type:

Configuration

Format:

AT [cmds] %CCID=n [cmds]

Description:

Controls the Caller ID function

Command

Function

%CCID=0

Caller ID disabled

%CCID=1

Caller ID displays formatted data

%CCID=2

Caller ID displays raw hexadecimal data

DUMB MODE

Type:

Configuration

Format:

AT [cmds] %DUMBn [cmds]

Description:

Controls command recognition and result codes, dumb mode

Command

Function

í %DUMB0

Dumb mode disabled

%DUMB1

Dumb mode enabled

AUTO-RETRAIN - AUTO-FALLBACK/FALL-FORWARD

Type:

Configuration

Format:

AT [cmds] %En [cmds]

Description:

Controls auto-retrain mode and fallback/fall-forward

Command

Function

í %E0

Auto-retrain disabled

%E1

Auto-retrain enabled

%E2

Auto-fallback/fall-forward enabled

LINE SIGNAL LEVEL

Type:

Immediate

Format:

AT [cmds] %L [cmds]

Description:

Returns a value which indicates the received line signal level

LINE SIGNAL QUALITY

Type:

Immediate

Format:

AT [cmds] %Q [cmds]

Description:

Returns a value which indicates line signal quality (-dBm)

MAXIMUM BLOCK SIZE FOR TRANSMISSION

Type:

Configuration

Format:

AT [cmds] \An [cmds]

Description:

Sets the maximum transmittable block size

Command

Function

\A0

MNP block size is 64 characters

í \A1

MNP block size is 128 characters

\A2

MNP block size is 192 characters

\A3

MNP block size is 256 characters

BREAK SEND

Type:

Configuration

Format:

AT [cmds] \Bn [cmds]

Default:

3

Range:

1-9

Unit:

.1 second

Description:

Sends break to modem

AUTO-RELIABLE TIME BUFFER CONFIGURATION

Type:

Configuration

Format:

AT [cmds] \Cn [cmds]

Description:

Controls the handling of incoming data during auto-reliable time period

Command

Function

í \C0

Data is discarded

\C1

Data is buffered

\C2

Data is discarded; modem returns to normal mode on receiving auto-reliable fallback character.

ECHO DATA

Type:

Configuration

Format:

AT [cmds] \En [cmds]

Description:

Enables modem to echo received data

Command

Function

\E0

Data echo disabled

í \E1

Data echo enabled

FLOW CONTROL

Type:

Configuration

Format:

AT [cmds] \Gn [cmds]

Description:

Selects modem port flow control

Command

Function

í \G0

Flow control disabled

\G1

Flow control enabled

LOCK SERIAL PORT

Type:

Configuration

Format:

AT [cmds] \Jn [cmds]

Description:

Sets operation of serial port speed

Command

Function

í \J0

Serial speed locked

\J1

Serial speed follows connect speed

BREAK TYPE

Type:

Configuration

Format:

AT [cmds] \Kn [cmds]

Description:

Configures action of break signal

Command

Break from DTE

Modem receives \B

Break received from remote modem

\K0

Online command mode enabled, send no break to remote modem

Break sent to remote modem and buffered cleared

Buffers cleared, break sent to DTE

\K1

Break sent to remote modem and buffered cleared

Break sent to remote modem and buffered cleared

Buffers cleared, break sent to DTE

\K2

Online command mode enabled, send no break to remote modem

Send break to remote modem immediately

Break sent immediately to DTE

\K3

Send break to remote modem immediately

Send break to remote modem immediately

Break sent immediately to DTE

\K4

Online command mode enabled, send no break to remote modem

Send break with transmitted data

Break sent with received data to the DTE

í \K5

Send break with transmitted data

Send break with transmitted data

Break sent with received data to the DTE

MNP - STREAM/BLOCK MODE

Type:

Configuration

Format:

AT [cmds] \Ln [cmds]

Description:

Selects the transfer mode for MNP link

Command

Function

í \L0

Stream mode for MNP enabled

\L1

Block mode for MNP enabled

CONNECT MODE

Type:

Configuration

Format:

AT [cmds] \Nn [cmds]

Description:

Controls the type of connection the modem will operate in

Command

Function

\N0

Normal mode enabled

\N1

Direct mode enabled

\N2

Reliable mode enabled

\N3

Auto-reliable mode enabled

\N4

V.42 reliable mode enabled

\N5

MNP reliable mode enabled

FLOW CONTROL TYPE

Type:

Configuration

Format:

AT [cmds] \Qn [cmds]

Description:

Sets type of flow control used by modem

Command

Function

í \Q0

Flow control disabled

\Q1

XON/XOFF flow control enabled

\Q2

CTS flow control by DCE enabled

\Q3

RTS/CTS flow control enabled

CURRENT CONFIGURATION

Type:

Immediate

Format:

AT [cmds] \S [cmds]

Description:

Displays current operating parameters

INACTIVITY TIMER

Type:

Configuration

Format:

AT [cmds] \Tn [cmds]

Default:

0

Range:

0-90

Unit:

1 minute

Description:

Sets the length of time that the modem does not receive information before it disconnects.

Note:

AT\T0 will disable timer

EXTENDED RESULT CODES - MNP

Type:

Configuration

Format:

AT [cmds] \Vn [cmds]

Description:

Selects extended result codes (MNP)

Command

Function

\V0

Extended result codes disabled

í \V1

Extended result codes enabled

XON/XOFF PASS-THROUGH

Type:

Configuration

Format:

AT [cmds] \Xn [cmds]

Description:

Selects whether XON/XOFF signals are sent to remote modem

Command

Function

í \X0

XON/XOFF signals trapped by local modem

\X1

XON/XOFF passed through local modem