3COM CORPORATION

IMPACT (3C870, 3C875)

Card Type

ISDN TA

Chipset

Unidentified

Error Correction/Compression

STAC

ISDN Transfer Rate

56Kbps x 2/64Kbps x 2

ISDN Protocol

V.120, PPP

Switch Type

5ESS, DMS100, EWSD, NI-1

Data Bus

Serial

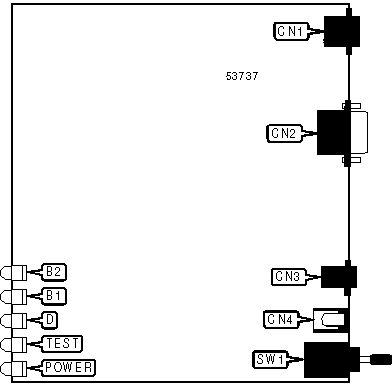
CONNECTIONS

Function

Label

Function

Label

ISDN interface

CN1

DC power in

CN4

Serial port

CN2

Power switch

SW1

Analog adapter

CN3

   

DIAGNOSTIC LED(S)

LED

Color

Status

Condition

B2

Green

On

Data call connected on B2 channel

B2

Yellow

On

Voice call connected on B2 channel

B2

Green

Blinking

TA is dialing data call on B2 channel

B2

Yellow

Blinking

TA is dialing voice call on B2 channel

B2

N/A

Off

B2 channel is not connected

B1

Green

On

Data call connected on B1 channel

B1

Yellow

On

Voice call connected on B1 channel

B1

Green

Blinking

TA is dialing data call on B1 channel

B1

Yellow

Blinking

TA is dialing voice call on B1 channel

B1

N/A

Off

B1 channel is not connected

DIAGNOSTIC LED(S) (CON'T)

LED

Color

Status

Condition

D

Yellow

On

Signal is not synchronized or ISDN line is not connected

D

Yellow

Blinking

Signal is synchronized but D-channel protocols not established

D

Yellow

Off

Signal is synchronized

TEST

Yellow

On

TA failed last test

TEST

Yellow

Blinking

TA is executing test

TEST

Yellow

Off

TA is not executing test

POWER

Yellow

On

Power is on

POWER

Yellow

Off

Power is off

SUPPORTED STANDARD COMMANDS

Basic AT Commands

+++, A/

A, D, E, H, O, V, Z

&D, &F, &W

Extended AT Commands

\Q, \T

S-Registers

S0

Note: See MHI help file for complete information.

UNIDENTIFIED COMMANDS

Command

Default

S63

Unidentified

S64

Unidentified

Proprietary AT Command Set

CALL TYPE

Type:

Register

Format:

AT [cmds] S61=n [cmds]

Description:

Selects the type of call the TA will make.

Command

Function

í S61=0

TA will dial according to dial modifiers.

S61=1

TA will place Switched 56 call.

S61=2

TA will place ISDN call.

S61=3

TA will place modem call.

S61=4

TA will place voice call.

S61=5

TA will use third-party call control.

See 3COM CORPORATION IMPACT (3C871) for a full command summary.