3COM CORPORATION

IMPACT (3C871, 3C876)

Card Type

ISDN TA

I/O Options

Analog adapter (optional)

Chipset

Unidentified

Error Correction/Compression

STAC

ISDN Transfer Rate

56Kbps x 2/64Kbps x 2

ISDN Protocol

V.120, PPP

Switch Type

5ESS, DMS100, EWSD, NI-1

Data Bus

Serial

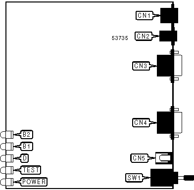
CONNECTIONS

Function

Label

Function

Label

ISDN interface

CN1

Serial port

CN4

Analog adapter

CN2

AC power in

CN5

Serial port

CN3

Power switch

SW1

Note: CN2 may not be present on all models.

DIAGNOSTIC LED(S)

LED

Color

Status

Condition

B2

Green

On

Data call connected on B2 channel

B2

Yellow

On

Voice call connected on B2 channel

B2

Green

Blinking

TA is dialing data call on B2 channel

B2

Yellow

Blinking

TA is dialing voice call on B2 channel

B2

N/A

Off

B2 channel is not connected

B1

Green

On

Data call connected on B1 channel

B1

Yellow

On

Voice call connected on B1 channel

B1

Green

Blinking

TA is dialing data call on B1 channel

B1

Yellow

Blinking

TA is dialing voice call on B1 channel

B1

N/A

Off

B1 channel is not connected

DIAGNOSTIC LED(S) (CON'T)

LED

Color

Status

Condition

D

Yellow

On

Signal is not synchronized or ISDN is not connected

D

Yellow

Blinking

Signal is synchronized but D-channel protocols not established

D

Yellow

Off

Signal is synchronized

TEST

Yellow

On

TA failed last test

TEST

Yellow

Blinking

TA is executing test

TEST

Yellow

Off

TA is not executing test

POWER

Yellow

On

Power is on

POWER

Yellow

Off

Power is off

SUPPORTED STANDARD COMMANDS

Basic AT Commands

+++, A/

A, D, E, H, O, V, Z

&D, &F, &W

Extended AT Commands

\Q, \T

S-Registers

S0

Note: See MHI help file for complete information.

Proprietary AT Command Set

CALL TYPE

Type:

Register

Format:

AT [cmds] S61=n [cmds]

Description:

Selects the type of call the ISDN will make. This register has no function on these models.

Command

Function

í S61=0

TA will dial according to dial modifiers.

S61=2

TA will place ISDN call.

CALLER ID - DATA

Type:

Register (read-only)

Format:

AT [cmds] S66? [cmds]

Description:

Displays the Caller ID information for data calls.

CALLER ID - VOICE

Type:

Register (read-only)

Format:

AT [cmds] S65? [cmds]

Description:

Displays the Caller ID information for voice calls.

DCD SIGNAL

Type:

Configuration

Format:

AT [cmds] &Cn [cmds]

Description:

Controls the behaviour of the DCD signal.

Command

Function

í &C0

DCD forced high.

&C1

DCD forced high after carrier signal is detected.

&C2

DCD forced high except at disconnect.

DISPLAY FIRMWARE REViSION

Type:

Immediate

Format:

AT [cmds] %V [cmds]

Description:

Displays the TA's firmware revision.

DISPLAY INFORMATION

Type:

Immediate

Format:

AT [cmds] In [cmds]

Description:

Displays information requested about the TA.

Command

Function

I0

Displays product identification code.

I1

Displays ROM checksum.

I4

Displays numeric product identification code, precomputed checksum value, firmware revision, model name, interface type, country code, and data pump model.

DISPLAY MODIFIED COMMANDS

Type:

Immediate

Format:

AT [cmds] \S [cmds]

Description:

Displays the settings of all commands that have been modified.

DISPLAY REGISTERS

Type:

Immediate

Format:

AT [cmds] %R [cmds]

Description:

Displays the settings of all status registers.

DYNAMIC BANDWIDTH ALLOCATION

Type:

Register

Format:

AT [cmds] S70=n [cmds]

Description:

Selects whether dynamic bandwidth allocation will be used to allow simultaneous data and voice calls.

Command

Function

S70=0

Dynamic bandwidth allocation disabled.

í S70=1

Dynamic bandwidth allocation enabled.

ENDPOINT DISCRIMINATOR

Type:

Register

Format:

AT [cmds] S83=nnnn [cmds]

Description:

Sets the endpoint discriminator address for multipoint PPP systems. Up to twenty numbers may be specified.

ENDPOINT DISCRIMINATOR CLASS

Type:

Configuration

Format:

AT [cmds] S82=n [cmds]

Description:

Sets the endpoint discriminator class for multipoint PPP systems.

Command

Function

S82=1

User-defined address.

S82=2

IP address.

S82=3

802.1 MAC address.

S82=4

PPP magic number block.

í S82=5

Public Switched Network Directory number.

LINE SPEED

Type:

Register

Format:

AT [cmds] S60=n [cmds]

Description:

Selects the line speed that the TA will attempt to connect at.

Command

Function

í S60=56

TA will attempt to connect at 56Kbps.

S60=64

TA will attempt to connect at 64Kbps.

LOCAL SERIAL PORT SPEED

Type:

Configuration

Format:

AT [cmds] $Bn [cmds]

Description:

Sets the speed that the TA will communicate with the DTE.

Command

Function

í $B0

Auto-detects current serial port speed.

$B1200

Sets the serial port to 1200bps.

$B2400

Sets the serial port to 2400bps.

$B4800

Sets the serial port to 4800bps.

$B9600

Sets the serial port to 9600bps.

$B19200

Sets the serial port to 19.2Kbps.

$B38400

Sets the serial port to 38.4Kbps.

$B57600

Sets the serial port to 57.6Kbps.

$B115200

Sets the serial port to 115.2Kbps.

MULTILINK PPP

Type:

Register

Format:

AT [cmds] S80=n [cmds]

Description:

Selects whether the TA will use Multilink PPP.

Command

Function

S80=0

Multilink PPP disabled.

í S80=1

Multilink PPP enabled.

MULTILINK PPP - SECOND PHONE NUMBER

Type:

Register

Format:

AT [cmds] S81=<#> [cmds]

Description:

Sets the second phone number to be dialed when attempting to connect with multilink PPP. If this register is left blank then the number given with the D command will also be dialed for the second number.

PHONE NUMBER 1

Type:

Register

Format:

AT [cmds] S51=<#> [cmds]

Description:

Sets the TA’s first phone number.

PHONE NUMBER 2

Type:

Register

Format:

AT [cmds] S53=<#> [cmds]

Description:

Sets the TA’s second phone number.

PROTOCOL - B-CHANNEL

Type:

Register

Format:

AT [cmds] S71=n [cmds]

Description:

Selects the protocol the TA will use on the B channels.

Command

Function

í S71=0

Auto-select common protocol.

S71=1

TA will use PPP conversion.

S71=2

TA will use V.120.

RESULT CODES

Type:

Configuration

Format:

AT [cmds] Qn [cmds]

Description:

Enables modem to send result codes to the DTE.

Command

Function

í Q0

Result code sending enabled.

Q1

Result code sending disabled.

Q2

Result code sending enabled on originate mode only.

SERVICE PROFILE IDENTIFIER 1

Type:

Register

Format:

AT [cmds] S52=<#> [cmds]

Description:

Sets the TA’s first SPID.

SERVICE PROFILE IDENTIFIER 2

Type:

Register

Format:

AT [cmds] S54=<#> [cmds]

Description:

Sets the TA’s second SPID.

SWITCH TYPE

Type:

Register

Format:

AT [cmds] S50=n [cmds]

Description:

Selects the type of IDSN switch the TA is connected to.

Command

Function

1

AT&T 5ESS custom switch type.

í 3

NI-1/AT&T 5ESS switch type.

6

NI-1/National Telecom NI-1 or Siemens EWSD switch type.

TERMINAL ENDPOINT IDENTIFIER 1

Type:

Register (read-only)

Format:

AT [cmds] S55? [cmds]

Description:

Displays the first TEI assigned by the ISDN switch. A value of 255 indicated that the switch did not assign a TEI.

TERMINAL ENDPOINT IDENTIFIER 1 STATUS

Type:

Register (read-only)

Format:

AT [cmds] S57? [cmds]

Description:

Returns a value indicating the status of the first TEI.

Value

Meaning

0

TA has not attempted to initialize with SPID 1.

1

TA succeeded in initializing with SPID 1.

2

TA failed in initializing with SPID 1.

TERMINAL ENDPOINT IDENTIFIER 2

Type:

Register (read-only)

Format:

AT [cmds] S56? [cmds]

Description:

Displays the second TEI assigned by the ISDN switch. A value of 255 indicated that the switch did not assign a TEI.

TERMINAL ENDPOINT IDENTIFIER 2 STATUS

Type:

Register (read-only)

Format:

AT [cmds] S58? [cmds]

Description:

Returns a value indicating the status of the second TEI.

Value

Meaning

0

TA has not attempted to initialize with SPID 2.

1

TA succeeded in initializing with SPID 2.

2

TA failed in initializing with SPID 2.

U INTERFACE STATUS

Type:

Register (read-only)

Format:

AT [cmds] S59? [cmds]

Description:

Returns a value indicating the status of the U interface.

Command

Function

0

U interface is not synchronized.

1

U interface is synchronized.

V.120 FRAME TYPE

Type:

Register

Format:

AT [cmds] S73=n [cmds]

Description:

Selects the frame type that the TA will use when in V.120 mode.

Command

Function

í S73=0

TA will use I frames.

S73=1

TA will use UI frames.

V.120 MAXIMUM FRAME SIZE

Type:

Register

Format:

AT [cmds] S74=n [cmds]

Default:

256

Range:

240 - 256

Unit:

1 byte

Description:

Selects the maximum frame size used for V.120 mode.

Note:

Adtran ISDN uses a maximum frame size of 253 bytes.