GVC TECHNOLOGIES, INC.
NIC-2003
|
NIC Type |
Ethernet |
|
Transfer Rate |
10Mbps |
|
Data Bus |
8-bit ISA |
|
Topology |
Linear Bus, Star |
|
Wiring Type |
Unshielded twisted pair RG58A/U 50ohm coaxial AUI transceiver via DB-15 port |
|
Boot ROM |
Available |
|
BASE MEMORY ADDRESS CONFIGURATION | ||||||
|
Address |
Shared Memory Size |
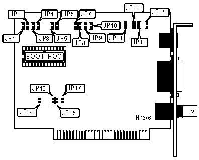
JP1 |
JP2 |
JP3 |
JP4 | |
| » |
N/A |
No Boot PROM |
Open |
Open |
Open |
Open |
|
C000h |
8KB/16KB |
Open |
Open |
Closed |
Open | |
|
C400h |
8KB/16KB |
Open |
Open |
Closed |
Closed | |
|
C800h |
8KB/16KB |
Open |
Closed |
Open |
Open | |
|
CC00h |
8KB/16KB |
Open |
Closed |
Open |
Closed | |
|
D000h |
8KB/16KB |
Open |
Closed |
Closed |
Open | |
|
D400h |
8KB/16KB |
Open |
Closed |
Closed |
Closed | |
|
D800h |
8KB/16KB |
Closed |
Open |
Op-en |
Open | |
|
DC00h |
8KB/16KB |
Closed |
Open |
Open |
Closed | |
|
C000h |
32KB/32KB |
Closed |
Open |
Closed |
Open | |
|
C800h |
32KB/32KB |
Closed |
Open |
Closed |
Closed | |
|
D000h |
32KB/32KB |
Closed |
Closed |
Open |
Open | |
|
D800h |
32KB/32KB |
Closed |
Closed |
Open |
Closed | |
|
C000h |
64KB/64KB |
Closed |
Closed |
Closed |
Open | |
|
D000h |
64KB/64KB |
Closed |
Closed |
Closed |
Closed | |
|
CABLE TYPE | ||
|
Type |
JP5 |
JP6 |
|
RG58A/U 50ohm coaxial |
Open |
Closed |
|
AUI transceiver via DB-15 port |
Closed |
Open |
|
TPI (Reduced Squelch) |
Closed |
Closed |
|
Unshielded twisted pair |
Open |
Open |
|
CHANNEL READY CONFIGURATION | ||
|
Setting |
JP12 | |
| » |
Channel Ready generated after command strobe |
Open |
|
Channel ready generated after BALE goes high |
Closed | |
|
EECONFIG | ||
|
Setting |
JP18 | |
| » |
Software Configuration |
Closed |
|
Hardware (jumpers) Configuration |
Open | |
|
INTERRUPT SELECT | |||||
|
IRQ |
JP7 |
JP8 |
JP9 |
JP10 | |
| » |
IRQ3 |
Closed |
Open |
Open |
Open |
|
IRQ4 |
Closed |
Open |
Open |
Closed | |
|
IRQ5 |
Closed |
Open |
Closed |
Open | |
|
IRQ9 |
Closed |
Open |
Closed |
Closed | |
|
IRQ10 |
Closed |
Closed |
Open |
Open | |
|
IRQ11 |
Closed |
Closed |
Open |
Closed | |
|
IRQ12 |
Closed |
Closed |
Closed |
Open | |
|
IRQ15 |
Closed |
Closed |
Closed |
Closed | |
|
I/O BASE ADDRESS CONFIGURATION | ||||
|
Address |
JP15 |
JP16 |
JP17 | |
| » |
300h |
Open |
Open |
Open |
|
Software |
Open |
Open |
Closed | |
|
240h |
Open |
Closed |
Open | |
|
280h |
Open |
Closed |
Closed | |
|
2C0h |
Closed |
Open |
Open | |
|
320h |
Closed |
Open |
Closed | |
|
340h |
Closed |
Closed |
Open | |
|
360h |
Closed |
Closed |
Closed | |
|
IO16CON CONFIGURATION | ||
|
Setting |
JP13 | |
| » |
IO16 generated only on address decode |
Open |
|
IO16 generated after IORD or IOWR go active |
Closed | |
|
LINK-TEST CONFIGURATION | ||
|
Setting |
JP11 | |
| » |
Link Test enabled |
Open |
|
Link Test disabled |
Closed | |
|
MEMORY/IO MODE CONFIGURATION | ||
|
Setting |
JP14 | |
| » |
I/O Mode |
Open |
|
Shared Memory Mode |
Closed | |