EDIMAX COMPUTER COMPANY

1000T

NIC Type

Ethernet

Transfer Rate

10Mbps

Data Bus

8-bit ISA

Topology

Star

Wiring Type

Unshielded twisted pair

AUI transceiver via DB-15 port

Boot ROM

Available

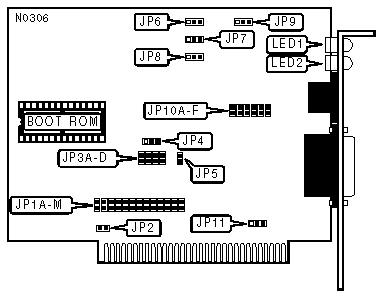
CONNECTORS

Setting

Jumper

External power LED

JP2

I/O BASE ADDRESS

Address

JP1A

JP1B

JP1C

»

300h

Closed

Closed

Closed

 

320h

Closed

Closed

Open

 

340h

Closed

Open

Closed

 

360h

Closed

Open

Open

INTERRUPT SETTINGS

IRQ

JP1D

JP1E

JP1F

JP1G

JP1H

JP1I

2

Closed

Open

Open

Open

Open

Open

3

Open

Closed

Open

Open

Open

Open

4

Open

Open

Closed

Open

Open

Open

5

Open

Open

Open

Closed

Open

Open

6

Open

Open

Open

Open

Closed

Open

7

Open

Open

Open

Open

Open

Closed

DMA CHANNEL

Channel

JP1J

JP1K

JP1L

JP1M

DMA1

Closed

Open

Closed

Open

DMA3

Open

Closed

Open

Closed

BOOT ROM ADDRESS

Address

JP3A

JP3B

JP3C

JP3D

 

C0000h

Closed

Closed

Closed

Closed

 

C4000h

Open

Closed

Closed

Closed

»

C8000h

Closed

Open

Closed

Closed

 

CC000h

Open

Open

Closed

Closed

 

D0000h

Closed

Closed

Open

Closed

 

D4000h

Open

Closed

Open

Closed

 

D8000h

Closed

Open

Open

Closed

 

DC000h

Open

Open

Open

Closed

CABLE TYPE

Type

JP4

JP10A-JP10F

JP11

AUI transceiver via DB-15 port

Pins 2 & 3 Closed

Open

Pins 1 & 2 Closed

Shielded/Unshielded twisted pair

Pins 2 & 3 Closed

Closed

Pins 2 & 3 Closed

BOOT ROM

Setting

JP5

»

Disabled

Open

 

Enabled

Closed

AUTOPOLARITY

Setting

JP6

»

Enabled

Pins 1 & 2 Closed

 

Disabled

Pins 2 & 3 Closed

Note: When disabled, if the wires' polarities are reversed, the card may be damaged.

SQE (SIGNAL QUALITY ERROR)

Setting

JP7

»

Enabled

Pins 1 & 2 Closed

 

Disabled

Pins 2 & 3 Closed

Note: Signal Quality Error (SQE), is an internal check of the collision circuitry and path.

SEGMENT LENGTH

Maximum Length

JP8

»

185 meters

Pins 2 & 3 closed

 

300 meters

Pins 1 & 2 closed

Note:Segment length is the total length of cable between the two farthest cards on the segment. Each card on the segment must have this option set the same.

LINK INTEGRITY TEST

Setting

JP9

»

Enabled

Pins 1 & 2 Closed

 

Disabled

Pins 2 & 3 Closed

DIAGNOSTIC LED(S)

LED

Color

Status

Condition

LED1

Yellow

On

A reversed twisted pair is detected and corrected

LED2

Green

On

A properly functioning twisted pair is detected