CABLETRON SYSTEMS, INC.

E1100 SERIES

NIC Type

Ethernet

Transfer Rate

10Mbps

Data Bus

8-bit ISA

Topology

Star

Linear Bus

(Depending on the model)

Wiring Type

Various (Depending on the model)

Boot ROM

Available

MISCELLANEOUS NOTES

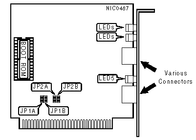
The jumper settings for the entire line of E1100 card are exactly the same. To save space we have only listed these settings once instead of including a table for each card. The only differences between the models are the wiring types and topologies.

I/O BASE ADDRESS

Address

JP1A

JP1B

220 - 23Fh

Closed

Closed

280 - 29Fh

Closed

Open

300 - 31Fh

Open

Closed

380 - 39Fh

Open

Open

BOOT ROM ADDRESS & INTERRUPT REQUEST

Address

IRQ

JP2A

JP2B

»

Disabled

Software Select

Open

Open

 

C0000h

IRQ3

Closed

Closed

 

D0000h

IRQ5

Open

Closed

 

E0000h

IRQ7

Closed

Open

DIAGNOSTIC LED(S)

LED

Color

Status

Condition

LED1

Green

Blinking

Data is being transmitted

LED1

Green

Off

Data is not being transmitted

LED2

Red

Blinking

Collision detected on network

LED2

Red

Off

Normal operation

LED3

Yellow

Blinking

Data is being received

LED3

Yellow

Off

Data is not being received

LED4

Green

On

Card is powered/Twisted pair network conneciton is good

LED4

Green

Off

Card is not powered/Twisted pair network conneciton is broken

LED5

Green

On

Lower twisted pair network conneciton is good

LED5

Green

Off

Lower twisted pair network conneciton is broken

Note:On NICs that have twisted pair connectors LED 4 designates the state of the connection, while on NICs that do not have twisted -pair connectors LED 4 indicates if power is applied to the card. LED 5 is present only on cards that have two RJ-45 connectors.