ADDTRON TECHNOLOGY CO., LTD.

ET-10F1

Device Type

Transceiver

NIC Type

Ethernet

Maximum Onboard Memory

Unidentified

Boot ROM

Not available

Network Transfer Rate

10Mbps

Topology

Star

Wiring Type

Fiber Optic cable - ST

Data Bus

External

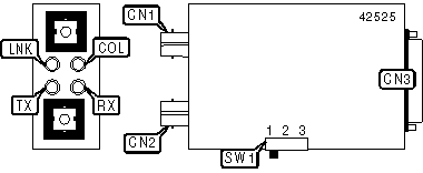
CONNECTIONS

Function

Label

Function

Label

Fiber optic connector (ST)

CN1

AUI transceiver via DB-15

CN3

Fiber optic connector (ST)

CN2

   

USER CONFIGURABLE SETTINGS

Function

Label

Position

»

SQE test function enabled

SW1

1

 

SQE test function disabled

SW1

2

 

Loopback test initiated

SW1

3

DIAGNOSTIC LED(S)

LED

Color

Status

Condition

RX

Unidentified

Blinking

Data is being received

RX

Unidentified

On

Heavy LAN traffic load

RX

Unidentified

Off

Data is not being received

TX

Unidentified

Blinking

Data is being transmitted

TX

Unidentified

On

Large data is being transmitted

TX

Unidentified

Off

Data is not being transmitted

LNK

Unidentified

On

Network connection is good

LNK

Unidentified

Off

Network connection is broken

COL

Unidentified

Blinking

Collision detected on network

COL

Unidentified

Off

Collision not detected on network

COL

Unidentified

On

Possible error occurred