ACCTON TECHNOLOGY CORPORATION

TRANSPAIR-ST (EN2033)

Card Type

Ethernet Transceiver

NIC Type

Ethernet

Maximum Onboard Memory

Unidentified

Boot ROM

Not available

Network Transfer Rate

10Mbps

Topology

Linear Bus

Wiring Type

RJ-45 Unshielded twisted pair, Fiber optic cable

Data Bus

External

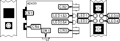
CONNECTIONS

Function

Label

Function

Label

RJ-45 connector

CN1

ST receive connector

CN3

ST transmit connector

CN2

DC power connector

CN4

USER CONFIGURABLE SETTINGS

Function

Label

Position

MDI function enabled

SW1

On

MDI function disabled

SW1

Off

DIAGNOSTIC LED(S)

LED

Color

Status

Condition

LED1

Green

On

UTP network connection is good

LED1

Green

Off

UTP network connection is broken

LED2

Yellow

Blinking

Data is being transmitted or received

LED2

Yellow

Off

Data is not being transmitted or received

LED3

Green

On

Fiber network connection is good

LED3

Green

Off

Fiber network connection is broken

LED4

Green

On

Power is connected

LED4

Green

Off

Power is not connected