ZIDA TECHNOLOGIES, INC.

6MFX (VER. 1.00)

Device Type

Mainboard

Processor

Pentium II

Processor Speed

233/266MHz

Chip Set

Intel 440FX

Video Chip Set

None

Maximum Onboard Memory

256MB (EDO supported)

Maximum Video Memory

None

Cache

256/512KB (located on Pentium II CPU)

BIOS

AMI

Dimensions

309mm x 235mm

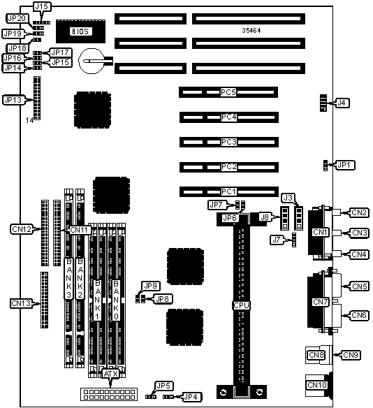
I/O Options

32-bit PCI slots (5), floppy drive interface, game/MIDI port, green PC connector, IDE interfaces (2), parallel port, PS/2 mouse port, serial ports (2), IR connector, USB connectors (2), ATX power connector, line in, line out, microphone in, audio in – CD-ROMs (2)

NPU Options

None

CONNECTIONS

Purpose

Location

Purpose

Location

ATX power connector

ATX

Auxiliary connector

J4

Game/MIDI port

CN1

Auxiliary in connector

J7

Microphone in

CN2

Audio in – CD-ROM

J8

Line out

CN3

IR connector

J15

Line in

CN4

Speaker

JP1

Parallel port

CN5

CPU fan power

JP4

Serial port 1

CN6

CPU fan power

JP5

Serial port 2

CN7

Power LED & keylock

JP13/pins 1 – 5

USB connector 1

CN8

Green PC connector

JP13/pins 7 & 8

USB connector 2

CN9

Speaker

JP13/pins 10 – 13

PS/2 mouse port

CN10

IDE interface LED

JP13/pins 14 & 15

IDE interface 1

CN11

Soft off power supply

JP13/pins 17 & 18

IDE interface 2

CN12

Reset switch

JP13/pins 22 & 23

Floppy drive interface

CN13

Turbo LED

JP13/pins 25 & 26

Audio in – CD-ROM

J3

32-bit PCI slots

PC1 – PC5

USER CONFIGURABLE SETTINGS

Function

Label

Position

»

Factory configured - do not alter

JP18

Open

»

Factory configured - do not alter

JP19

Pins 1 & 2 closed

»

Factory configured - do not alter

JP20

Pins 1 & 2 closed

SIMM CONFIGURATION

Size

Bank 0

Bank 1

8MB

(2) 1M x 36

None

16MB

(2) 2M x 36

None

16MB

(2) 1M x 36

(2) 1M x 36

24MB

(2) 2M x 36

(2) 1M x 36

32MB

(2) 4M x 36

None

32MB

(2) 2M x 36

(2) 2M x 36

40MB

(2) 4M x 36

(2) 1M x 36

48MB

(2) 4M x 36

(2) 2M x 36

64MB

(2) 8M x 36

None

64MB

(2) 4M x 36

(2) 4M x 36

72MB

(2) 8M x 36

(2) 1M x 36

80MB

(2) 8M x 36

(2) 2M x 36

SIMM CONFIGURATION (CON’T)

Size

Bank 0

Bank 1

96MB

(2) 8M x 36

(2) 4M x 36

128MB

(2) 8M x 36

(2) 8M x 36

128MB

(2) 16M x 36

None

136MB

(2) 16M x 36

(2) 1M x 36

144MB

(2) 16M x 36

(2) 2M x 36

160MB

(2) 16M x 36

(2) 4M x 36

192MB

(2) 16M x 36

(2) 8M x 36

256MB

(2) 16M x 36

(2) 16M x 36

Note: Board accepts EDO memory.

DIMM CONFIGURATION

Size

Bank 2

Bank 3

8MB

(1) 1M x 64

None

16MB

(1) 2M x 64

None

16MB

(1) 1M x 64

(1) 1M x 64

24MB

(1) 2M x 64

(1) 1M x 64

32MB

(1) 4M x 64

None

32MB

(1) 2M x 64

(1) 2M x 64

40MB

(1) 4M x 64

(1) 1M x 64

48MB

(1) 4M x 64

(1) 2M x 64

64MB

(1) 8M x 64

None

64MB

(1) 4M x 64

(1) 4M x 64

72MB

(1) 8M x 64

(1) 1M x 64

80MB

(1) 8M x 64

(1) 2M x 64

96MB

(1) 8M x 64

(1) 4M x 64

128MB

(1) 16M x 64

None

128MB

(1) 8M x 64

(1) 8M x 64

136MB

(1) 16M x 64

(1) 1M x 64

144MB

(1) 16M x 64

(1) 2M x 64

160MB

(1) 16M x 64

(1) 4M x 64

192MB

(1) 16M x 64

(1) 8M x 64

256MB

(1) 16M x 64

(1) 16M x 64

Note: Board accepts EDO memory.

CACHE CONFIGURATION

Note: 256KB/512KB cache is located on the Pentium II CPU.

CPU SPEED SELECTION

CPU speed

Clock speed

Multiplier

JP6

JP7

JP8

JP9

233MHz

66MHz

3.5x

Closed

Open

Closed

Open

266MHz

66MHz

4x

Closed

Open

Closed

Open

CPU SPEED SELECTION (CON’T)

CPU speed

Clock speed

Multiplier

JP14

JP15

JP16

JP17

233MHz

66MHz

3.5x

Open

Open

Closed

Closed

266MHz

66MHz

4x

Closed

Closed

Open

Closed