TEKRAM TECHNOLOGY CO., LTD.

P6B40D-A5

Device Type

Mainboard

Processor

Pentium II/Celeron

Processor Speed

233/266/300/333/350/366/400/450/500/550MHz

Chip Set

Intel 440BX

Maximum Onboard Memory

1GB (EDO & SDRAM supported)

Cache

0/128/256/512KB (located on the CPU)

BIOS

Award

Dimensions

305mm x 242mm

I/O Options

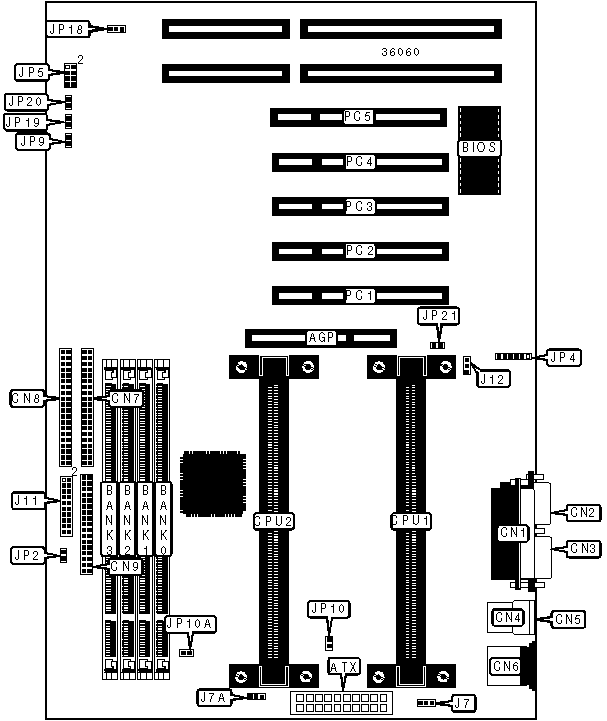
32-bit PCI slots (5), floppy drive interface, green PC connector, IDE interfaces (2), parallel port, PS/2 mouse port, serial ports (2), IR connector, USB connectors (2), ATX power connector, AGP slot, wake on LAN connector

CONNECTIONS

Purpose

Location

Purpose

Location

AGP slot

AGP

Turbo LED

J11/pins 3 & 5

ATX power connector

ATX

Green PC connector

J11/pins 7 & 9

Parallel port

CN1

Speaker

J11/pins 14/16/18/20

Serial port 2

CN2

Reset switch

J11/pins 17 & 19

Serial port 1

CN3

Wake on LAN connector

J12

USB connector 1

CN4

IDE interface LED

JP2

USB connector 2

CN5

IR connector

JP4

PS/2 mouse port

CN6

Soft off power supply

JP9

Floppy drive interface

CN7

Temperature sensor

JP10

IDE interface 2

CN8

Temperature sensor

JP10A

IDE interface 1

CN9

Chassis fan power

JP18

Chassis fan power

J7

Chassis intrusion

JP20

Chassis fan power

J7A

32-bit PCI slots

PC1 - PC5

Power LED & keylock

J11/pins 2/4/6/8/10

   

USER CONFIGURABLE SETTINGS

Function

Label

Position

 

Power state function enabled

JP19

Closed

 

Power state function disabled

JP19

Open

DIMM CONFIGURATION

Size

Bank 0

Bank 1

Bank 2

Bank 3

8MB

(1) 1M x 64

None

None

None

16MB

(1) 2M x 64

None

None

None

16MB

(1) 1M x 64

(1) 1M x 64

None

None

24MB

(1) 2M x 64

(1) 1M x 64

None

None

24MB

(1) 1M x 64

(1) 1M x 64

(1) 1M x 64

None

32MB

(1) 4M x 64

None

None

None

32MB

(1) 2M x 64

(1) 2M x 64

None

None

32MB

(1) 1M x 64

(1) 1M x 64

(1) 1M x 64

(1) 1M x 64

40MB

(1) 4M x 64

(1) 1M x 64

None

None

48MB

(1) 4M x 64

(1) 2M x 64

None

None

48MB

(1) 2M x 64

(1) 2M x 64

(1) 2M x 64

None

64MB

(1) 2M x 64

(1) 2M x 64

(1) 2M x 64

(1) 2M x 64

64MB

(1) 8M x 64

None

None

None

64MB

(1) 4M x 64

(1) 4M x 64

None

None

72MB

(1) 8M x 64

(1) 1M x 64

None

None

80MB

(1) 8M x 64

(1) 2M x 64

None

None

96MB

(1) 8M x 64

(1) 4M x 64

None

None

96MB

(1) 4M x 64

(1) 4M x 64

(1) 4M x 64

None

128MB

(1) 16M x 64

None

None

None

128MB

(1) 8M x 64

(1) 8M x 64

None

None

DIMM CONFIGURATION (CON'T)

Size

Bank 0

Bank 1

Bank 2

Bank 3

128MB

(1) 4M x 64

(1) 4M x 64

(1) 4M x 64

(1) 4M x 64

136MB

(1) 16M x 64

(1) 1M x 64

None

None

144MB

(1) 16M x 64

(1) 2M x 64

None

None

176MB

(1) 16M x 64

(1) 2M x 64

(1) 2M x 64

(1) 2M x 64

192MB

(1) 16M x 64

(1) 8M x 64

None

None

192MB

(1) 8M x 64

(1) 8M x 64

(1) 8M x 64

None

256MB

(1) 32M x 64

None

None

None

256MB

(1) 16M x 64

(1) 16M x 64

None

None

256MB

(1) 8M x 64

(1) 8M x 64

(1) 8M x 64

(1) 8M x 64

272MB

(1) 16M x 64

(1) 16M x 64

(1) 1M x 64

(1) 1M x 64

280MB

(1) 32M x 64

(1) 1M x 64

(1) 1M x 64

(1) 1M x 64

288MB

(1) 16M x 64

(1) 16M x 64

(1) 2M x 64

(1) 2M x 64

320MB

(1) 16M x 64

(1) 16M x 64

(1) 4M x 64

(1) 4M x 64

384MB

(1) 16M x 64

(1) 16M x 64

(1) 16M x 64

None

448MB

(1) 32M x 64

(1) 8M x 64

(1) 8M x 64

(1) 8M x 64

512MB

(1) 32M x 64

(1) 32M x 64

None

None

512MB

(1) 16M x 64

(1) 16M x 64

(1) 16M x 64

(1) 16M x 64

640MB

(1) 32M x 64

(1) 16M x 64

(1) 16M x 64

(1) 16M x 64

768MB

(1) 32M x 64

(1) 32M x 64

(1) 32M x 64

None

1024MB

(1) 32M x 64

(1) 32M x 64

(1) 32M x 64

(1) 32M x 64

Note: Board accepts EDO & SDRAM memory.

CACHE CONFIGURATION

Note: 256KB/512KB cache is located on the Pentium II CPU. 128KB cache is located on the Celeron 300A & 333 CPU.

CPU SPEED SELECTION

CPU speed

Clock speed

Multiplier

JP5

JP21

233MHz

66MHz

3.5x

1 & 2, 7 & 8

Closed

266MHz

66MHz

4x

1 & 2, 3 & 4, 5 & 6

Closed

300MHz

66MHz

4.5x

1 & 2, 5 & 6

Closed

333MHz

66MHz

5x

1 & 2, 3 & 4

Closed

366MHz

66MHz

5.5x

1 & 2

Closed

350MHz

100MHz

3.5x

1 & 2, 7 & 8

Open

400MHz

100MHz

4x

1 & 2, 3 & 4, 5 & 6

Open

450MHz

100MHz

4.5x

1 & 2, 5 & 6

Open

500MHz

100MHz

5x

1 & 2, 3 & 4

Open

550MHz

100MHz

5.5x

1 & 2

Open

Note: Pins designated should be in the closed position.