SIEMENS NIXDORF

SYSTEM BOARD D1034

Device Type

Mainboard

Processor

AM K5/AM K6/Pentium/Pentium MMX

Processor Speed

90/100/120/133/150/166/200/233MHz

Chip Set

Unidentified

Video Chip Set

None

Maximum Onboard Memory

256MB (SDRAM supported)

Maximum Video Memory

None

Cache

256/512KB

BIOS

Unidentified

Dimensions

305mm x 244mm

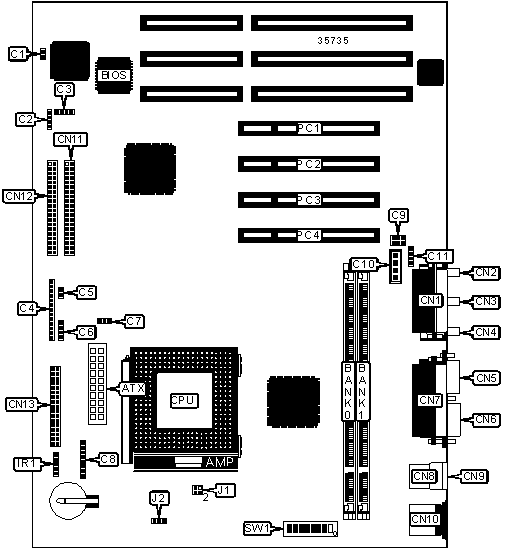
I/O Options

32-bit PCI slots (4), floppy drive interface, game/MIDI port, IDE interfaces (2), parallel port, PS/2 mouse port, serial ports (2), IR connector, USB connectors (2), ATX power connector, line in, line out, microphone in, audio in – CD-ROM, wake on modem connector

CONNECTIONS

Purpose

Location

Purpose

Location

ATX power connector

ATX

Line in

CN3

Wake on modem connector

C1

Line out

CN4

I2C connector

C2

Serial port 2

CN5

Speaker

C3

Serial port 1

CN6

Front panel LED connector

C4

Parallel port

CN7

Soft off power supply

C5

USB connector 1

CN8

SCSI interface LED

C6

USB connector 2

CN9

Chassis fan power

C7

PS/2 mouse port

CN10

Reset switch

C8

IDE interface 1

CN11

Modem connector

C9

IDE interface 2

CN12

Audio in – CD-ROM

C10

Floppy drive interface

CN13

Auxiliary line in

C11

IR connector

IR1

Game/MIDI port

CN1

32-bit PCI slots

PC1 – PC4

Microphone in

CN2

   

USER CONFIGURABLE SETTINGS

Function

Label

Position

»

Flash BIOS normal operation

SW1/5

Off

 

Flash BIOS recovery mode

SW1/5

On

»

Password enabled

SW1/6

Off

 

Password disabled

SW1/6

On

»

Factory configured - do not alter

SW1/7

Unidentified

»

Floppy drive write protect disabled

SW1/8

Off

 

Floppy drive write protect enabled

SW1/8

On

DIMM CONFIGURATION

Size

Bank 0

Bank 1

8MB

(1) 1M x 64

None

16MB

(1) 2M x 64

None

16MB

(1) 1M x 64

(1) 1M x 64

24MB

(1) 2M x 64

(1) 1M x 64

32MB

(1) 4M x 64

None

32MB

(1) 2M x 64

(1) 2M x 64

40MB

(1) 4M x 64

(1) 1M x 64

48MB

(1) 4M x 64

(1) 2M x 64

DIMM CONFIGURATION (CON’T)

Size

Bank 0

Bank 1

64MB

(1) 8M x 64

None

64MB

(1) 4M x 64

(1) 4M x 64

72MB

(1) 8M x 64

(1) 1M x 64

80MB

(1) 8M x 64

(1) 2M x 64

96MB

(1) 8M x 64

(1) 4M x 64

128MB

(1) 16M x 64

None

128MB

(1) 8M x 64

(1) 8M x 64

136MB

(1) 16M x 64

(1) 1M x 64

144MB

(1) 16M x 64

(1) 2M x 64

160MB

(1) 16M x 64

(1) 4M x 64

192MB

(1) 16M x 64

(1) 8M x 64

256MB

(1) 16M x 64

(1) 16M x 64

Note: Board accepts SDRAM memory.

CACHE CONFIGURATION

Note: The location of the 256KB/512KB cache is unidentified.

CPU SPEED SELECTION (AM K5)

CPU speed

Clock speed

Multiplier

SW1/1

SW1/2

SW1/3

SW1/4

90MHz

60MHz

1.5x

Off

On

Off

Off

100MHz

66MHz

1.5x

On

Off

Off

Off

120MHz

60MHz

2x

Off

On

On

Off

133MHz

66MHz

2x

On

Off

On

Off

150MHz

60MHz

2.5x

Off

On

On

On

166MHz

66MHz

2.5x

On

Off

On

On

CPU SPEED SELECTION (AM K6)

CPU speed

Clock speed

Multiplier

SW1/1

SW1/2

SW1/3

SW1/4

166MHz

66MHz

2.5x

On

Off

On

On

200MHz

66MHz

3x

On

Off

Off

On

233MHz

66MHz

3.5x

On

Off

Off

Off

CPU SPEED SELECTION (INTEL)

CPU speed

Clock speed

Multiplier

SW1/1

SW1/2

SW1/3

SW1/4

90MHz

60MHz

1.5x

Off

On

Off

Off

100MHz

66MHz

1.5x

On

Off

Off

Off

120MHz

60MHz

2x

Off

On

On

Off

133MHz

66MHz

2x

On

Off

On

Off

150MHz

60MHz

2.5x

Off

On

On

On

166MHz

66MHz

2.5x

On

Off

On

On

200MHz

66MHz

3x

On

Off

Off

On

CPU SPEED SELECTION (INTEL MMX)

CPU speed

Clock speed

Multiplier

SW1/1

SW1/2

SW1/3

SW1/4

166MHz

66MHz

2.5x

On

Off

On

On

200MHz

66MHz

3x

On

Off

Off

On

233MHz

66MHz

3.5x

On

Off

Off

Off

CPU TYPE SELECTION

Type

J1

J2

Intel

Open

Open

AM K5

Open

Pins 1 & 2, 3 & 4 closed

AM K6 166/200

Pins 1 & 2 closed

Pins 1 & 2, 3 & 4 closed

AM K6-233

Pins 2 & 3 closed

Open