TMC RESEARCH CORPORATION

TI5VG (VER. 1.0A)

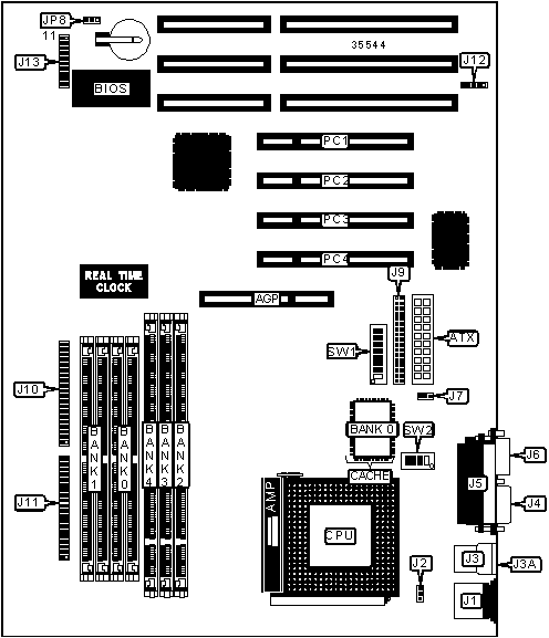
Device Type

Mainboard

Processor

CX 6X86/CX 6X86L/CX 686MX/AM K5/AM K6/Pentium/Pentium MMX

Processor Speed

90/100/120/133/150/166/200/233/266/300MHz

Chip Set

VIA VP3

Video Chip Set

None

Maximum Onboard Memory

384MB (EDO & SDRAM supported)

Maximum Video Memory

None

Cache

512KB

BIOS

Unidentified

Dimensions

305mm x 224mm

I/O Options

32-bit PCI slots (4), floppy drive interface, IDE interfaces (2), parallel port, PS/2 mouse port, serial ports (2), IR connector, USB connectors (2), ATX power connector, AGP slot

NPU Options

None

CONNECTIONS

Purpose

Location

Purpose

Location

AGP slot

AGP

IDE interface 2

J10

ATX power connector

ATX

IDE interface 1

J11

PS/2 mouse port

J1

IR connector

J12

CPU fan power

J2

Speaker

J13/pins 1 - 4

USB connector 1

J3

Soft off power supply

J13/pins 7 & 17

USB connector 2

J3A

Turbo LED

J13/pins 8 & 18

Serial port 1

J4

Reset switch

J13/pins 9 & 19

Parallel port

J5

IDE interface LED

J13/pins 10 & 20

Serial port 2

J6

Power LED & keylock

J13/pins 11 - 15

Chassis fan power

J7

32-bit PCI slots

PC1 – PC4

Floppy drive interface

J9

   

USER CONFIGURABLE SETTINGS

Function

Label

Position

»

CMOS memory normal operation

JP8

Pins 1 & 2 closed

 

CMOS memory clear

JP8

Pins 2 & 3 closed

»

Factory configured – do not alter

SW1/8

Unidentified

SIMM CONFIGURATION

Size

Bank 0

Bank 1

8MB

(2) 1M x 36

None

16MB

(2) 2M x 36

None

16MB

(2) 1M x 36

(2) 1M x 36

24MB

(2) 2M x 36

(2) 1M x 36

32MB

(2) 4M x 36

None

32MB

(2) 2M x 36

(2) 2M x 36

40MB

(2) 4M x 36

(2) 1M x 36

48MB

(2) 4M x 36

(2) 2M x 36

64MB

(2) 8M x 36

None

64MB

(2) 4M x 36

(2) 4M x 36

72MB

(2) 8M x 36

(2) 1M x 36

80MB

(2) 8M x 36

(2) 2M x 36

96MB

(2) 8M x 36

(2) 4M x 36

128MB

(2) 8M x 36

(2) 8M x 36

128MB

(2) 16M x 36

None

SIMM CONFIGURATION (CON’T)

Size

Bank 0

Bank 1

136MB

(2) 16M x 36

(2) 1M x 36

144MB

(2) 16M x 36

(2) 2M x 36

160MB

(2) 16M x 36

(2) 4M x 36

192MB

(2) 16M x 36

(2) 8M x 36

256MB

(2) 16M x 36

(2) 16M x 36

Note: Board accepts EDO memory.

DIMM CONFIGURATION

Size

Bank 2

Bank 3

Bank 4

8MB

(1) 1M x 64

None

None

16MB

(1) 2M x 64

None

None

16MB

(1) 1M x 64

(1) 1M x 64

None

24MB

(1) 2M x 64

(1) 1M x 64

None

24MB

(1) 1M x 64

(1) 1M x 64

(1) 1M x 64

32MB

(1) 4M x 64

None

None

32MB

(1) 2M x 64

(1) 1M x 64

(1) 1M x 64

32MB

(1) 2M x 64

(1) 2M x 64

None

40MB

(1) 4M x 64

(1) 1M x 64

None

40MB

(1) 2M x 64

(1) 2M x 64

(1) 1M x 64

48MB

(1) 4M x 64

(1) 1M x 64

(1) 1M x 64

48MB

(1) 4M x 64

(1) 2M x 64

None

48MB

(1) 2M x 64

(1) 2M x 64

(1) 2M x 64

56MB

(1) 4M x 64

(1) 2M x 64

(1) 1M x 64

64MB

(1) 8M x 64

None

None

64MB

(1) 4M x 64

(1) 2M x 64

(1) 2M x 64

64MB

(1) 4M x 64

(1) 4M x 64

None

72MB

(1) 8M x 64

(1) 1M x 64

None

72MB

(1) 4M x 64

(1) 4M x 64

(1) 1M x 64

80MB

(1) 8M x 64

(1) 1M x 64

(1) 1M x 64

80MB

(1) 8M x 64

(1) 2M x 64

None

80MB

(1) 4M x 64

(1) 4M x 64

(1) 2M x 64

88MB

(1) 8M x 64

(1) 2M x 64

(1) 1M x 64

96MB

(1) 8M x 64

(1) 2M x 64

(1) 2M x 64

DIMM CONFIGURATION (CON’T)

Size

Bank 2

Bank 3

Bank 4

96MB

(1) 8M x 64

(1) 4M x 64

None

96MB

(1) 4M x 64

(1) 4M x 64

(1) 4M x 64

104MB

(1) 8M x 64

(1) 4M x 64

(1) 1M x 64

112MB

(1) 8M x 64

(1) 4M x 64

(1) 2M x 64

128MB

(1) 16M x 64

None

None

128MB

(1) 8M x 64

(1) 4M x 64

(1) 4M x 64

128MB

(1) 8M x 64

(1) 8M x 64

None

136MB

(1) 16M x 64

(1) 1M x 64

None

136MB

(1) 8M x 64

(1) 8M x 64

(1) 1M x 64

144MB

(1) 16M x 64

(1) 1M x 64

(1) 1M x 64

144MB

(1) 16M x 64

(1) 2M x 64

None

144MB

(1) 8M x 64

(1) 8M x 64

(1) 2M x 64

152MB

(1) 16M x 64

(1) 2M x 64

(1) 1M x 64

160MB

(1) 16M x 64

(1) 2M x 64

(1) 2M x 64

160MB

(1) 16M x 64

(1) 4M x 64

None

160MB

(1) 8M x 64

(1) 8M x 64

(1) 4M x 64

168MB

(1) 16M x 64

(1) 4M x 64

(1) 1M x 64

176MB

(1) 16M x 64

(1) 4M x 64

(1) 2M x 64

192MB

(1) 16M x 64

(1) 4M x 64

(1) 4M x 64

192MB

(1) 16M x 64

(1) 8M x 64

None

192MB

(1) 8M x 64

(1) 8M x 64

(1) 8M x 64

200MB

(1) 16M x 64

(1) 8M x 64

(1) 1M x 64

208MB

(1) 16M x 64

(1) 8M x 64

(1) 2M x 64

224MB

(1) 16M x 64

(1) 8M x 64

(1) 4M x 64

256MB

(1) 16M x 64

(1) 8M x 64

(1) 8M x 64

384MB

(1) 16M x 64

(1) 16M x 64

(1) 16M x 64

Note: Board accepts EDO & SDRAM memory.

CACHE CONFIGURATION

Size

Bank 0

512KB

(1) 64K x 64

CPU SPEED SELECTION (CX 6X86)

CPU speed

Clock speed

Multiplier

SW1/1

SW1/2

SW1/3

SW1/4

150MHz

60MHz

2x

On

Off

Off

Off

166MHz

66MHz

2x

Off

Off

Off

Off

CPU SPEED SELECTION (CX 6X86, CON’T)

CPU speed

Clock speed

Multiplier

SW1/5

SW1/6

SW1/7

150MHz

60MHz

2x

On

Off

Off

166MHz

66MHz

2x

On

Off

Off

CPU SPEED SELECTION (CX 6X86L)

CPU speed

Clock speed

Multiplier

SW1/1

SW1/2

SW1/3

SW1/4

150MHz

60MHz

2x

On

Off

Off

Off

166MHz

66MHz

2x

Off

Off

Off

Off

CPU SPEED SELECTION (CX 6X86L, CON’T)

CPU speed

Clock speed

Multiplier

SW1/5

SW1/6

SW1/7

150MHz

60MHz

2x

On

Off

Off

166MHz

66MHz

2x

On

Off

Off

CPU SPEED SELECTION (CX 6X86MX)

CPU speed

Clock speed

Multiplier

SW1/1

SW1/2

SW1/3

SW1/4

200MHz

66MHz

3x

Off

Off

Off

Off

233MHz

66MHz

3.5x

Off

Off

Off

Off

266MHz

66MHz

4x

Off

Off

Off

Off

CPU SPEED SELECTION (CX 6X86MX, CON’T)

CPU speed

Clock speed

Multiplier

SW1/5

SW1/6

SW1/7

200MHz

66MHz

3x

On

On

Off

233MHz

66MHz

3.5x

Off

On

Off

266MHz

66MHz

4x

Off

Off

Off

CPU SPEED SELECTION (AM K5)

CPU speed

Clock speed

Multiplier

SW1/1

SW1/2

SW1/3

SW1/4

133MHz

66MHz

2x

Off

Off

Off

Off

166MHz

66MHz

2.5x

Off

Off

Off

Off

CPU SPEED SELECTION (AM K5, CON’T)

CPU speed

Clock speed

Multiplier

SW1/5

SW1/6

SW1/7

133MHz

66MHz

2x

On

Off

Off

166MHz

66MHz

2.5x

On

On

Off

CPU SPEED SELECTION (AM K6)

CPU speed

Clock speed

Multiplier

SW1/1

SW1/2

SW1/3

SW1/4

166MHz

66MHz

2.5x

Off

Off

Off

Off

200MHz

66MHz

3x

Off

Off

Off

Off

233MHz

66MHz

3.5x

Off

Off

Off

Off

266MHz

66MHz

4x

Off

Off

Off

Off

300MHz

66MHz

4.5x

Off

Off

Off

Off

CPU SPEED SELECTION (AM K6, CON’T)

CPU speed

Clock speed

Multiplier

SW1/5

SW1/6

SW1/7

166MHz

66MHz

2.5x

On

On

Off

200MHz

66MHz

3x

Off

On

Off

233MHz

66MHz

3.5x

Off

Off

Off

266MHz

66MHz

4x

On

Off

On

300MHz

66MHz

4.5x

On

On

On

CPU SPEED SELECTION (INTEL)

CPU speed

Clock speed

Multiplier

SW1/1

SW1/2

SW1/3

SW1/4

90MHz

60MHz

1.5x

On

Off

Off

Off

100MHz

66MHz

1.5x

Off

Off

Off

Off

120MHz

60MHz

2x

On

Off

Off

Off

133MHz

66MHz

2x

Off

Off

Off

Off

150MHz

60MHz

2.5x

On

Off

Off

Off

166MHz

66MHz

2.5x

Off

Off

Off

Off

200MHz

66MHz

3x

Off

Off

Off

Off

CPU SPEED SELECTION (INTEL, CON’T)

CPU speed

Clock speed

Multiplier

SW1/5

SW1/6

SW1/7

90MHz

60MHz

1.5x

Off

Off

Off

100MHz

66MHz

1.5x

Off

Off

Off

120MHz

60MHz

2x

On

Off

Off

133MHz

66MHz

2x

On

Off

Off

150MHz

60MHz

2.5x

On

On

Off

166MHz

66MHz

2.5x

On

On

Off

200MHz

66MHz

3x

Off

Off

Off

CPU SPEED SELECTION (INTEL MMX)

CPU speed

Clock speed

Multiplier

SW1/1

SW1/2

SW1/3

SW1/4

166MHz

66MHz

2.5x

Off

Off

Off

Off

200MHz

66MHz

3x

Off

Off

Off

Off

233MHz

66MHz

3.5x

Off

Off

Off

Off

CPU SPEED SELECTION (INTEL MMX, CON’T)

CPU speed

Clock speed

Multiplier

SW1/5

SW1/6

SW1/7

166MHz

66MHz

2.5x

On

On

Off

200MHz

66MHz

3x

Off

On

Off

233MHz

66MHz

3.5x

Off

Off

Off

CPU VOLTAGE SELECTION (SINGLE)

Voltage

SW2/1

SW2/2

SW2/3

SW2/4

3.5v

On

On

On

On

CPU VOLTAGE SELECTION

Voltage I/O

V core

SW2/1

SW2/2

SW2/3

SW2/4

3.3v

2.1v

On

Off

Off

Off

3.3v

2.2v

Off

On

Off

Off

3.3v

2.5v

On

Off

On

Off

3.3v

2.6v

Off

On

On

Off

3.3v

2.7v

On

On

On

Off

3.3v

2.8v

Off

Off

Off

On

3.3v

2.9v

On

Off

Off

On

3.3v

3.0v

Off

On

Off

On

3.3v

3.1v

On

On

Off

On

3.3v

3.2v

Off

Off

On

On

3.3v

3.5v

On

On

On

On