MICRO-STAR INTERNATIONAL CO., LTD.

MS-5176

Device Type

Mainboard

Processor

Cyrix GX

Processor Speed

200/233/266MHz

Chip Set

CX 5520

Video Chip Set

Cyrix

Maximum Onboard Memory

512MB (SDRAM supported)

Maximum Video Memory

1MB

Audio Chip Set

Cyrix

Cache

Unidentified

BIOS

Award

Dimensions

244mm x 176mm

I/O Options

32-bit PCI slots (3), floppy drive interface, game/MIDI port, green PC connector, IDE interfaces (2), parallel port, PS/2 mouse port, serial ports (2), IR connector, USB connectors (2), ATX power connector, line in, line out, microphone in, audio in – CD-ROMs (2), wake on LAN connector, wake on modem connector

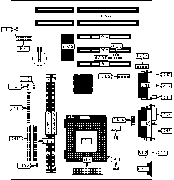
CONNECTIONS

Purpose

Location

Purpose

Location

ATX power connector

ATX

Power supply fan

FAN

Game/MIDI port

CN1

Audio in – CD-ROM

JCD1

Microphone in

CN2

Audio in – CD-ROM

JCD2

Line in

CN3

Keylock

JFP1/pins 1 & 10

Line out

CN4

IDE interface LED

JFP1/pins 3 & 13

VGA port

CN5

Power LED

JFP1/pins 4 - 6

Serial port 1

CN6

Power switch

JFP1/pins 7 & 8

Parallel port

CN7

Speaker

JFP1/pins 13 - 16

USB connector 1

CN8

Reset switch

JFP1/pins 17 & 18

USB connector 2

CN9

Green PC LED

JGL

PS/2 mouse port

CN10

Green PC connector

JGS

IDE interface 2

CN11

Soft off power supply

JRMS

IDE interface 1

CN12

Wake on modem connector

MODE

Floppy drive interface

CN13

32-bit PCI slots

PC1 – PC3

Serial port 2

CN14

Wake on LAN connector

WOL

USER CONFIGURABLE SETTINGS

Function

Label

Position

»

CMOS memory normal operation

JBAT

Pins 1 & 2 closed

 

CMOS memory clear

JBAT

Pins 2 & 3 closed

DIMM CONFIGURATION

Size

Bank 0

Bank 1

8MB

(1) 1M x 64

None

16MB

(1) 2M x 64

None

16MB

(1) 1M x 64

(1) 1M x 64

24MB

(1) 2M x 64

(1) 1M x 64

32MB

(1) 4M x 64

None

32MB

(1) 2M x 64

(1) 2M x 64

40MB

(1) 4M x 64

(1) 1M x 64

48MB

(1) 4M x 64

(1) 2M x 64

64MB

(1) 8M x 64

None

64MB

(1) 4M x 64

(1) 4M x 64

72MB

(1) 8M x 64

(1) 1M x 64

80MB

(1) 8M x 64

(1) 2M x 64

96MB

(1) 8M x 64

(1) 4M x 64

128MB

(1) 8M x 64

(1) 8M x 64

128MB

(1) 16M x 64

None

136MB

(1) 16M x 64

(1) 1M x 64

144MB

(1) 16M x 64

(1) 2M x 64

160MB

(1) 16M x 64

(1) 4M x 64

DIMM CONFIGURATION (CON’T)

Size

Bank 0

Bank 1

192MB

(1) 16M x 64

(1) 8M x 64

256MB

(1) 16M x 64

(1) 16M x 64

256MB

(1) 32M x 64

None

264MB

(1) 32M x 64

(1) 1M x 64

272MB

(1) 32M x 64

(1) 2M x 64

288MB

(1) 32M x 64

(1) 4M x 64

320MB

(1) 32M x 64

(1) 8M x 64

384MB

(1) 32M x 64

(1) 16M x 64

512MB

(1) 32M x 64

(1) 32M x 64

Note: Board accepts SDRAM memory.

CACHE CONFIGURATION

Note: The size & location of the cache is unidentified.

VIDEO MEMORY CONFIGURATION

Note: The size & location of the video memory is unidentified.

CPU SPEED SELECTION

CPU speed

Clock speed

Multiplier

JCK

200MHz

66MHz

3x

Pins 1 & 2 closed

233MHz

66MHz

3.5x

Pins 3 & 4 closed

266MHz

66MHz

4x

Open