MICRO-STAR INTERNATIONAL CO., LTD.

MS-6119

Device Type

Mainboard

Processor

Pentium II

Processor Speed

200/233/266/300/333/350/400/450MHz

Chip Set

Intel 440BX

Maximum Onboard Memory

768MB (SDRAM supported)

Cache

256/512KB (located on Pentium II CPU)

BIOS

Award

Dimensions

300mm x 186mm

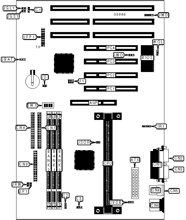
I/O Options

32-bit PCI slots (4), green PC connector, floppy drive interface, IDE interfaces (2), parallel port, PS/2 mouse port, serial ports (2), IR connector, USB connectors (2), ATX power connector, AGP slot, SB-link connector

CONNECTIONS

Purpose

Location

Purpose

Location

AGP slot

AGP

SB-link connector

J1

ATX power connector

ATX

Chassis intrusion connector

J2

Chassis fan power

C1

Keylock

JFP1/pins 1 & 10

CPU fan power

C2

IDE interface LED

JFP1/pins 3 & 12

Power supply fan

C3

Power LED

JFP1/pins 4 - 6

Parallel port

CN1

Power switch

JFP1/pins 7 & 8

Serial port 2

CN2

Speaker

JFP1/pins 13 - 16

Serial port 1

CN3

Reset switch

JFP1/pins 17 & 18

USB connector 1

CN4

Green PC LED

JGL1

USB connector 2

CN5

Green PC connector

JGS1

PS/2 mouse port

CN6

Wake on modem connector

JMD

IDE interface 2

CN7

Soft off power supply

JRM

IDE interface 1

CN8

Temperature sensor

JSOR

Floppy drive interface

CN9

32-bit PCI slots

PC1 - PC4

IR connector

IR1

Wake on LAN connector

WOL

USER CONFIGURABLE SETTINGS

Function

Label

Position

»

CMOS memory normal operation

JBAT

Pins 1 & 2 closed

 

CMOS memory clear

JBAT

Pins 2 & 3 closed

»

Flash BIOS voltage select 12v

JMO

Pins 1 & 2 closed

 

Flash BIOS voltage select 5v

JMO

Pins 2 & 3 closed

 

Power on mode select boot up by switch

JP1

Closed

 

Power on mode select immediate boot up

JP1

Open

»

Keyboard voltage select 5v

JVSB

Pins 2 & 3 closed

 

Keyboard voltage select 5v standby

JVSB

Pins 1 & 2 closed

DIMM CONFIGURATION

Size

Bank 0

Bank 1

Bank 2

8MB

(1) 1M x 64

None

None

16MB

(1) 1M x 64

(1) 1M x 64

None

16MB

(1) 2M x 64

None

None

24MB

(1) 1M x 64

(1) 1M x 64

(1) 1M x 64

32MB

(1) 2M x 64

(1) 2M x 64

None

32MB

(1) 4M x 64

None

None

48MB

(1) 2M x 64

(1) 2M x 64

(1) 2M x 64

64MB

(1) 4M x 64

(1) 4M x 64

None

64MB

(1) 8M x 64

None

None

96MB

(1) 4M x 64

(1) 4M x 64

(1) 4M x 64

128MB

(1) 8M x 64

(1) 8M x 64

None

DIMM CONFIGURATION (CON'T)

Size

Bank 0

Bank 1

Bank 2

128MB

(1) 16M x 64

None

None

164MB

(1) 16M x 64

(1) 1M x 64

None

144MB

(1) 16M x 64

(1) 1M x 64

(1) 1M x 64

144MB

(1) 16M x 64

(1) 2M x 64

None

160MB

(1) 16M x 64

(1) 2M x 64

(1) 2M x 64

160MB

(1) 16M x 64

(1) 4M x 64

None

192MB

(1) 16M x 64

(1) 4M x 64

(1) 4M x 64

192MB

(1) 16M x 64

(1) 8M x 64

None

192MB

(1) 8M x 64

(1) 8M x 64

(1) 8M x 64

256MB

(1) 16M x 64

(1) 8M x 64

(1) 8M x 64

256MB

(1) 16M x 64

(1) 16M x 64

None

256MB

(1) 32M x 64

None

None

264MB

(1) 32M x 64

(1) 1M x 64

None

272MB

(1) 32M x 64

(1) 1M x 64

(1) 1M x 64

272MB

(1) 32M x 64

(1) 2M x 64

None

288MB

(1) 32M x 64

(1) 2M x 64

(1) 2M x 64

288MB

(1) 32M x 64

(1) 4M x 64

None

320MB

(1) 32M x 64

(1) 4M x 64

(1) 4M x 64

320MB

(1) 32M x 64

(1) 8M x 64

None

384MB

(1) 32M x 64

(1) 8M x 64

(1) 8M x 64

384MB

(1) 32M x 64

(1) 16M x 64

None

384MB

(1) 16M x 64

(1) 16M x 64

(1) 16M x 64

512MB

(1) 32M x 64

(1) 16M x 64

(1) 16M x 64

512MB

(1) 32M x 64

(1) 32M x 64

None

768MB

(1) 32M x 64

(1) 32M x 64

(1) 32M x 64

Note: Board accepts SDRAM memory.

CACHE CONFIGURATION

Note: 256KB/512KB cache is located on the Pentium II CPU.

CPU SPEED SELECTION

CPU speed

Clock speed

Multiplier

SW1/1

SW1/2

SW1/3

SW1/4

200MHz

66MHz

3x

On

On

Off

On

233MHz

66MHz

3.5x

On

Off

Off

On

266MHz

66MHz

4x

On

On

On

Off

300MHz

66MHz

4.5x

On

Off

On

Off

333MHz

66MHz

5x

On

On

Off

Off

350MHz

100MHz

3.5x

On

Off

Off

On

400MHz

100MHz

4x

On

On

On

Off

450MHz

100MHz

4.5x

On

Off

On

Off