MICRONICS COMPUTERS, INC.

DUAL FORTRESS

Processor

Pentium II

Processor Speed

233/266/300/333MHz

Chip Set

Intel

Video Chip Set

None

Maximum Onboard Memory

1GB (EDO supported)

Maximum Video Memory

None

Cache

256/512KB (located on Pentium II CPU)

BIOS

Phoenix

Dimensions

305mm x 244mm

I/O Options

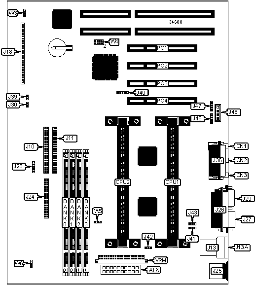
32-bit PCI slots (4), floppy drive interface, game/MIDI port, IDE interfaces (2), parallel port, PS/2 mouse port, serial ports (2), IR connector, VRM connector, USB connectors (2), ATX power connector, line in (2), line out (2), microphone in, audio in – CD-ROM

NPU Options

None

CONNECTIONS

Purpose

Location

Purpose

Location

ATX power connector

ATX

   

Microphone in

CN1

PS/2 mouse port

J25

Line out - external

CN2

Parallel port

J26

Line in - external

CN3

Serial port 1

J27

IDE interface 1

J10

Power LED & keylock

J28

IDE interface 2

J11

Serial port 2

J29

USB connector 1

J13

Turbo LED

J30

USB connector 2

J13A

Game/MIDI port

J36

Soft off power supply

J18/pins 1 & 2

Chassis intrusion connector

J39

Green PC connector

J18/pins 3 & 4

External temperature sensor

J40

IR connector

J18/pins 6 - 10

Chassis fan power

J42

IDE interface LED

J18/pins 13 - 16

Audio in – CD-ROM

J46

Power LED

J18/pins 18 - 20

Line in - internal

J47

Reset switch

J18/pins 22 & 23

Line out - internal

J48

Speaker

J18/pins 24 - 27

32-bit PCI slots

PC1 – PC4

Floppy drive interface

J24

VRM connector

VRM

USER CONFIGURABLE SETTINGS

Function

Label

Position

»

Factory configured - do not alter

J41

Unidentified

»

Factory configured - do not alter

J42

Unidentified

»

CMOS memory normal operation

W3

Pins 1 & 2 closed

 

CMOS memory clear

W3

Pins 2 & 3 closed

»

Factory configured - do not alter

W6

Unidentified

DIMM CONFIGURATION

Size

Bank 0

Bank 1

Bank 2

Bank 3

8MB

(1) 1M x 64

None

None

None

16MB

(1) 2M x 64

None

None

None

16MB

(1) 1M x 64

(1) 1M x 64

None

None

24MB

(1) 2M x 64

(1) 1M x 64

None

None

24MB

(1) 1M x 64

(1) 1M x 64

(1) 1M x 64

None

32MB

(1) 2M x 64

(1) 2M x 64

None

None

32MB

(1) 4M x 64

None

None

None

32MB

(1) 1M x 64

(1) 1M x 64

(1) 1M x 64

(1) 1M x 64

40MB

(1) 2M x 64

(1) 2M x 64

(1) 1M x 64

None

40MB

(1) 2M x 64

(1) 1M x 64

(1) 1M x 64

(1) 1M x 64

40MB

(1) 4M x 64

(1) 1M x 64

None

None

48MB

(1) 2M x 64

(1) 2M x 64

(1) 2M x 64

None

48MB

(1) 2M x 64

(1) 2M x 64

(1) 1M x 64

(1) 1M x 64

48MB

(1) 4M x 64

(1) 1M x 64

(1) 1M x 64

None

56MB

(1) 4M x 64

(1) 2M x 64

(1) 1M x 64

None

DIMM CONFIGURATION (CON’T)

Size

Bank 0

Bank 1

Bank 2

Bank 3

56MB

(1) 4M x 64

(1) 1M x 64

(1) 1M x 64

(1) 1M x 64

64MB

(1) 2M x 64

(1) 2M x 64

(1) 2M x 64

(1) 2M x 64

64MB

(1) 4M x 64

(1) 4M x 64

None

None

64MB

(1) 8M x 64

None

None

None

80MB

(1) 4M x 64

(1) 2M x 64

(1) 2M x 64

(1) 2M x 64

80MB

(1) 4M x 64

(1) 4M x 64

(1) 1M x 64

(1) 1M x 64

80MB

(1) 8M x 64

(1) 2M x 64

None

None

80MB

(1) 8M x 64

(1) 1M x 64

(1) 1M x 64

None

96MB

(1) 4M x 64

(1) 4M x 64

(1) 2M x 64

(1) 2M x 64

96MB

(1) 4M x 64

(1) 4M x 64

(1) 4M x 64

None

96MB

(1) 8M x 64

(1) 2M x 64

(1) 1M x 64

(1) 1M x 64

112MB

(1) 4M x 64

(1) 4M x 64

(1) 4M x 64

(1) 2M x 64

112MB

(1) 8M x 64

(1) 4M x 64

(1) 2M x 64

None

112MB

(1) 8M x 64

(1) 4M x 64

(1) 1M x 64

(1) 1M x 64

128MB

(1) 16M x 64

None

None

None

128MB

(1) 4M x 64

(1) 4M x 64

(1) 4M x 64

(1) 4M x 64

128MB

(1) 8M x 64

(1) 4M x 64

(1) 4M x 64

None

128MB

(1) 8M x 64

(1) 8M x 64

None

None

160MB

(1) 16M x 64

(1) 2M x 64

(1) 1M x 64

(1) 1M x 64

192MB

(1) 16M x 64

(1) 4M x 64

(1) 4M x 64

None

192MB

(1) 8M x 64

(1) 8M x 64

(1) 4M x 64

(1) 4M x 64

192MB

(1) 8M x 64

(1) 8M x 64

(1) 8M x 64

None

224MB

(1) 16M x 64

(1) 8M x 64

(1) 2M x 64

(1) 2M x 64

224MB

(1) 16M x 64

(1) 8M x 64

(1) 4M x 64

None

256MB

(1) 16M x 64

(1) 16M x 64

None

None

256MB

(1) 16M x 64

(1) 8M x 64

(1) 4M x 64

(1) 4M x 64

256MB

(1) 16M x 64

(1) 8M x 64

(1) 8M x 64

None

256MB

(1) 8M x 64

(1) 8M x 64

(1) 8M x 64

(1) 8M x 64

288MB

(1) 16M x 64

(1) 16M x 64

(1) 4M x 64

None

320MB

(1) 16M x 64

(1) 8M x 64

(1) 8M x 64

(1) 8M x 64

384MB

(1) 16M x 64

(1) 16M x 64

(1) 16M x 64

None

384MB

(1) 16M x 64

(1) 16M x 64

(1) 8M x 64

(1) 8M x 64

448MB

(1) 16M x 64

(1) 16M x 64

(1) 16M x 64

(1) 8M x 64

512MB

(1) 16M x 64

(1) 16M x 64

(1) 16M x 64

(1) 16M x 64

1024MB

(1) 32M x 64

(1) 32M x 64

(1) 32M x 64

(1) 32M x 64

Note: Board accepts EDO memory.

CACHE CONFIGURATION

Note: 256KB/512KB cache is located on the Pentium II CPU.

CPU SPEED SELECTION

CPU speed

Clock speed

Multiplier

W4

W5

233MHz

66MHz

3.5x

1 & 2, 3 & 4

1 & 2

266MHz

66MHz

4x

1 & 2, 5 & 6

1 & 2

300MHz

66MHz

4.5x

1 & 2, 5 & 6

1 & 2

333MHz

66MHz

5x

1 & 2, 7 & 8

1 & 2

Note: Pins designated should be in the closed position.