OCEAN INFORMATION SYSTEMS, INC.

HIPPO PRO 486 REV 1.2

Processor

80486SX/80487SX/80486DX/80486DX2/Pentium Overdrive

Processor Speed

25/33/50(internal)/50/66(internal)MHz

Chip Set

UNI

Max. Onboard DRAM

128MB

Cache

None

BIOS

AMI

Dimensions

330mm x 218mm

I/O Options

32-bit VESA local bus slots (3), floppy drive interface, game port, IDE interface, parallel port, serial ports (2)

NPU Options

None

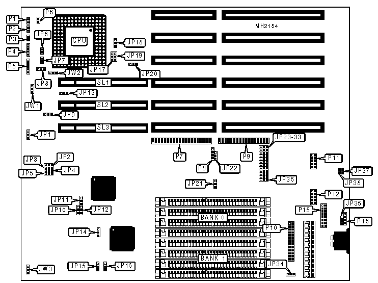
CONNECTIONS

Purpose

Location

Purpose

Location

Reset switch

P1

Floppy drive interface

P9

Turbo switch

P2

Parallel port

P10

Turbo LED

P3

Serial port 1

P11

Speaker

P4

Serial port 2

P12

Power LED & keylock

P5

Game interface

P15

Chassis fan power

P6

External battery

P16

IDE interface

P7

32-bit VESA Local bus slots

SL1 - SL3

IDE interface LED

P8

   

USER CONFIGURABLE SETTINGS

Function

Jumper

Position

»

Factory configured - do not alter

JP1

pins 1 & 2 closed

»

Factory configured - do not alter

JP3

pins 2 & 3 closed

»

Factory configured - do not alter

JP4

Open

»

Factory configured - do not alter

JP6

Open

»

Factory configured - do not alter

JP7

Open

»

Factory configured - do not alter

JP8

pins 1 & 2 closed

»

Factory configured - do not alter

JP9

Open

»

Factory configured - do not alter

JP11

Open

»

Factory configured - do not alter

JP13

pins 1 & 2 closed

»

Factory configured - do not alter

JP14

pins 1 & 2 closed

»

Monitor type select monochrome

JP15

pins 2 & 3 closed

 

Monitor type select color

JP15

pins 1 & 2 closed

»

Factory configured - do not alter

JP16

pins 1 & 2 closed

»

Factory configured - do not alter

JP20

pins 1 & 2 closed

»

Game interface enabled

JP21

pins 1 & 2 closed

 

Game interface disabled

JP21

pins 2 & 3 closed

»

Factory configured - do not alter

JP22

Open

»

Factory configured - do not alter

JP26

pins 1 & 2 closed

»

Floppy drive interface enabled

JP33

pins 1 & 2 closed

 

Floppy drive interface disabled

JP33

pins 2 & 3 closed

»

CMOS memory normal operation

JP34

pins 1 & 2 closed

 

CMOS memory clear

JP34

pins 2 & 3 closed

»

Factory configured - do not alter

JP35

Open

»

Factory configured - do not alter

JP37

Open

»

Factory configured - do not alter

JP38

Open

»

Factory configured - do not alter

JW1

pins 1 & 2 closed

»

Factory configured - do not alter

JW2

pins 2 & 3 closed

»

Factory configured - do not alter

JW3

Open

DRAM CONFIGURATION

Size

Bank 0

Bank 1

1MB

(4) 256K x 9

NONE

2MB

(4) 256K x 9

(4) 256K x 9

4MB

(4) 1M x 9

NONE

5MB

(4) 256K x 9

(4) 1M x 9

8MB

(4) 1M x 9

(4) 1M x 9

16MB

(4) 4M x 9

NONE

20MB

(4) 1M x 9

(4) 4M x 9

32MB

(4) 4M x 9

(4) 4M x 9

80MB

(4) 4M x 9

(4) 16M x 9

128MB

(4) 16M x 9

(4) 16M x 9

CPU TYPE CONFIGURATION

Type

JP17

JP18

JP19

80486SX

pins 2 & 3 closed

Open

pins 1 & 2 closed

80487SX

pins 1 & 2 closed

pins 1 & 2 closed

pins 2 & 3 closed

80486DX/DX2

pins 1 & 2 closed

pins 2 & 3 closed

pins 2 & 3 closed

CPU SPEED CONFIGURATION

Speed

JP2

25MHz

pins 1 & 2 closed

33MHz

pins 2 & 3 closed

50iMHz

pins 1 & 2 closed

66iMHz

pins 2 & 3 closed

SERIAL PORT 1 CONFIGURATION

Port 1

JP29

JP30

»

COM1

pins 1 & 2 closed

pins 1 & 2 closed

 

Disabled

pins 2 & 3 closed

pins 2 & 3 closed

SERIAL PORT 2 CONFIGURATION

Port 2

JP31

JP32

»

COM2

pins 1 & 2 closed

pins 1 & 2 closed

 

Disabled

pins 2 & 3 closed

pins 2 & 3 closed

PARALLEL PORT CONFIGURATION

Setting

JP27

JP28

278H

pins 1 & 2 closed

pins 1 & 2 closed

378H

pins 2 & 3 closed

pins 1 & 2 closed

380H

pins 1 & 2 closed

pins 2 & 3 closed

Disabled

pins 2 & 3 closed

pins 2 & 3 closed

FLOPPY DRIVE CONFIGURATION (2.88MB ONLY)

Type

JP23

JP24

JP25

2.88MB

pins 1 & 2 closed

pins 1 & 2 closed

pins 1 & 2 closed

2.88MB not installed

pins 2 & 3 closed

pins 2 & 3 closed

pins 2 & 3 closed

ON BOARD IDE CONFIGURATION

Type

JP5

JP36

»

On board IDE enabled

pins 2 & 3 closed

pins 1 & 2 closed

 

On board IDE disabled

pins 1 & 2 closed

pins 2 & 3 closed

IDE ACCESS TIME CONFIGURATION

Mode

Cycle time (ms)

Access time (ms)

JP10

JP12

1

390

120

pins 1 & 2 closed

pins 2 & 3 closed

0

600

180

pins 2 & 3 closed

pins 2 & 3 closed

2

240

190

pins 2 & 3 closed

pins 1 & 2 closed

3

150

90

pins 1 & 2 closed

pins 1 & 2 closed