IWILL CORPORATION

XA100

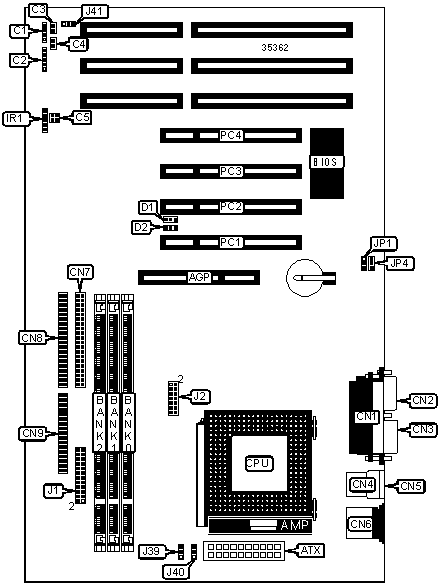
Device Type

Mainboard

Processor

CX M1/CX M2/AM K5/AM K6/IDT/Pentium/Pentium MMX

Processor Speed

133/166/200/233/266/300/350/400MHz

Chip Set

ALI

Video Chip Set

None

Maximum Onboard Memory

512MB

Maximum Video Memory

None

Cache

512KB

BIOS

AMI

Dimensions

305mm x 180mm

I/O Options

32-bit PCI slots (4), floppy drive interface, IDE interfaces (2), parallel port, PS/2 mouse port, serial ports (2), serial port, IR connector, USB connectors (2), ATX power connector, AGP slot

NPU Options

None

CONNECTIONS

Purpose

Location

Purpose

Location

AGP slot

AGP

USB connector 2

CN5

ATX power connector

ATX

PS/2 mouse port

CN6

Speaker

C1

IDE interface 1

CN7

Power LED & keylock

C2

IDE interface 2

CN8

Reset switch

C3

Floppy drive interface

CN9

IDE interface LED

C4

IR connector

IR1

Soft off power supply

C5

CPU fan power

J39

Parallel port

CN1

Chassis fan power

J40

Serial port 2

CN2

Chassis fan power

J41

Serial port 1

CN3

32-bit PCI slots

PC1 - PC4

USB connector 1

CN4

 

 

USER CONFIGURABLE SETTINGS

Function

Label

Position

»

Factory configured - do not alter

D1

Unidentified

»

Factory configured - do not alter

D2

Unidentified

»

CMOS memory normal operation

JP1

Pins 1 & 2 closed

 

CMOS memory clear

JP1

Pins 2 & 3 closed

 

Flash BIOS voltage select 5v/12v

JP4

Unidentified

DIMM CONFIGURATION

Size

Bank 0

Bank 1

Bank 2

8MB

(1) 1M x 64

None

None

16MB

(1) 2M x 64

None

None

16MB

(1) 1M x 64

(1) 1M x 64

None

24MB

(1) 2M x 64

(1) 1M x 64

None

24MB

(1) 1M x 64

(1) 1M x 64

(1) 1M x 64

32MB

(1) 4M x 64

None

None

32MB

(1) 2M x 64

(1) 1M x 64

(1) 1M x 64

32MB

(1) 2M x 64

(1) 2M x 64

None

40MB

(1) 4M x 64

(1) 1M x 64

None

40MB

(1) 2M x 64

(1) 2M x 64

(1) 1M x 64

48MB

(1) 4M x 64

(1) 1M x 64

(1) 1M x 64

48MB

(1) 4M x 64

(1) 2M x 64

None

48MB

(1) 2M x 64

(1) 2M x 64

(1) 2M x 64

56MB

(1) 4M x 64

(1) 2M x 64

(1) 1M x 64

64MB

(1) 8M x 64

None

None

DIMM CONFIGURATION (CON'T)

Size

Bank 0

Bank 1

Bank 2

64MB

(1) 4M x 64

(1) 2M x 64

(1) 2M x 64

64MB

(1) 4M x 64

(1) 4M x 64

None

72MB

(1) 8M x 64

(1) 1M x 64

None

72MB

(1) 4M x 64

(1) 4M x 64

(1) 1M x 64

80MB

(1) 8M x 64

(1) 1M x 64

(1) 1M x 64

80MB

(1) 8M x 64

(1) 2M x 64

None

80MB

(1) 4M x 64

(1) 4M x 64

(1) 2M x 64

88MB

(1) 8M x 64

(1) 2M x 64

(1) 1M x 64

96MB

(1) 8M x 64

(1) 2M x 64

(1) 2M x 64

96MB

(1) 8M x 64

(1) 4M x 64

None

96MB

(1) 4M x 64

(1) 4M x 64

(1) 4M x 64

104MB

(1) 8M x 64

(1) 4M x 64

(1) 1M x 64

112MB

(1) 8M x 64

(1) 4M x 64

(1) 2M x 64

128MB

(1) 16M x 64

None

None

128MB

(1) 8M x 64

(1) 4M x 64

(1) 4M x 64

128MB

(1) 8M x 64

(1) 8M x 64

None

136MB

(1) 16M x 64

(1) 1M x 64

None

136MB

(1) 8M x 64

(1) 8M x 64

(1) 1M x 64

144MB

(1) 16M x 64

(1) 1M x 64

(1) 1M x 64

144MB

(1) 16M x 64

(1) 2M x 64

None

144MB

(1) 8M x 64

(1) 8M x 64

(1) 2M x 64

152MB

(1) 16M x 64

(1) 2M x 64

(1) 1M x 64

160MB

(1) 16M x 64

(1) 2M x 64

(1) 2M x 64

160MB

(1) 16M x 64

(1) 4M x 64

None

160MB

(1) 8M x 64

(1) 8M x 64

(1) 4M x 64

168MB

(1) 16M x 64

(1) 4M x 64

(1) 1M x 64

176MB

(1) 16M x 64

(1) 4M x 64

(1) 2M x 64

192MB

(1) 16M x 64

(1) 4M x 64

(1) 4M x 64

192MB

(1) 16M x 64

(1) 8M x 64

None

200MB

(1) 16M x 64

(1) 8M x 64

(1) 1M x 64

208MB

(1) 16M x 64

(1) 8M x 64

(1) 2M x 64

224MB

(1) 16M x 64

(1) 8M x 64

(1) 4M x 64

256MB

(1) 16M x 64

(1) 8M x 64

(1) 8M x 64

256MB

(1) 32M x 64

None

None

256MB

(1) 16M x 64

(1) 16M x 64

None

384MB

(1) 16M x 64

(1) 16M x 64

(1) 16M x 64

512MB

(1) 32M x 64

(1) 32M x 64

None

Note: Board accepts EDO & SDRAM memory.

CACHE CONFIGURATION

Note: The location of the cache is unidentified.

CPU SPEED SELECTION (CX M1)

CPU speed

Clock speed

Multiplier

J1

166MHz

66MHz

2x

1 & 2, 9 & 10

200MHz

75MHz

2x

3 & 4, 9 & 10

Note: Pins designated should be in the closed position.

CPU SPEED SELECTION (CX M2)

CPU speed

Clock speed

Multiplier

J1

166MHz

66MHz

2x

1 & 2, 9 & 10

200MHz

75MHz

2x

3 & 4, 9 & 10

200MHz

75MHz

2x

3 & 4, 9 & 10

233MHz

75MHz

2.5x

3 & 4, 11 & 12

266MHz

83MHz

2.5x

5 & 6, 11 & 12

Note: Pins designated should be in the closed position.

CPU SPEED SELECTION (AM K5)

CPU speed

Clock speed

Multiplier

J1

166MHz

66MHz

2.5x

1 & 2, 11 & 12

Note: Pins designated should be in the closed position.

CPU SPEED SELECTION (AM K6)

CPU speed

Clock speed

Multiplier

J1

166MHz

66MHz

2.5x

1 & 2, 11 & 12

200MHz

66MHz

3x

1 & 2, 13 & 14

233MHz

66MHz

3.5x

1 & 2, 15 & 16

266MHz

66MHz

4x

1 & 2, 17 & 18

300MHz

100MHz

3x

7 & 8, 13 & 14

350MHz

100MHz

3.5x

7 & 8, 15 & 16

400MHz

100MHz

4x

7 & 8, 17 & 18

Note: Pins designated should be in the closed position.

CPU SPEED SELECTION (IDT)

CPU speed

Clock speed

Multiplier

J1

200MHz

66MHz

3x

1 & 2, 13 & 14

Note: Pins designated should be in the closed position.

CPU SPEED SELECTION (INTEL)

CPU speed

Clock speed

Multiplier

J1

133MHz

66MHz

2x

1 & 2, 9 & 10

166MHz

66MHz

2.5x

1 & 2, 11 & 12

200MHz

66MHz

3x

1 & 2, 13 & 14

Note: Pins designated should be in the closed position.

CPU SPEED SELECTION (INTEL MMX)

CPU speed

Clock speed

Multiplier

J1

166MHz

66MHz

2.5x

1 & 2, 11 & 12

200MHz

66MHz

3x

1 & 2, 13 & 14

233MHz

66MHz

3.5x

1 & 2, 15 & 16

Note: Pins designated should be in the closed position.

CPU VOLTAGE SELECTION

Voltage

J2

1.8v

Pins 1 & 2 closed

2.2v

Pins 3 & 4 closed

2.7v

Pins 5 & 6 closed

» 2.8v

Pins 7 & 8 closed

2.9v

Pins 9 & 10 closed

3.2v

Pins 11 & 12 closed

3.5v

Pins 13 & 14 closed