FREETECH CORPORATION

P6F91I

Device Type

Mainboard

Processor

Pentium II/Celeron

Processor Speed

233/266/300/333

Chip Set

Intel 440BX

Maximum Onboard Memory

384MB (EDO & SDRAM supported)

Cache

0/128/256/512KB (located on the CPU)

BIOS

Award

Dimensions

305mm x 190mm

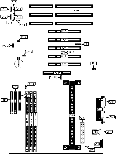
I/O Options

32-bit PCI slots (5), floppy drive interface, IDE interfaces (2), parallel port, PS/2 mouse port, serial ports (2), IR connector, USB connectors (2), ATX power connector, AGP slot

CONNECTIONS

Purpose

Location

Purpose

Location

AGP slot

AGP

Serial port 1

CN5

ATX power connector

ATX

Parallel port

CN6

Power LED & keylock

C10

USB connector 1

CN7

Speaker

C11

USB connector 2

CN8

IDE LED

C12

PS/2 mouse port

CN9

Standby LED

C13

IR connector

IR

Reset switch

C14

CPU fan power

FAN1

Power switch

C15

Chassis fan power

FAN2

IDE interface 2

CN1

WAKE on LAN connector

JP1

IDE interface 1

CN2

SB link connector

JP15

Floppy drive interface

CN3

32-bit PCI slots

PC1 - PC5

Serial port 2

CN4

   

USER CONFIGURABLE SETTINGS

Function

Label

Position

»

Keyboard and mouse use 5v standby power

JP6

Pins 2 & 3 closed

 

Keyboard and mouse use 5v power enabled

JP6

Pins 1 & 2 closed

»

Factory configured - do not alter

JP10

Reserved

»

CMOS memory normal operation

JP12

Pins 1 & 2 closed

 

CMOS memory clear

JP12

Pins 2 & 3 closed

»

Auto power on disabled

JP13

Pins 2 & 3 closed

 

Auto power on enabled

JP13

Pins 1 & 2 closed

DIMM CONFIGURATION

Size

Bank 0

Bank 1

Bank 2

8MB

(1) 1M x 64

None

None

16MB

(1) 1M x 64

(1) 1M x 64

None

16MB

(1) 2M x 64

None

None

24MB

(1) 1M x 64

(1) 1M x 64

(1) 1M x 64

24MB

(1) 2M x 64

(1) 1M x 64

None

32MB

(1) 2M x 64

(1) 2M x 64

None

32MB

(1) 4M x 64

None

None

40MB

(1) 2M x 64

(1) 2M x 64

(1) 1M x 64

48MB

(1) 2M x 64

(1) 2M x 64

(1) 2M x 64

48MB

(1) 4M x 64

(1) 2M x 64

None

64MB

(1) 4M x 64

(1) 4M x 64

None

64MB

(1) 8M x 64

None

None

80MB

(1) 4M x 64

(1) 4M x 64

(1) 2M x 64

96MB

(1) 4M x 64

(1) 4M x 64

(1) 4M x 64

96MB

(1) 8M x 64

(1) 4M x 64

None

128MB

(1) 8M x 64

(1) 8M x 64

None

128MB

(1) 16M x 64

None

None

160MB

(1) 8M x 64

(1) 8M x 64

(1) 4M x 64

192MB

(1) 8M x 64

(1) 8M x 64

(1) 8M x 64

192MB

(1) 16M x 64

(1) 8M x 64

None

256MB

(1) 16M x 64

(1) 16M x 64

None

320MB

(1) 16M x 64

(1) 16M x 64

(1) 8M x 64

384MB

(1) 16M x 64

(1) 16M x 64

(1) 16M x 64

CACHE CONFIGURATION

The 128KB cache is located on the Celeron 300A & 333 CPU. The 256/512KB cache is located on the Pentium II CPU.

CPU FREQUENCY SELECTION

Frequency

JP16

66/68/75/83MHz

Closed

100/103/112/133MHz

Open