GIGA-BYTE TECHNOLOGY CO., LTD.
GA-686KX
|
Device Type |
Mainboard |
|
Processor |
Pentium II |
|
Processor Speed |
200/233/266/300/333/366MHz |
|
Chip Set |
Intel |
|
Video Chip Set |
None |
|
Maximum Onboard Memory |
768MB (EDO & SDRAM supported) |
|
Maximum Video Memory |
None |
|
Cache |
256/512KB (located on Pentium II CPU) |
|
BIOS |
Award |
|
Dimensions |
305mm x 244mm |
|
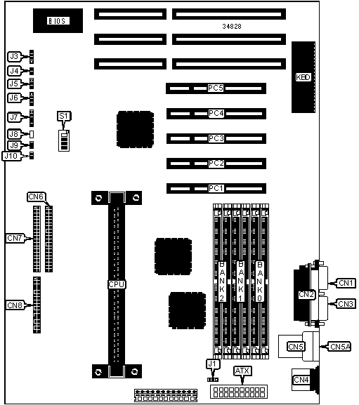
I/O Options |
32-bit PCI slots (5), floppy drive interface, green PC connector, IDE interfaces (2), parallel port, PS/2 mouse port, serial ports (2), IR connector, USB connectors (2), ATX power connector |
|
NPU Options |
None |
|
CONNECTIONS | |||
|
Purpose |
Location |
Purpose |
Location |
|
ATX power connector |
ATX |
CPU fan power |
J1 |
|
Serial port 1 |
CN1 |
Speaker |
J3 |
|
Parallel port |
CN2 |
Reset switch |
J4 |
|
Serial port 2 |
CN3 |
Power LED |
J5 |
|
PS/2 mouse port |
CN4 |
IDE interface LED |
J6 |
|
USB connector 1 |
CN5 |
IR connector |
J7 |
|
USB connector 2 |
CN5A |
Soft off power supply |
J9 |
|
IDE interface 2 |
CN6 |
Green PC LED |
J10 |
|
IDE interface 1 |
CN7 |
32-bit PCI slots |
PC1 – PC5 |
|
Floppy drive interface |
CN8 | ||
|
USER CONFIGURABLE SETTINGS | |||
|
Function |
Label |
Position | |
|
» |
Factory configured - do not alter |
J8 |
Unidentified |
|
SIMM CONFIGURATION | |||
|
Size |
Bank 0 |
Bank 1 |
Bank 2 |
|
8MB |
(2) 1M x 36 |
None |
None |
|
16MB |
(2) 1M x 36 |
(2) 1M x 36 |
None |
|
16MB |
(2) 2M x 36 |
None |
None |
|
24MB |
(2) 1M x 36 |
(2) 1M x 36 |
(2) 1M x 36 |
|
32MB |
(2) 2M x 36 |
(2) 2M x 36 |
None |
|
32MB |
(2) 4M x 36 |
None |
None |
|
48MB |
(2) 2M x 36 |
(2) 2M x 36 |
(2) 2M x 36 |
|
64MB |
(2) 4M x 36 |
(2) 4M x 36 |
None |
|
64MB |
(2) 8M x 36 |
None |
None |
|
96MB |
(2) 4M x 36 |
(2) 4M x 36 |
(2) 4M x 36 |
|
128MB |
(2) 8M x 36 |
(2) 8M x 36 |
None |
|
128MB |
(2) 16M x 36 |
None |
None |
|
192MB |
(2) 8M x 36 |
(2) 8M x 36 |
(2) 8M x 36 |
|
256MB |
(2) 16M x 36 |
(2) 16M x 36 |
None |
|
256MB |
(2) 32M x 36 |
None |
None |
|
384MB |
(2) 16M x 36 |
(2) 16M x 36 |
(2) 16M x 36 |
|
512MB |
(2) 32M x 36 |
(2) 32M x 36 |
None |
|
768MB |
(2) 32M x 36 |
(2) 32M x 36 |
(2) 32M x 36 |
|
Note: Board accepts EDO memory. | |||
|
CACHE CONFIGURATION |
|
Note: 256KB/512KB cache is located on the Pentium II CPU. |
|
CPU SPEED SELECTION | ||||||
|
CPU speed |
Clock speed |
Multiplier |
S1/1 |
S1/2 |
S1/3 |
S1/4 |
|
200MHz |
66MHz |
3x |
Off |
On |
Off |
Off |
|
233MHz |
66MHz |
3.5x |
On |
On |
Off |
Off |
|
266MHz |
66MHz |
4x |
Off |
Off |
On |
Off |
|
300MHz |
66MHz |
4.5x |
On |
Off |
On |
Off |
|
333MHz |
66MHz |
5x |
Off |
On |
On |
Off |
|
366MHz |
66MHz |
5.5x |
On |
On |
On |
Off |