DATAEXPERT CORPORATION

MLX8440

Device Type

Mainboard

Processor

Pentium II/Celeron

Processor Speed

233/266/300/333MHz

Chip Set

Intel 440LX

Maximum Onboard Memory

384MB (EDO & SDRAM supported)

Cache

0/128/256/512KB (located on the CPU)

BIOS

Award

Dimensions

305mm x 180mm

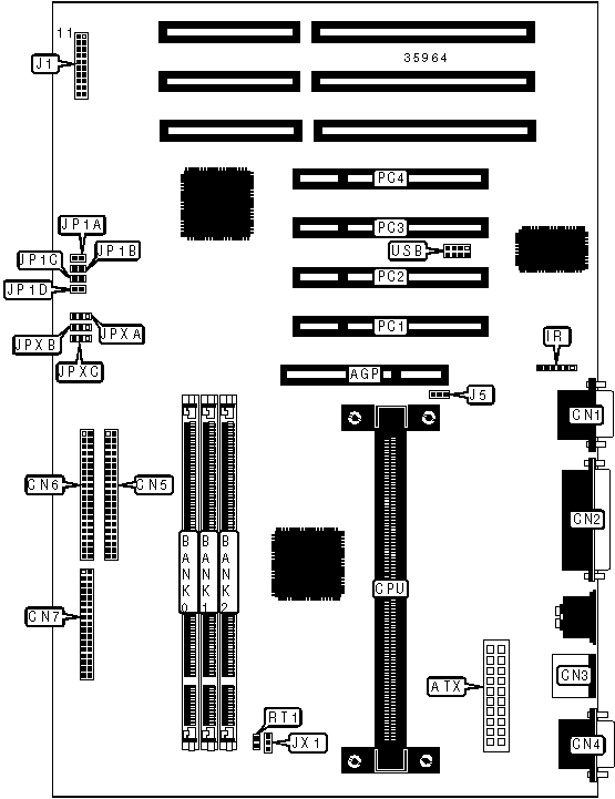
I/O Options

32-bit PCI slots (4), floppy drive interface, green PC connector, IDE interfaces (2), parallel port, PS/2 mouse port, serial ports (2), IR connector, USB connector, ATX power connector, AGP slot

CONNECTIONS

Purpose

Location

Purpose

Location

AGP slot

AGP

Green PC LED

J1/pins 7 & 17

ATX power connector

ATX

Green PC connector

J1/pins 8 & 18

Serial port 2

CN1

Soft off power supply

J1/pins 9 & 19

Parallel port

CN2

Reset switch

J1/pins 10 & 20

PS/2 mouse port

CN3

Speaker

J1/pins 11 - 14

Serial port 1

CN4

IR connector

IR1

IDE interface 2

CN5

Chassis fan power

J5

IDE interface 1

CN6

CPU fan power

JX1

Floppy drive interface

CN7

Thermistor connector

RT1

Power LED & keylock

J1/pins 1 - 5

32-bit PCI slots

PC1 - PC4

IDE interface LED

J1/pins 6 & 16

USB connector

USB

DIMM CONFIGURATION

Size

Bank 0

Bank 1

Bank 2

8MB

(1) 1M x 64

None

None

16MB

(1) 2M x 64

None

None

16MB

(1) 1M x 64

(1) 1M x 64

None

24MB

(1) 2M x 64

(1) 1M x 64

None

24MB

(1) 1M x 64

(1) 1M x 64

(1) 1M x 64

32MB

(1) 4M x 64

None

None

32MB

(1) 2M x 64

(1) 1M x 64

(1) 1M x 64

32MB

(1) 2M x 64

(1) 2M x 64

None

40MB

(1) 4M x 64

(1) 1M x 64

None

40MB

(1) 2M x 64

(1) 2M x 64

(1) 1M x 64

48MB

(1) 4M x 64

(1) 1M x 64

(1) 1M x 64

48MB

(1) 4M x 64

(1) 2M x 64

None

48MB

(1) 2M x 64

(1) 2M x 64

(1) 2M x 64

56MB

(1) 4M x 64

(1) 2M x 64

(1) 1M x 64

64MB

(1) 8M x 64

None

None

64MB

(1) 4M x 64

(1) 2M x 64

(1) 2M x 64

64MB

(1) 4M x 64

(1) 4M x 64

None

72MB

(1) 8M x 64

(1) 1M x 64

None

72MB

(1) 4M x 64

(1) 4M x 64

(1) 1M x 64

80MB

(1) 8M x 64

(1) 1M x 64

(1) 1M x 64

80MB

(1) 8M x 64

(1) 2M x 64

None

80MB

(1) 4M x 64

(1) 4M x 64

(1) 2M x 64

88MB

(1) 8M x 64

(1) 2M x 64

(1) 1M x 64

96MB

(1) 8M x 64

(1) 2M x 64

(1) 2M x 64

96MB

(1) 8M x 64

(1) 4M x 64

None

96MB

(1) 4M x 64

(1) 4M x 64

(1) 4M x 64

DIMM CONFIGURATION (CON'T)

Size

Bank 0

Bank 1

Bank 2

104MB

(1) 8M x 64

(1) 4M x 64

(1) 1M x 64

112MB

(1) 8M x 64

(1) 4M x 64

(1) 2M x 64

128MB

(1) 16M x 64

None

None

128MB

(1) 8M x 64

(1) 4M x 64

(1) 4M x 64

128MB

(1) 8M x 64

(1) 8M x 64

None

136MB

(1) 16M x 64

(1) 1M x 64

None

136MB

(1) 8M x 64

(1) 8M x 64

(1) 1M x 64

144MB

(1) 16M x 64

(1) 1M x 64

(1) 1M x 64

144MB

(1) 16M x 64

(1) 2M x 64

None

144MB

(1) 8M x 64

(1) 8M x 64

(1) 2M x 64

152MB

(1) 16M x 64

(1) 2M x 64

(1) 1M x 64

160MB

(1) 16M x 64

(1) 2M x 64

(1) 2M x 64

160MB

(1) 16M x 64

(1) 4M x 64

None

160MB

(1) 8M x 64

(1) 8M x 64

(1) 4M x 64

168MB

(1) 16M x 64

(1) 4M x 64

(1) 1M x 64

176MB

(1) 16M x 64

(1) 4M x 64

(1) 2M x 64

192MB

(1) 16M x 64

(1) 4M x 64

(1) 4M x 64

192MB

(1) 16M x 64

(1) 8M x 64

None

192MB

(1) 8M x 64

(1) 8M x 64

(1) 8M x 64

200MB

(1) 16M x 64

(1) 8M x 64

(1) 1M x 64

208MB

(1) 16M x 64

(1) 8M x 64

(1) 2M x 64

224MB

(1) 16M x 64

(1) 8M x 64

(1) 4M x 64

256MB

(1) 16M x 64

(1) 8M x 64

(1) 8M x 64

384MB

(1) 16M x 64

(1) 16M x 64

(1) 16M x 64

Note: Board accepts EDO & SDRAM memory.

CACHE CONFIGURATION

Note: 256KB/512KB cache is located on the Pentium II CPU. 128KB cache is located on the Celeron 300A & 333 CPU.

CPU SPEED SELECTION

CPU speed

Clock speed

Multiplier

JPXA

JPXB

JPXC

233MHz

66MHz

3.5x

2 & 3

2 & 3

2 & 3

266MHz

66MHz

4x

2 & 3

2 & 3

2 & 3

300MHz

66MHz

4.5x

2 & 3

2 & 3

2 & 3

333MHz

66MHz

5x

2 & 3

2 & 3

2 & 3

Note: Pins designated should be in the closed position.

CPU SPEED SELECTION (CON'T)

CPU speed

Clock speed

Multiplier

JP1A

JP1B

JP1C

JP1D

233MHz

66MHz

3.5x

Open

Open

Closed

Closed

266MHz

66MHz

4x

Closed

Closed

Open

Closed

300MHz

66MHz

4.5x

Open

Closed

Open

Closed

333MHz

66MHz

5x

Closed

Open

Open

Closed