DELL COMPUTER CORPORATION

DIMENSION XPS PXXXS (VER. 2)

Processor

Pentium

Processor Speed

133/166/200MHz

Chip Set

Intel

Video Chip Set

None

Maximum Onboard Memory

64MB (EDO & SDRAM supported)

Maximum Video Memory

None

Cache

512KB

BIOS

AMI

Dimensions

305mm x 244mm

I/O Options

32-bit PCI slots (4), floppy drive interface, game/MIDI port, IDE interfaces (2), parallel port, PS/2 mouse port, serial ports (2), ATX power connector, line in, line out, microphone in, wavetable connector, audio in – CD-ROM

NPU Options

None

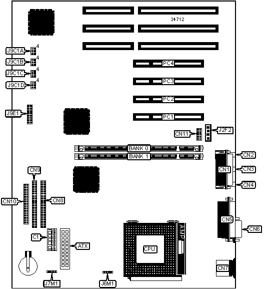
CONNECTIONS

Purpose

Location

Purpose

Location

ATX power connector

ATX

IDE interface 2

CN8

3.3v auxiliary power

C1

IDE interface 1

CN9

Game/MIDI port

CN1

Floppy drive interface

CN10

Microphone in

CN2

Wavetable connector

CN11

Line in

CN3

Audio in – CD-ROM

J2F2

Line out

CN4

Chassis fan power

J7M1

Parallel port

CN5

Front panel connector

J9E1

Serial port

CN6

32-bit PCI slots

PC1 – PC4

PS/2 mouse port

CN7

   

USER CONFIGURABLE SETTINGS

Function

Label

Position

»

Factory configured - do not alter

J6M1

Pins 2 & 3 closed

»

Password enabled

J9C1A

Pins 1 & 2 closed

 

Password disabled

J9C1A

Pins 2 & 3 closed

»

CMOS memory normal operation

J9C1A

Pins 4 & 5 closed

 

CMOS memory clear

J9C1A

Pins 5 & 6 closed

»

Setup access enabled

J9C1B

Pins 1 & 2 closed

 

Setup access disabled

J9C1B

Pins 2 & 3 closed

DIMM CONFIGURATION

Size

Bank 0

Bank 1

16MB

(1) 2M x 64

None

16MB

(1) 1M x 64

(1) 1M x 64

24MB

(1) 2M x 64

(1) 1M x 64

32MB

(1) 4M x 64

None

32MB

(1) 2M x 64

(1) 2M x 64

40MB

(1) 4M x 64

(1) 1M x 64

48MB

(1) 4M x 64

(1) 2M x 64

64MB

(1) 4M x 64

(1) 4M x 64

CACHE CONFIGURATION

Note: 512KB cache is factory installed and is not configurable. The location is unidentified.

CPU SPEED SELECTION

CPU speed

Clock speed

Multiplier

J9E1C

J9E1D

133MHz

66MHz

2x

1 & 2, 5 & 6

2 & 3, 4 & 5

166MHz

60MHz

2.5x

1 & 2, 5 & 6

2 & 3, 5 & 6

200MHz

66MHz

3x

1 & 2, 5 & 6

1 & 2, 5 & 6