COMPULINK RESEARCH, INC.

PT5-AX

Processor

Pentium

Processor Speed

75/90/100/120/133/150/166/180/200MHz

Chip Set

Intel

Video Chip Set

None

Maximum Onboard Memory

256MB (EDO supported)

Maximum Video Memory

None

Cache

256/512KB

BIOS

Unidentified

Dimensions

305mm x 244mm

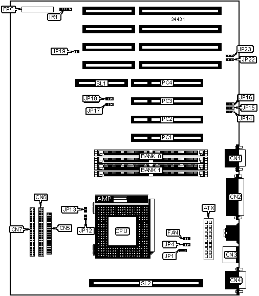
I/O Options

32-bit PCI slots (4), floppy drive interface, IDE interfaces (2), parallel port, PS/2 mouse port, serial ports (2), cache slot, IR connector, ATX power connector, extended PCI slot

NPU Options

None

CONNECTIONS

Purpose

Location

Purpose

Location

ATX power connector

ATX

IDE interface 1

CN7

Serial port

CN1

Chassis fan power

FAN

Parallel port

CN2

Front panel connector

FPC

PS/2 mouse port

CN3

IR connector

IR1

Serial port

CN4

32-bit PCI slots

PC1 – PC4

Floppy drive interface

CN5

Extended PCI slot

SL1

IDE interface 2

CN6

Cache slot

SL2

USER CONFIGURABLE SETTINGS

Function

Label

Position

»

On board I/O enabled

JP16

Pins 1 & 2 closed

 

On board I/O disabled

JP16

Pins 2 & 3 closed

»

CMOS memory normal operation

JP19

Open

 

CMOS memory clear

JP19

Closed

DRAM CONFIGURATION

Size

Bank 0

Bank 1

8MB

(2) 1M x 36

None

16MB

(2) 2M x 36

None

16MB

(2) 1M x 36

(2) 1M x 36

24MB

(2) 2M x 36

(2) 1M x 36

32MB

(2) 4M x 36

None

32MB

(2) 2M x 36

(2) 2M x 36

40MB

(2) 4M x 36

(2) 1M x 36

48MB

(2) 4M x 36

(2) 2M x 36

64MB

(2) 8M x 36

None

64MB

(2) 4M x 36

(2) 4M x 36

72MB

(2) 8M x 36

(2) 1M x 36

80MB

(2) 8M x 36

(2) 2M x 36

96MB

(2) 8M x 36

(2) 4M x 36

128MB

(2) 8M x 36

(2) 8M x 36

128MB

(2) 16M x 36

None

136MB

(2) 16M x 36

(2) 1M x 36

144MB

(2) 16M x 36

(2) 2M x 36

160MB

(2) 16M x 36

(2) 4M x 36

192MB

(2) 16M x 36

(2) 8M x 36

256MB

(2) 16M x 36

(2) 16M x 36

Note: Board accepts EDO memory.

CACHE CONFIGURATION

Size

Bank 0

SL2

256KB

(2) 32K x 32

Not installed

512KB

(4) 32K x 8

256KB module installed

Note: Bank 0 is factory installed and is not configurable. The location is unidentified.

CACHE JUMPER CONFIGURATION

Size

JP1

256KB

Pins 1 & 2 closed

512KB

Pins 2 & 3 closed

CPU SPEED SELECTION

CPU speed

Clock speed

Multiplier

JP12

JP13

JP17

JP18

75MHz

50MHz

1.5x

Open

Open

2 & 3

2 & 3

90MHz

60MHz

1.5x

Open

Open

1 & 2

2 & 3

100MHz

66MHz

1.5x

Open

Open

2 & 3

1 & 2

120MHz

60MHz

2x

Open

Closed

1 & 2

2 & 3

133MHz

66MHz

2x

Open

Closed

2 & 3

1 & 2

150MHz

60MHz

2.5x

Closed

Closed

1 & 2

2 & 3

166MHz

66MHz

2.5x

Closed

Closed

2 & 3

1 & 2

180MHz

60MHz

3x

Closed

Open

1 & 2

2 & 3

200MHz

66MHz

3x

Closed

Open

2 & 3

1 & 2

Note: Pins designated should be in the closed position.

CPU VOLTAGE SELECTION

Voltage

JP4

»

3.3v – 3.465v

Pins 2 & 3 closed

 

3.4v – 3.6v

Pins 1 & 2 closed

DMA CHANNEL SELECTION

Channel

JP22

JP23

 

1

Pins 2 & 3 closed

Pins 2 & 3 closed

»

3

Pins 1 & 2 closed

Pins 1 & 2 closed

SERIAL PORT 2 SELECTION

Setting

JP14

JP15

»

Used as COM2

Pins 1 & 2 closed

Pins 1 & 2 closed

 

Used as IR connector

Pins 2 & 3 closed

Pins 2 & 3 closed