DELL COMPUTER CORPORATION

OPTIPLEX GXI

Processor

Pentium

Processor Speed

133/166/200/233MHz

Chip Set

Intel

Video Chip Set

S3

Maximum Onboard Memory

512MB (EDO supported)

Maximum Video Memory

2MB

Cache

256/512KB

BIOS

Unidentified

Dimensions

305mm x 244mm

I/O Options

Audio in-CD-ROM, floppy drive interface, IDE interfaces (2), parallel port, PS/2 mouse port, serial port, VGA port, riser slot, cache slot, USB connectors (2), ATX power connector, line in, line out, microphone in, NIC daughterboard slot

NPU Options

None

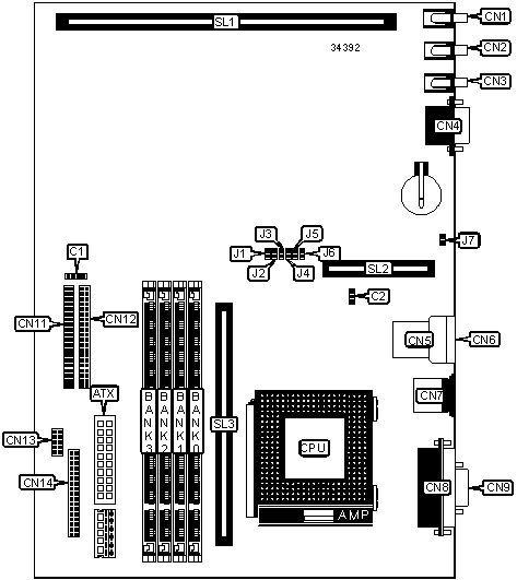
CONNECTIONS

Purpose

Location

Purpose

Location

ATX power connector

ATX

Parallel port

CN8

Audio in-CD-ROM

C1

Serial port

CN9

Chassis fan power

C2

IDE interface 2

CN11

Line in

CN1

IDE interface 1

CN12

Line out

CN2

Front panel connector

CN13

Microphone in

CN3

Floppy drive interface

CN14

VGA port

CN4

Riser slot

SL1

USB connector

CN5

NIC daughterboard slot

SL2

USB connector

CN6

Cache slot

SL3

PS/2 mouse port

CN7

   

USER CONFIGURABLE SETTINGS

Function

Label

Position

»

Factory configured - do not alter

J1

Open

 

Password enabled

J2

Closed

 

Password disabled

J2

Open

»

Factory configured - do not alter (Configuration B only)

J6

Open

 

NIC setting normal operation

J7

Open

 

NIC setting clear

J7

Closed

Note: For Configuration B, see CPU speed table.

DIMM CONFIGURATION

Size

Bank 0

Bank 1

Bank 2

Bank 3

16MB

(1) 2M x 64

None

None

None

32MB

(1) 2M x 64

(1) 2M x 64

None

None

32MB

(1) 4M x 64

None

None

None

48MB

(1) 2M x 64

(1) 2M x 64

(1) 2M x 64

None

64MB

(1) 2M x 64

(1) 2M x 64

(1) 2M x 64

(1) 2M x 64

64MB

(1) 4M x 64

(1) 4M x 64

None

None

64MB

(1) 8M x 64

None

None

None

96MB

(1) 4M x 64

(1) 4M x 64

(1) 4M x 64

None

128MB

(1) 4M x 64

(1) 4M x 64

(1) 4M x 64

(1) 4M x 64

128MB

(1) 8M x 64

(1) 8M x 64

None

None

128MB

(1) 16M x 64

None

None

None

192MB

(1) 8M x 64

(1) 8M x 64

(1) 8M x 64

None

256MB

(1) 8M x 64

(1) 8M x 64

(1) 8M x 64

(1) 8M x 64

256MB

(1) 16M x 64

(1) 16M x 64

None

None

384MB

(1) 16M x 64

(1) 16M x 64

(1) 16M x 64

None

512MB

(1) 16M x 64

(1) 16M x 64

(1) 16M x 64

(1) 16M x 64

Note: Board accepts EDO memory. Largest size DIMM must be installed in Bank 0 with decreasing sizes in Banks 1 - 3.

CACHE CONFIGURATION

Size

TAG

256KB

256KB module installed

512KB

512KB module installed

VIDEO MEMORY CONFIGURATION

Note: The location of the video memory is unidentified.

CPU SPEED SELECTION (CONFIGURATION A)

CPU speed

Clock speed

Multiplier

J3

J4

J5

J6

133MHz

66MHz

2x

Open

Open

Open

Closed

166MHz

66MHz

2.5x

Open

Open

Closed

Open

200MHz

66MHz

3x

Open

Closed

Open

Open

233MHz

66MHz

3.5x

Closed

Open

Open

Open

CPU SPEED SELECTION (CONFIGURATION B)

CPU speed

Clock speed

Multiplier

J3

J4

J5

133MHz

66MHz

2x

Open

Open

Closed

166MHz

66MHz

2.5x

Open

Closed

Open

200MHz

66MHz

3x

Closed

Open

Open