ACER, INC.

ACERMATE 486/G (A1GX)

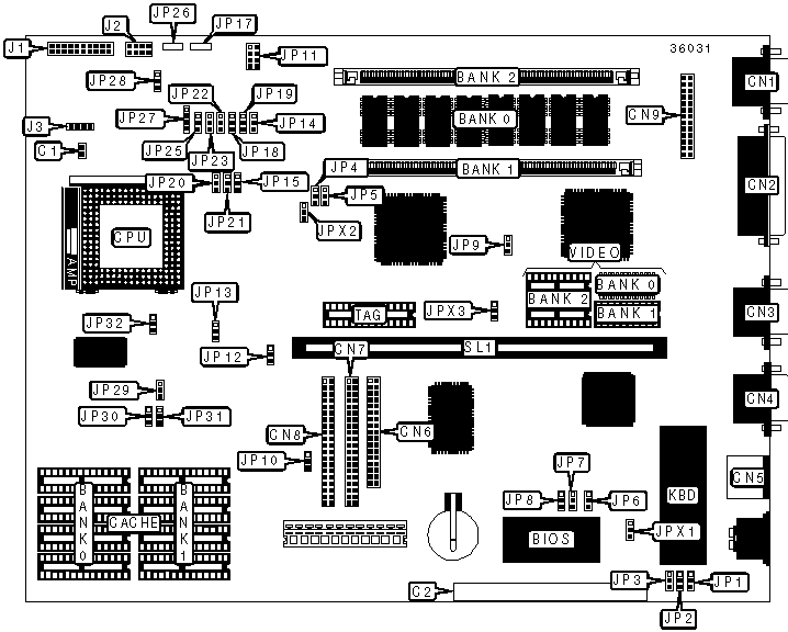
Device Type

Mainboard

Processor

80486/80486WB/CX486DX2/IBM486DX2/AM486DX2/AM486DX4/

P24T

Processor Speed

25/33/50(internal)/66(internal)/75(internal)/100(internal)MHz

Chip Set

ALI M1429

Video Chip Set

Cirrus Logic

Maximum Onboard Memory

36MB

Maximum Video Memory

2MB

Cache

128/256KB

BIOS

Unidentified

Dimensions

285mm x 220mm

I/O Options

Floppy drive interface, IDE interfaces (2), parallel port, PS/2 mouse port, serial ports (2), VGA feature connector, VGA port, riser slot

CONNECTIONS

Purpose

Location

Purpose

Location

Chassis fan power

C1

PS/2 mouse port

CN5

Feature connector

C2

Floppy drive interface

CN6

VGA port

CN1

IDE interface 2

CN7

Parallel port

CN2

IDE interface 1

CN8

Serial port 2

CN3

VGA feature connector

CN9

Serial port 1

CN4

Riser slot

SL1

USER CONFIGURABLE SETTINGS

Function

Label

Position

»

Factory configured - do not alter

J1

Unidentified

»

Factory configured - do not alter

J2

Unidentified

»

Factory configured - do not alter

J3

Unidentified

»

BIOS type select Acer

JP1

Pins 2 & 3 closed

 

BIOS type select OEM

JP1

Pins 1 & 2 closed

»

Password disabled

JP2

Pins 2 & 3 closed

 

Password enabled

JP2

Pins 1 & 2 closed

»

Normal boot enabled

JP3

Pins 2 & 3 closed

 

COM1 boot enabled

JP3

Pins 1 & 2 closed

»

On board I/O enabled

JP6

Pins 2 & 3 closed

 

On board I/O disabled

JP6

Pins 1 & 2 closed

»

On board video enabled

JP9

Pins 2 & 3 closed

 

On board video disabled

JP9

Pins 1 & 2 closed

»

IDE address select 074H, 078H, 07CH

JP10

Pins 2 & 3 closed

 

IDE address select 0F4H, 0F8H, 0FCH

JP10

Pins 1 & 2 closed

»

Factory configured - do not alter

JP11

Unidentified

»

Factory configured - do not alter

JP12

Unidentified

»

Factory configured - do not alter

JP19

Unidentified

»

Reset button enabled

JP28

Pins 2 & 3 closed

 

Reset/green PC button enabled

JP28

Pins 1 & 2 closed

»

IDE interface enabled

JP29

Pins 2 & 3 closed

 

IDE interface disabled

JP29

Pins 1 & 2 closed

»

BIOS type select EPROM

JPX1

Pins 2 & 3 closed

 

BIOS type select flash

JPX1

Pins 1 & 2 closed

SIMM CONFIGURATION

Size

Bank 0

Bank 1

Bank 2

4MB

4MB

None

None

4MB

None

(1) 1M x 36

None

8MB

4MB

(1) 1M x 36

None

8MB

None

(1) 2M x 36

None

8MB

None

(1) 1M x 36

(1) 1M x 36

12MB

4MB

(1) 2M x 36

None

SIMM CONFIGURATION (CON’T)

Size

Bank 0

Bank 1

Bank 2

12MB

4MB

(1) 1M x 36

(1) 1M x 36

12MB

None

(1) 1M x 36

(1) 2M x 36

16MB

4MB

(1) 2M x 36

(1) 1M x 36

16MB

None

(1) 4M x 36

None

16MB

None

(1) 2M x 36

(1) 2M x 36

20MB

4MB

(1) 4M x 36

None

20MB

None

(1) 1M x 36

(1) 4M x 36

24MB

4MB

(1) 1M x 36

(1) 4M x 36

24MB

None

(1) 2M x 36

(1) 4M x 36

28MB

4MB

(1) 2M x 36

(1) 4M x 36

32MB

None

(1) 4M x 36

(1) 4M x 36

36MB

4MB

(1) 4M x 36

(1) 4M x 36

SIMM JUMPER CONFIGURATION

Size

JP4

JP5

»

On board 4MB enabled

Pins 1 & 2 closed

Pins 2 & 3 closed

 

On board 8MB enabled

Pins 2 & 3 closed

Pins 1 & 2 closed

 

On board memory disabled

Pins 1 & 2 closed

Pins 1 & 2 closed

CACHE CONFIGURATION

Size

Bank 0

Bank 1

TAG

128KB

(4) 32K x 8

None

(1) 32K x 8

256KB

(4) 32K x 8

(4) 32K x 8

(1) 32K x 8

CACHE JUMPER CONFIGURATION

Size

JP30

JP31

128KB

Pins 1 & 2 closed

Pins 1 & 2 closed

256KB

Pins 2 & 3 closed

Pins 2 & 3 closed

VIDEO MEMORY CONFIGURATION

Size

Bank 0

Bank 1

Bank 2

512KB

(1) 256K x 16

None

None

1MB

(1) 256K x 16

(1) 256K x 16

None

2MB

(1) 256K x 16

(1) 256K x 16

(2) 256K x 16

CPU TYPE SELECTION

Type

JP13

JP14

JP15

JP17

JP18

80486

2 & 3

2 & 3

2 & 3

2 & 3

2 & 3

80486WB

2 & 3

2 & 3

2 & 3

2 & 3

2 & 3

CX486DX2 *

2 & 3

Open

1 & 2

1 & 2

2 & 3

IBM486DX2 *

2 & 3

Open

1 & 2

1 & 2

2 & 3

CX486DX2

2 & 3

Open

1 & 2

1 & 2

2 & 3

IBM486DX2

2 & 3

Open

1 & 2

1 & 2

2 & 3

AM486DX2

2 & 3

1 & 2

1 & 2

2 & 3

1 & 2

AM486DX2(WB)

2 & 3

1 & 2

1 & 2

2 & 3

1 & 2

AM 486DX4

2 & 3

1 & 2

1 & 2

2 & 3

1 & 2

P24T

2 & 3

2 & 3

2 & 3

2 & 3

2 & 3

Note: Pins designated should be in the closed position. * = 3.3v, 3.45v CPU.

CPU TYPE SELECTION (CON’T)

Type

JP19

JP20

JP21

JP22

JP23

80486

2 & 3

2 & 3

2 & 3

2 & 3

2 & 3

80486WB

1 & 2

2 & 3

2 & 3

1 & 2

2 & 3

CX486DX2 *

2 & 3

1 & 2

1 & 2

2 & 3

1 & 2

IBM486DX2 *

2 & 3

1 & 2

1 & 2

2 & 3

1 & 2

CX486DX2

2 & 3

1 & 2

1 & 2

2 & 3

1 & 2

IBM486DX2

2 & 3

1 & 2

1 & 2

2 & 3

1 & 2

AM486DX2

2 & 3

2 & 3

2 & 3

2 & 3

2 & 3

AM486DX2(WB)

2 & 3

2 & 3

2 & 3

2 & 3

2 & 3

AM 486DX4

2 & 3

2 & 3

2 & 3

2 & 3

2 & 3

P24T

1 & 2

2 & 3

2 & 3

1 & 2

2 & 3

Note: Pins designated should be in the closed position. * = 3.3v, 3.45v CPU.

CPU TYPE SELECTION (CON’T)

Type

JP25

JP26

JP27

JP32

JPX2

JPX3

80486

2 & 3

2 & 3

3 & 4

1 & 2

2 & 3

2 & 3

80486WB

2 & 3

1 & 2

3 & 4

1 & 2

2 & 3

2 & 3

CX486DX2 *

1 & 2

2 & 3

2 & 3

1 & 2

2 & 3

2 & 3

IBM486DX2 *

1 & 2

2 & 3

2 & 3

1 & 2

2 & 3

2 & 3

CX486DX2

1 & 2

2 & 3

3 & 4

1 & 2

2 & 3

2 & 3

IBM486DX2

1 & 2

2 & 3

3 & 4

1 & 2

2 & 3

2 & 3

AM486DX2

1 & 2

2 & 3

3 & 4

1 & 2

2 & 3

2 & 3

AM486DX2(WB)

1 & 2

2 & 3

2 & 3

1 & 2

2 & 3

2 & 3

AM 486DX4

1 & 2

2 & 3

3 & 4

1 & 2

2 & 3

2 & 3

P24T

2 & 3

1 & 2

3 & 4

1 & 2

2 & 3

2 & 3

Note: Pins designated should be in the closed position. * = 3.3v, 3.45v CPU.

DMA CHANNEL SELECTION

Channel

JP7

JP8

 

1

Pins 1 & 2 closed

Pins 1 & 2 closed

»

3

Pins 2 & 3 closed

Pins 2 & 3 closed