ACER, INC.

MX6E PLUS

Device Type

Mainboard

Processor

Pentium II/Celeron

Processor Speed

233/266/300/333MHz

Chip Set

Intel 440EX

Maximum Onboard Memory

256MB (EDO & SDRAM supported)

Audio Chip Set

Crystal

Cache

0/128/256/512KB (located on the CPU)

BIOS

Award

Dimensions

244mm x 218mm

I/O Options

32-bit PCI slots (2), floppy drive interface, game/MIDI port, IDE interfaces (2), parallel port, PS/2 mouse port, serial ports (2), IR connector, USB connectors (2), ATX power connector, AGP slot, line in, line out, microphone in, audio in – CD-ROM, wake on LAN connector, wake on modem connector

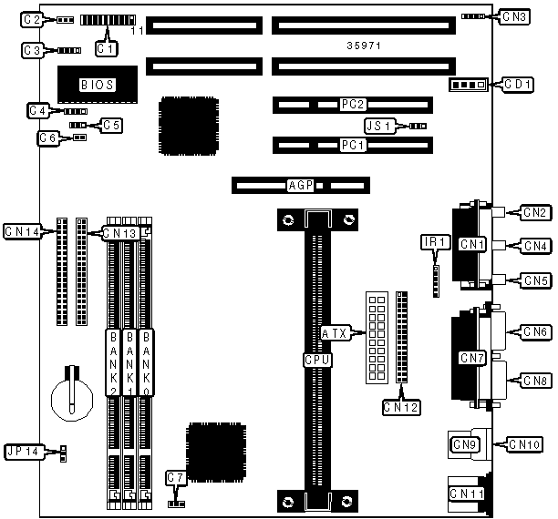
CONNECTIONS

Purpose

Location

Purpose

Location

AGP slot

AGP

Mono in

CN3/pins 1 & 2

ATX power connector

ATX

Microphone out

CN3/pins 3 & 4

Keylock

C1/pins 1 & 2

Line in

CN4

ACPI LED

C1/pins 3 – 5

Line out

CN5

Speaker

C1/pins 7 – 10

Serial port 2

CN6

Reset switch

C1/pins 19 & 20

Parallel port

CN7

Chassis fan power

C2

Serial port 1

CN8

IDE interface LED

C3

USB connector 1

CN9

Wake on modem connector

C4

USB connector 2

CN10

Wake on LAN connector

C5

PS/2 mouse port

CN11

Soft off power supply

C6

Floppy drive interface

CN12

CPU fan power

C7

IDE interface 2

CN13

Audio in – CD-ROM

CD1

IDE interface 1

CN14

Game/MIDI port

CN1

IR connector

IR1

Microphone in

CN2

32-bit PCI slots

PC1 – PC2

USER CONFIGURABLE SETTINGS

Function

Label

Position

»

On board sound enabled

JP14

Pins 1 & 2 closed

 

On board sound disabled

JP14

Pins 2 & 3 closed

»

CMOS memory normal operation

JS1

Pins 1 & 2 closed

 

CMOS memory clear

JS1

Pins 2 & 3 closed

DIMM CONFIGURATION

Size

Bank 0

Bank 1

Bank 2

8MB

(1) 1M x 64

None

None

16MB

(1) 2M x 64

None

None

16MB

(1) 1M x 64

(1) 1M x 64

None

24MB

(1) 2M x 64

(1) 1M x 64

None

24MB

(1) 1M x 64

(1) 1M x 64

(1) 1M x 64

32MB

(1) 4M x 64

None

None

32MB

(1) 2M x 64

(1) 1M x 64

(1) 1M x 64

32MB

(1) 2M x 64

(1) 2M x 64

None

40MB

(1) 4M x 64

(1) 1M x 64

None

40MB

(1) 2M x 64

(1) 2M x 64

(1) 1M x 64

48MB

(1) 4M x 64

(1) 1M x 64

(1) 1M x 64

48MB

(1) 4M x 64

(1) 2M x 64

None

48MB

(1) 2M x 64

(1) 2M x 64

(1) 2M x 64

56MB

(1) 4M x 64

(1) 2M x 64

(1) 1M x 64

64MB

(1) 8M x 64

None

None

DIMM CONFIGURATION (CON’T)

Size

Bank 0

Bank 1

Bank 2

64MB

(1) 4M x 64

(1) 2M x 64

(1) 2M x 64

64MB

(1) 4M x 64

(1) 4M x 64

None

72MB

(1) 8M x 64

(1) 1M x 64

None

72MB

(1) 4M x 64

(1) 4M x 64

(1) 1M x 64

80MB

(1) 8M x 64

(1) 1M x 64

(1) 1M x 64

80MB

(1) 8M x 64

(1) 2M x 64

None

80MB

(1) 4M x 64

(1) 4M x 64

(1) 2M x 64

88MB

(1) 8M x 64

(1) 2M x 64

(1) 1M x 64

96MB

(1) 8M x 64

(1) 2M x 64

(1) 2M x 64

96MB

(1) 8M x 64

(1) 4M x 64

None

96MB

(1) 4M x 64

(1) 4M x 64

(1) 4M x 64

104MB

(1) 8M x 64

(1) 4M x 64

(1) 1M x 64

112MB

(1) 8M x 64

(1) 4M x 64

(1) 2M x 64

128MB

(1) 16M x 64

None

None

128MB

(1) 8M x 64

(1) 4M x 64

(1) 4M x 64

128MB

(1) 8M x 64

(1) 8M x 64

None

136MB

(1) 16M x 64

(1) 1M x 64

None

136MB

(1) 8M x 64

(1) 8M x 64

(1) 1M x 64

144MB

(1) 16M x 64

(1) 1M x 64

(1) 1M x 64

144MB

(1) 16M x 64

(1) 2M x 64

None

144MB

(1) 8M x 64

(1) 8M x 64

(1) 2M x 64

152MB

(1) 16M x 64

(1) 2M x 64

(1) 1M x 64

160MB

(1) 16M x 64

(1) 2M x 64

(1) 2M x 64

160MB

(1) 16M x 64

(1) 4M x 64

None

160MB

(1) 8M x 64

(1) 8M x 64

(1) 4M x 64

168MB

(1) 16M x 64

(1) 4M x 64

(1) 1M x 64

176MB

(1) 16M x 64

(1) 4M x 64

(1) 2M x 64

192MB

(1) 16M x 64

(1) 4M x 64

(1) 4M x 64

192MB

(1) 16M x 64

(1) 8M x 64

None

192MB

(1) 8M x 64

(1) 8M x 64

(1) 8M x 64

200MB

(1) 16M x 64

(1) 8M x 64

(1) 1M x 64

208MB

(1) 16M x 64

(1) 8M x 64

(1) 2M x 64

224MB

(1) 16M x 64

(1) 8M x 64

(1) 4M x 64

256MB

(1) 16M x 64

(1) 8M x 64

(1) 8M x 64

Note: Board accepts EDO & SDRAM memory.

CACHE CONFIGURATION

Note: 256KB/512KB cache is located on the Pentium II CPU. 128KB cache is located on the Celeron 300A & 333 CPU.