ACER, INC.

AX65

Device Type

Mainboard

Processor

Pentium Pro

Processor Speed

150/166/180/200MHz

Chip Set

Intel

Video Chip Set

None

Maximum Onboard Memory

512MB (EDO supported)

Maximum Video Memory

None

Cache

256/512KB (located on Pentium Pro CPU)

BIOS

Award

Dimensions

305mm x 244mm

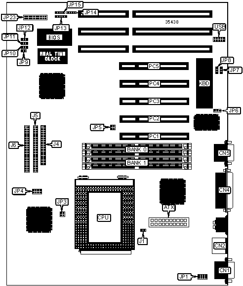
I/O Options

32-bit PCI slots (5), floppy drive interface, green PC connector, IDE interfaces (2), parallel port, PS/2 mouse port, serial ports (2), IR connector, USB interface, ATX power connector

NPU Options

None

CONNECTIONS

Purpose

Location

Purpose

Location

ATX power connector

ATX

IDE interface LED

JP15

Serial port 1

CN1

Soft off power supply

JP23/pins 1 & 2

PS/2 mouse port

CN2

Power LED

JP23/pins 3 - 5

Parallel port

CN4

Speaker

JP23/pins 7 - 10

Serial port 2

CN5

Green PC LED

JP23/pins 12 & 13

Chassis fan power

J1

Green PC connector

JP23/pins 15 - 17

Floppy drive interface

J4

Reset switch

JP23/pins 19 & 20

IDE interface 1

J5

32-bit PCI slots

PC1 - PC5

IDE interface 2

J6

USB interface

USB

IR connector

JP13

 

 

USER CONFIGURABLE SETTINGS

Function

Label

Position

»

On board I/O enabled

JP6

Pins 2 & 3 closed

 

On board I/O disabled

JP6

Pins 1 & 2 closed

»

Keyboard clock select ISA clock

JP7

Pins 2 & 3 closed

 

Keyboard clock select 12MHz

JP7

Pins 1 & 2 closed

»

PS/2 mouse enabled

JP8

Pins 1 & 2 closed

 

PS/2 mouse disabled

JP8

Pins 2 & 3 closed

»

Factory configured - do not alter

JP9

Unidentified

»

CMOS memory normal operation

JP10

Pins 2 & 3 closed

 

CMOS memory clear

JP10

Pins 1 & 2 closed

 

Power switch type select toggle

JP14

Pins 2 & 3 closed

 

Power switch type select momentary

JP14

Pins 1 & 2, 3 & 4 closed

SIMM CONFIGURATION

Size

Bank 0

Bank 1

8MB

(2) 1M x 36

None

16MB

(2) 2M x 36

None

16MB

(2) 1M x 36

(2) 1M x 36

24MB

(2) 2M x 36

(2) 1M x 36

32MB

(2) 4M x 36

None

32MB

(2) 2M x 36

(2) 2M x 36

40MB

(2) 4M x 36

(2) 1M x 36

48MB

(2) 4M x 36

(2) 2M x 36

64MB

(2) 8M x 36

None

64MB

(2) 4M x 36

(2) 4M x 36

72MB

(2) 8M x 36

(2) 1M x 36

SIMM CONFIGURATION (CON'T)

Size

Bank 0

Bank 1

80MB

(2) 8M x 36

(2) 2M x 36

96MB

(2) 8M x 36

(2) 4M x 36

128MB

(2) 8M x 36

(2) 8M x 36

128MB

(2) 16M x 36

None

136MB

(2) 16M x 36

(2) 1M x 36

144MB

(2) 16M x 36

(2) 2M x 36

160MB

(2) 16M x 36

(2) 4M x 36

192MB

(2) 16M x 36

(2) 8M x 36

256MB

(2) 16M x 36

(2) 16M x 36

256MB

(2) 32M x 36

None

264MB

(2) 32M x 36

(2) 1M x 36

272MB

(2) 32M x 36

(2) 2M x 36

288MB

(2) 32M x 36

(2) 4M x 36

320MB

(2) 32M x 36

(2) 8M x 36

384MB

(2) 32M x 36

(2) 16M x 36

512MB

(2) 32M x 36

(2) 32M x 36

Note: Board accepts EDO memory.

CACHE CONFIGURATION

Note: 256KB/512KB cache is located on the Pentium Pro CPU.

CPU SPEED SELECTION

CPU speed

Clock speed

Multiplier

JP3

JP4

JP5

150MHz

60MHz

2.5x

3 & 4

3 & 4, 5 & 6, 7 & 8

3 & 4

166MHz

66MHz

2.5x

1 & 2

3 & 4, 5 & 6, 7 & 8

1 & 2

180MHz

60MHz

3x

3 & 4

1 & 2, 3 & 4, 7 & 8

3 & 4

200MHz

66MHz

3x

1 & 2

1 & 2, 3 & 4, 7 & 8

1 & 2

Note: Pins designated should be in the closed position.

CPU VOLTAGE SELECTION

Voltage

JP1

»

Auto detect

Open

 

2.1v

Pins 1 & 2 closed

 

2.2v

Pins 3 & 4 closed

 

2.3v

Pins 1 & 2, 3 & 4 closed

 

2.4v

Pins 5 & 6 closed

 

2.5v

Pins 1 & 2, 5 & 6 closed

 

2.6v

Pins 3 & 4, 5 & 6 closed

 

2.7v

Pins 1 & 2, 3 & 4, 5 & 6 closed

 

2.8v

Pins 7 & 8 closed

 

2.9v

Pins 1 & 2, 7 & 8 closed

 

3.0v

Pins 3 & 4, 7 & 8 closed

 

3.1v

Pins 1 & 2, 3 & 4, 7 & 8 closed

 

3.2v

Pins 5 & 6, 7 & 8 closed

 

3.3v

Pins 1 & 2, 5 & 6, 7 & 8 closed

 

3.4v

Pins 3 & 4, 5 & 6, 7 & 8 closed

 

3.5v

Pins 1 & 2, 3 & 4, 5 & 6, 7 & 8 closed

FLASH BIOS SELECTION

Setting

JP11

JP12

»

Enabled

Pins 1 & 2 closed

Pins 1 & 2 closed

 

Disabled

Pins 2 & 3 closed

Pins 2 & 3 closed