BIOSTAR MICROTECH INTERNATIONAL CORPORATION

M6TLA (VER. 1.0)

Device Type

Mainboard

Processor

Pentium II

Processor Speed

200/233/266/300/MHz

Chip Set

Intel

Video Chip Set

None

Maximum Onboard Memory

1GB (EDO & SDRAM supported)

Maximum Video Memory

None

Cache

256/512KB (located on Pentium II CPU)

BIOS

Award

Dimensions

305mm x 220mm

I/O Options

32-bit PCI slots (4), floppy drive interface, green PC connector, IDE interfaces (2), parallel port, PS/2 mouse port, serial ports (2), IR connector, USB connectors (2), ATX power connector, AGP slot

NPU Options

None

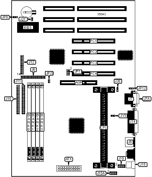
CONNECTIONS

Purpose

Location

Purpose

Location

AGP slot

AGP

VCC ground

J12/pins 14 & 15

ATX power connector

ATX

Green PC connector

J12/pins 16 & 17

Floppy drive interface

J6

IDE interface LED

J12/pins 18 - 21

Serial port 2

J7

IR connector

J12/pins 22 - 26

Serial port 1

J7A

Parallel port

J14

PS/2 mouse port

J8

USB connector

J15

IDE interface 1

J10

USB connector

J15A

IDE interface 2

J11

Wake on LAN connector

J26

Speaker

J12/pins 1 - 4

Wake on modem connector

J27

Power LED & keylock

J12/pins 5 - 9

CPU fan power

JY3

Soft off power supply

J12/pins 10 & 11

32-bit PCI slots

PC1 – PC4

Reset switch

J12/pins 12 & 13

   

USER CONFIGURABLE SETTINGS

Function

Label

Position

 

In order queue depth enabled

JP2

Open

 

In order queue depth disabled

JP2

Closed

»

CMOS memory normal operation

JP8

Pins 1 & 2 closed

 

CMOS memory clear

JP8

Pins 2 & 3 closed

 

On board battery disabled

JP8

Open

 

External modem COM select COM1

JP12

Pins 1 & 2 closed

 

External modem COM select COM2

JP12

Pins 2 & 3 closed

DIMM CONFIGURATION

Size

Bank 0

Bank 1

Bank 2

Bank 3

8MB

(1) 1M x 64

None

None

None

16MB

(1) 2M x 64

None

None

None

16MB

(1) 1M x 64

(1) 1M x 64

None

None

24MB

(1) 2M x 64

(1) 1M x 64

None

None

24MB

(1) 1M x 64

(1) 1M x 64

(1) 1M x 64

None

32MB

(1) 4M x 64

None

None

None

32MB

(1) 2M x 64

(1) 2M x 64

None

None

32MB

(1) 1M x 64

(1) 1M x 64

(1) 1M x 64

(1) 1M x 64

40MB

(1) 4M x 64

(1) 1M x 64

None

None

48MB

(1) 4M x 64

(1) 2M x 64

None

None

48MB

(1) 2M x 64

(1) 2M x 64

(1) 2M x 64

None

64MB

(1) 2M x 64

(1) 2M x 64

(1) 2M x 64

(1) 2M x 64

DIMM CONFIGURATION (CON’T)

Size

Bank 0

Bank 1

Bank 2

Bank 3

64MB

(1) 8M x 64

None

None

None

64MB

(1) 4M x 64

(1) 4M x 64

None

None

72MB

(1) 8M x 64

(1) 1M x 64

None

None

80MB

(1) 8M x 64

(1) 2M x 64

None

None

96MB

(1) 8M x 64

(1) 4M x 64

None

None

96MB

(1) 4M x 64

(1) 4M x 64

(1) 4M x 64

None

128MB

(1) 16M x 64

None

None

None

128MB

(1) 8M x 64

(1) 8M x 64

None

None

128MB

(1) 4M x 64

(1) 4M x 64

(1) 4M x 64

(1) 4M x 64

136MB

(1) 16M x 64

(1) 1M x 64

None

None

144MB

(1) 16M x 64

(1) 2M x 64

None

None

152MB

(1) 16M x 64

(1) 1M x 64

(1) 1M x 64

(1) 1M x 64

160MB

(1) 16M x 64

(1) 4M x 64

None

None

176MB

(1) 16M x 64

(1) 2M x 64

(1) 2M x 64

(1) 2M x 64

192MB

(1) 16M x 64

(1) 8M x 64

None

None

192MB

(1) 8M x 64

(1) 8M x 64

(1) 8M x 64

None

224MB

(1) 16M x 64

(1) 4M x 64

(1) 4M x 64

(1) 4M x 64

256MB

(1) 32M x 64

None

None

None

256MB

(1) 16M x 64

(1) 16M x 64

None

None

256MB

(1) 8M x 64

(1) 8M x 64

(1) 8M x 64

(1) 8M x 64

272MB

(1) 16M x 64

(1) 16M x 64

(1) 1M x 64

(1) 1M x 64

280MB

(1) 32M x 64

(1) 1M x 64

(1) 1M x 64

(1) 1M x 64

288MB

(1) 16M x 64

(1) 16M x 64

(1) 2M x 64

(1) 2M x 64

304MB

(1) 32M x 64

(1) 2M x 64

(1) 2M x 64

(1) 2M x 64

320MB

(1) 16M x 64

(1) 16M x 64

(1) 4M x 64

(1) 4M x 64

320MB

(1) 16M x 64

(1) 8M x 64

(1) 8M x 64

(1) 8M x 64

352MB

(1) 32M x 64

(1) 4M x 64

(1) 4M x 64

(1) 4M x 64

384MB

(1) 16M x 64

(1) 16M x 64

(1) 16M x 64

None

448MB

(1) 32M x 64

(1) 8M x 64

(1) 8M x 64

(1) 8M x 64

512MB

(1) 32M x 64

(1) 32M x 64

None

None

512MB

(1) 16M x 64

(1) 16M x 64

(1) 16M x 64

(1) 16M x 64

640MB

(1) 32M x 64

(1) 16M x 64

(1) 16M x 64

(1) 16M x 64

768MB

(1) 32M x 64

(1) 32M x 64

(1) 32M x 64

None

1024MB

(1) 32M x 64

(1) 32M x 64

(1) 32M x 64

(1) 32M x 64

Note: Board accepts EDO & SDRAM memory. Maximum SDRAM is 512MB. Maximum EDO is 1GB.

CACHE CONFIGURATION

Note: 256KB/512KB cache is located on the Pentium II CPU.

CPU SPEED SELECTION

CPU speed

Clock speed

Multiplier

JP1/

pins 1 & 2

JP1/

pins 3 & 4

JP1/

pins 5 & 6

JP1/

pins 7 & 8

200MHz

66MHz

3x

Open

Closed

Open

Closed

233MHz

66MHz

3.5x

Open

Open

Open

Closed

266MHz

66MHz

4x

Open

Closed

Closed

Open

300MHz

66MHz

4.5x

Open

Open

Closed

Open

CPU VOLTAGE SELECTION

Voltage

J19/pins 1 & 2

J19/pins 3 & 4

J19/pins 5 & 6

J19/pins 7 & 8

J19/pins 9 & 10

Auto detect

Open

Open

Open

Open

Open

2.1

Closed

Open

Open

Open

Open

2.2

Open

Closed

Open

Open

Open

2.3

Closed

Closed

Open

Open

Open

2.4

Open

Open

Closed

Open

Open

2.5

Closed

Open

Closed

Open

Open

2.6

Open

Closed

Closed

Open

Open

2.7

Closed

Closed

Closed

Open

Open

2.8

Open

Open

Open

Closed

Open

2.9

Closed

Open

Open

Closed

Open

3.0

Open

Closed

Open

Closed

Open

3.1

Closed

Closed

Open

Closed

Open

3.2

Open

Open

Closed

Closed

Open

3.3

Closed

Open

Closed

Closed

Open

3.4

Open

Closed

Closed

Closed

Open

3.5

Closed

Closed

Closed

Closed

Open