AST RESEARCH, INC.

CUPID Desktop ISA 386/25 Models 202273-001, 202356-002 & 202356-004

Processor

80386DX (on external CPU/Memory module)

Processor Speed

25MHz

Chip Set

AST

Max. Onboard DRAM

None (4MB on external CPU/Memory module)

SRAM Cache

None (32KB on external CPU/Memory module)

BIOS

AST

Dimensions

330mm x 218mm

I/O Options

32-bit external CPU/Memory module slot, 32-bit external Memory module slot (2), floppy drive interface, IDE interface, parallel port, serial port (2), SMART expansion/16-bit ISA expansion slots (3)

NPU Options

80387/3167 (on external CPU/Memory module)

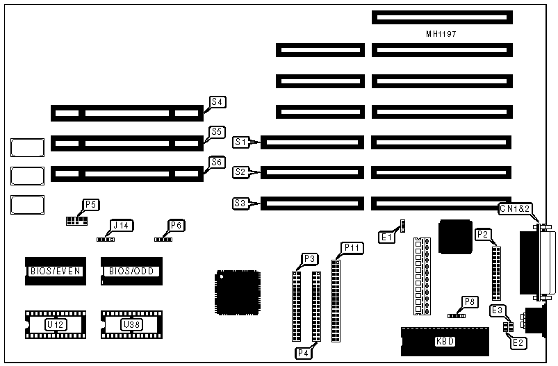
CONNECTIONS

Purpose

Location

Purpose

Location

Serial port 1 (COM1)

CN1

External battery

P8

Parallel port

CN2

IDE interface

P11

IDE interface LED

J14

SMART expansion/16-bit ISA

S1, S2 & S3

Serial port 2 (COM2)

P2

32-bit external CPU/Memory module

S4

Floppy drive interface (A: and B:)

P3

32-bit external Memory module slot

S5

Third floppy drive interface

P4

32-bit external Memory module slot

S6

Front panel switches & LEDs

P5

Optional ROM (even)

U12

Speaker

P6

Optional ROM (odd)

U38

USER CONFIGURABLE SETTINGS

Function

Jumper

Position

»

Password check enabled

E1

pins 2 & 3 closed

 

Password check disabled

E1

pins 1 & 2 closed

»

POST select normal operation

E2

open

 

POST select continuous loop

E2

closed

»

Keyboard select installed

E3

open

 

Keyboard select not installed

E3

closed

USER CONFIGURABLE SETTINGS

Function

Jumper

Position

»

Factory configured - do not alter

E1

open

»

Parity check enabled

E2

closed

 

Parity check disabled

E2

open

Note:AST CPU/Memory module part number is 202274-001, 202274-003, 202274-004.

DRAM CONFIGURATION

Size

Bank 0

Bank 1

Bank 2

Bank 3

1MB

(1) 1M x 9

NONE

NONE

NONE

2MB

(1) 1M x 9

(1) 1M x 9

NONE

NONE

3MB

(1) 1M x 9

(1) 1M x 9

(1) 1M x 9

NONE

4MB

(1) 1M x 9

(1) 1M x 9

(1) 1M x 9

(1) 1M x 9

Notes:32KB of SRAM Cache is on the CPU/Memory module. 128KB of DRAM is reserved for System

and VGA BIOS shadowing and cannot be disabled. Up to two of the following memory boards

may be installed in addition to the CPU/Memory module: AST part numbers 202275-002,

202275-004, 202275-006, 202387-001, or 202387-005.