UNIDENTIFIED

B231 286 I/O

Card Type

Multi-I/O card

Chip Set

Unidentified

I/O Options

Game port, Parallel port, Serial ports (2)

Hard Drives supported

None

Floppy drives supported

None

Data Bus

8-bit ISA

Card Size

Half-length

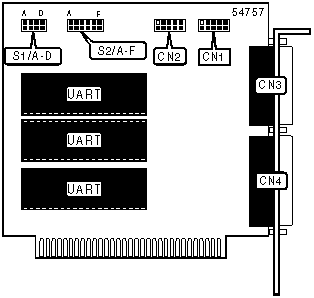
CONNECTIONS

Function

Label

Function

Label

Serial Port 1

CN1

Game Port

CN3

Serial Port 2

CN2

Parallel Port

CN4

USER CONFIGURABLE SETTINGS

Function

Label

Position

»

Factory configured-do not alter

S1/D

Unidentified

PARALLEL PORT ADDRESS SELECTION

Setting

S1/C

LPT1 (378-37A)

OFF

LPT2 (278-27A)

ON

SERIAL PORT ADDRESS SELECTION

Serial Port 1

Serial Port 2

S1/A

S1/B

COM1

COM2

OFF

OFF

COM2

COM3

ON

OFF

COM3

COM4

ON

ON

COM3

Disable

OFF

ON

SERIAL PORT 1 INTERRUPT SELECTION

IRQ

S2/C

S2/D

»

IRQ4

On

Off

 

IRQ3

Off

On

SERIAL PORT 2 INTERRUPT SELECTION

IRQ

S2/E

S2/F

»

IRQ4

Off

On

 

IRQ3

On

Off

PARALLEL PORT INTERRUPT SELECTION

IRQ

S2/A

S2/B

»

IRQ7

On

Off

 

IRQ5

Off

On