NEWCOM, INC.

NEWCLEAR SC128-3D

Card Type

Sound card

Chip Set

S3

Maximum Onboard Memory

Unidentified

I/O Options

Line in (2), microphone in (2), line out (2), speaker out (2), game port, audio in - CD-ROM, auxiliary in, TAD connector

Data Bus

32-bit PCI

Card Size

Half-length, full-height

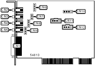
CONNECTIONS

Function

Label

Function

Label

Game/MIDI port

CN1

Microphone in - internal

CN7

Line in

CN2

Line out - internal

CN8

Microphone in

CN3

Speaker out - internal

CN9

Line out

CN4

Auxiliary in

CN10

Speaker out

CN5

Audio in - CD-ROM

CN11

Line in - internal

CN6

TAD connector

CN12