MIRO COMPUTER PRODUCTS, INC.

MIROMEDIA SURROUND

Card Type

Sound card

Chip Set

Unidentified

Maximum Onboard Memory

Unidentified

I/O Options

Audio in, stereo in, stereo out, surround out (4)

Data Bus

8-bit ISA

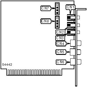
CONNECTIONS

Function

Label

Function

Label

Stereo input (left and right)

CN1

Surround output

CN5

Stereo output (left and right)

CN2

Center output

CN6

Surround output (left and right rear)

CN3

Internal audio input

CN7

Surround output

CN4

Internal audio output

CN8